电脑桌面
添加小米粒文库到电脑桌面
安装后可以在桌面快捷访问

机械加工工序卡片

机械加工工序卡片_第1页
1/7
机械加工工序卡片_第2页
2/7
机械加工工序卡片_第3页
3/7
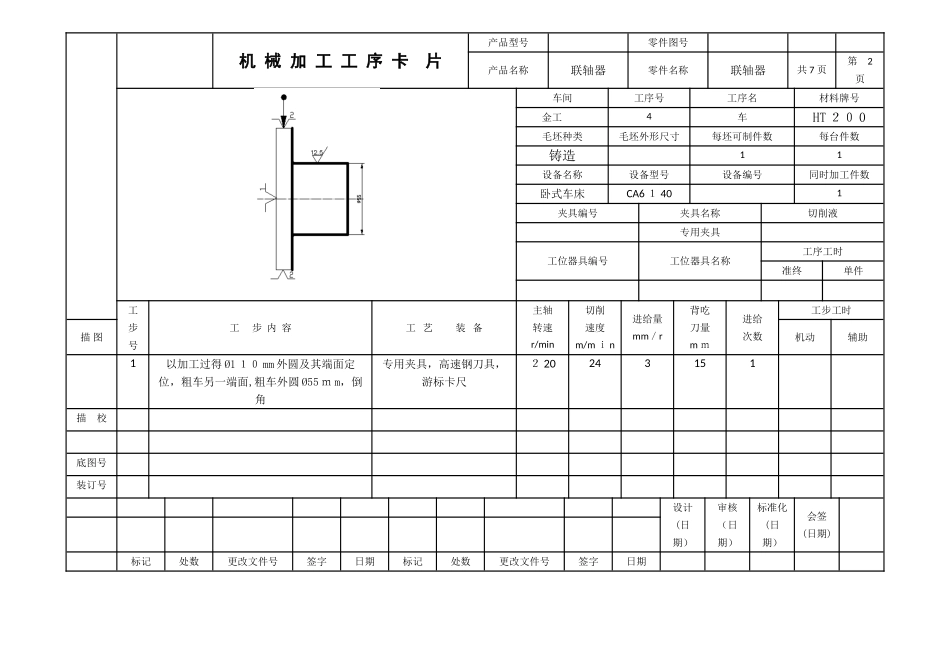
机 械 加 工 工 序 卡 片产品型号零件图号产品名称联轴器零件名称联轴器共 7 页第 1 页车间工序号工序名材料牌号 金工3车H T200毛坯种类毛坯外形尺寸每坯可制件数每台件数铸造11设备名称设备型号设备编号同时加工件数卧式车床CA61401夹具编号夹具名称切削液专用夹具工位器具编号工位器具名称工序工时准终单件工步号工 步 内 容工 艺 装 备主轴转速r/mi n切削速度m/m in进给量mm/r背吃刀量m m进给次数工步工时描 图机动辅助1以 Ø55 m m 处外圆及其端面定位,粗车半精车外圆 Ø110mm 及端面专用夹具,高速钢刀具,游标卡尺2 2 02431 51描 校底图号装订号设计(日期)审核(日期)标准化(日期)会签(日期)标记处数更改文件号签字日期标记处数更改文件号签字日期机 械 加 工 工 序 卡 片产品型号零件图号产品名称联轴器零件名称联轴器共 7 页第 2 页车间工序号工序名材料牌号 金工4车HT 20 0毛坯种类毛坯外形尺寸每坯可制件数每台件数铸造11设备名称设备型号设备编号同时加工件数卧式车床CA6 1 401夹具编号夹具名称切削液专用夹具工位器具编号工位器具名称工序工时准终单件工步号工 步 内 容工 艺 装 备主轴转速r/min切削速度m/m i n进给量mm/r背吃刀量m m进给次数工步工时描 图机动辅助1以加工过得 Ø1 10 mm 外圆及其端面定位,粗车另一端面,粗车外圆 Ø55 m m,倒角专用夹具,高速钢刀具,游标卡尺2 20243151描 校底图号装订号设计(日期)审核(日期)标准化(日期)会签(日期)标记处数更改文件号签字日期标记处数更改文件号签字日期机 械 加 工 工 序 卡 片产品型号零件图号产品名称联轴器零件名称联轴器共 7 页第 3 页车间工序号工序名材料牌号 金工5车H T200毛坯种类毛坯外形尺寸每坯可制件数每台件数铸造11设备名称设备型号设备编号同时加工件数卧式车床CA 61 4 01夹具编号夹具名称切削液专用夹具工位器具编号工位器具名称工序工时准终单件工步号工 步 内 容工 艺 装 备主轴转速r/min切削速度m/m i n进给量mm/r背吃刀量m m进给次数工步工时描 图机动辅助1以加工过得 Ø55 m m 外圆及其端面定位,粗镗 Ø35mm 内孔专用夹具,高速钢刀具,游标卡尺2 20243151描 校底图号装订号设计(日期)审核(日期)标准化(日期)会签(日期)标记处数更改文件号签字日期标记处数更改文件号签字日期机 械 加 工 ...

1、当您付费下载文档后,您只拥有了使用权限,并不意味着购买了版权,文档只能用于自身使用,不得用于其他商业用途(如 [转卖]进行直接盈利或[编辑后售卖]进行间接盈利)。
2、本站所有内容均由合作方或网友上传,本站不对文档的完整性、权威性及其观点立场正确性做任何保证或承诺!文档内容仅供研究参考,付费前请自行鉴别。
3、如文档内容存在违规,或者侵犯商业秘密、侵犯著作权等,请点击“违规举报”。

碎片内容

机械加工工序卡片

您可能关注的文档

确认删除?
VIP
微信客服
  • 扫码咨询
会员Q群
  • 会员专属群点击这里加入QQ群
客服邮箱
回到顶部