电脑桌面
添加小米粒文库到电脑桌面
安装后可以在桌面快捷访问

工序余量的确定

工序余量的确定_第1页
1/14
工序余量的确定_第2页
2/14
工序余量的确定_第3页
3/14
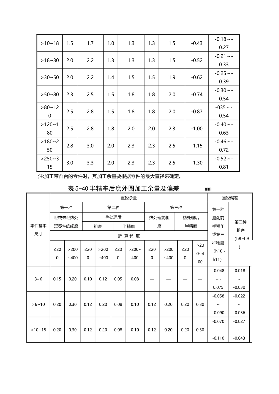
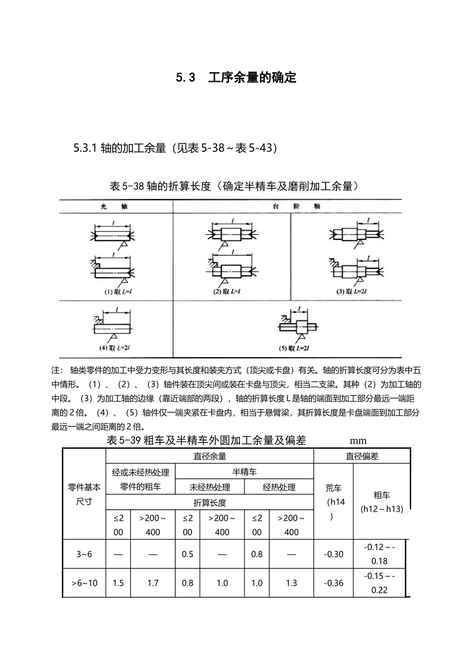
工序余量的确定(12 页)Good is good, but better carries it.精益求精,善益求善。5.3 工序余量的确定5.3.1 轴的加工余量(见表 5-38~表 5-43)表 5-38 轴的折算长度(确定半精车及磨削加工余量)注: 轴类零件的加工中受力变形与其长度和装夹方式(顶尖或卡盘)有关。轴的折算长度可分为表中五中情形。(1)、(2)、(3)轴件装在顶尖间或装在卡盘与顶尖,相当二支梁。其种(2)为加工轴的中段。(3)为加工轴的边缘(靠近端部的两段),轴的折算长度 L 是轴的端面到加工部分最远一端距离的 2 倍。(4)、(5)轴件仅一端夹紧在卡盘内,相当于悬臂梁,其折算长度是卡盘端面到加工部分最远一端之间距离的 2 倍。表 5-39 粗车及半精车外圆加工余量及偏差 mm零件基本尺寸直径余量直径偏差经或未经热处理零件的粗车半精车荒车(h14)粗车(h12~h13)未经热处理经热处理折算长度≤200>200~400≤200>200~400≤200>200~4003~6——0.5—0.8—-0.30-0.12~-0.18>6~101.51.70.81.01.01.3-0.36-0.15~-0.22>10~181.51.71.01.31.31.5-0.43-0.18~-0.27>18~302.02.21.31.31.31.5-0.52-0.21~-0.33>30~502.02.21.41.51.51.9-0.62-0.25~-0.39>50~802.32.51.51.81.82.0-0.74-0.30~-0.54>80~1202.52.81.51.81.82.0-0.87-035~-0.54>120~1802.52.81.82.02.02.3-1.00-0.40~-0.63>180~2502.83.02.02.32.32.5-1.15-0.46~-0.72>250~3153.03.32.02.32.32.5-1.30-0.52~-0.81注:加工带凸台的零件时,其加工余量要根据零件的最大直径来确定。表 5-40 半精车后磨外圆加工余量及偏差 mm零件基本尺寸直径余量直径偏差第一种第二种第三种第一种磨削前半精车或第三种粗磨(h10~h11)第二种粗磨(h8~h9)经或未经热处理零件的终磨热处理后热处理前粗磨热处理后半精磨粗磨半精磨折 算 长 度≤200>200~400≤200>200~400≤200>200~400≤200>200~400≤200>200~4003~60.150.200.100.120.050.08————-0.048~-0.075-0.018~-0.030>6~100.200.300.120.200.080.100.120.200.200.30-0.058~-0.090-0.022~-0.036>10~180.200.300.120.200.080.100.120.200.200.30-0.070~-0.110-0.027~-0.043>18~300.200.300.120.200.080.100.120.200.200.30-0.084~-0.130-0.033~-0.052>30~500.300.400.200.250.100.150.200.250.300.40-0.100~-0.160-0.039~-0.062>50~800.400.500.250.300.150.200.250.300.400.50-0.120~-0.190-0.064~-0.074>80~1200.400.500...

1、当您付费下载文档后,您只拥有了使用权限,并不意味着购买了版权,文档只能用于自身使用,不得用于其他商业用途(如 [转卖]进行直接盈利或[编辑后售卖]进行间接盈利)。
2、本站所有内容均由合作方或网友上传,本站不对文档的完整性、权威性及其观点立场正确性做任何保证或承诺!文档内容仅供研究参考,付费前请自行鉴别。
3、如文档内容存在违规,或者侵犯商业秘密、侵犯著作权等,请点击“违规举报”。

碎片内容

工序余量的确定

您可能关注的文档

确认删除?
VIP
微信客服
  • 扫码咨询
会员Q群
  • 会员专属群点击这里加入QQ群
客服邮箱
回到顶部