电脑桌面
添加小米粒文库到电脑桌面
安装后可以在桌面快捷访问

第六章常用电子元器件参考资料VIP免费

第六章常用电子元器件参考资料_第1页
1/24
第六章常用电子元器件参考资料_第2页
2/24
第六章常用电子元器件参考资料_第3页
3/24
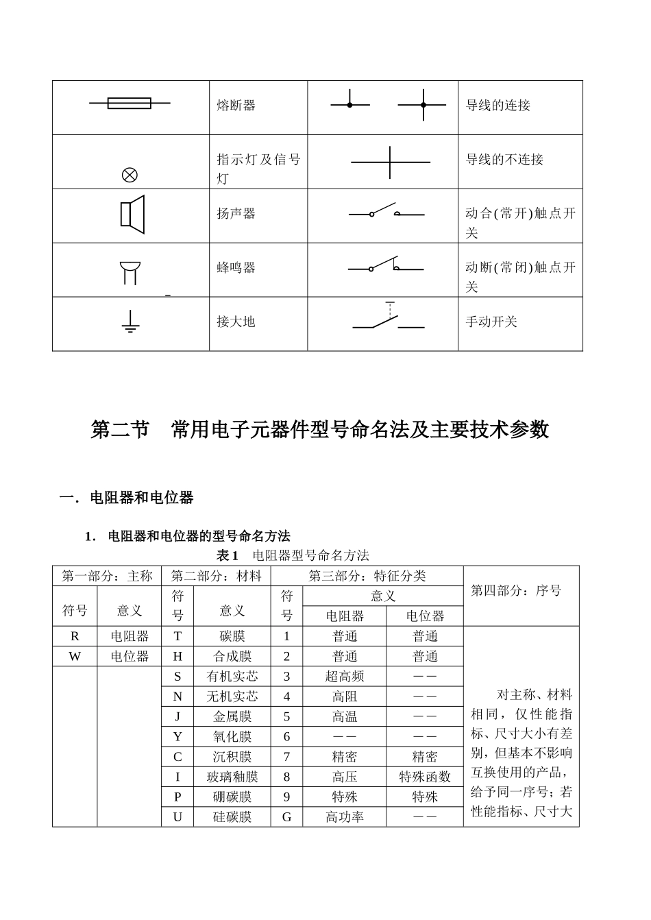
第六章常用电子元器件参考资料第一节部分电气图形符号一.电阻器、电容器、电感器和变压器图形符号名称与说明图形符号名称与说明电阻器一般符号电感器、线圈、绕组或扼流图。注:符号中半圆数不得少于3个可变电阻器或可调电阻器带磁芯、铁芯的电感器滑动触点电位器带磁芯连续可调的电感器极性电容双绕组变压器注:可增加绕组数目可变电容器或可调电容器绕组间有屏蔽的双绕组变压器注:可增加绕组数目双联同调可变电容器。注:可增加同调联数在一个绕组上有抽头的变压器微调电容器二.半导体管图形符号名称与说明图形符号名称与说明二极管的符号(1)(2)JFET结型场效应管(1)N沟道(2)P沟道发光二极管光电二极管PNP型晶体三极管稳压二极管NPN型晶体三极管变容二极管全波桥式整流器三.其它电气图形符号图形符号名称与说明图形符号名称与说明具有两个电极的压电晶体注:电极数目可增加或接机壳或底板熔断器导线的连接指示灯及信号灯导线的不连接扬声器动合(常开)触点开关蜂鸣器动断(常闭)触点开关接大地手动开关第二节常用电子元器件型号命名法及主要技术参数一.电阻器和电位器1.电阻器和电位器的型号命名方法表1电阻器型号命名方法第一部分:主称第二部分:材料第三部分:特征分类第四部分:序号符号意义符号意义符号意义电阻器电位器R电阻器T碳膜1普通普通对主称、材料相同,仅性能指标、尺寸大小有差别,但基本不影响互换使用的产品,给予同一序号;若性能指标、尺寸大W电位器H合成膜2普通普通S有机实芯3超高频――N无机实芯4高阻――J金属膜5高温――Y氧化膜6――――C沉积膜7精密精密I玻璃釉膜8高压特殊函数P硼碳膜9特殊特殊U硅碳膜G高功率――小明显影响互换时,则在序号后面用大写字母作为区别代号。X线绕T可调――M压敏W――微调G光敏D――多圈R热敏B温度补偿用――C温度测量用――P旁热式――W稳压式――Z正温度系数――示例:(1)精密金属膜电阻器RJ73第四部分:序号第三部分:类别(精密)第二部分:材料(金属膜)第一部分:主称(电阻器)(2)多圈线绕电位器WXD3第四部分:序号第三部分:类别(多圈)第二部分:材料(线绕)第一部分:主称(电位器)2.电阻器的主要技术指标(1)额定功率电阻器在电路中长时间连续工作不损坏,或不显著改变其性能所允许消耗的最大功率称为电阻器的额定功率。电阻器的额定功率并不是电阻器在电路中工作时一定要消耗的功率,而是电阻器在电路工作中所允许消耗的最大功率。不同类型的电阻具有不同系列的额定功率,如表2所示。表2电阻器的功率等级名称额定功率(W)实芯电阻器0.250.5125-线绕电阻器0.5251352506751010015150薄膜电阻器0.02520.0550.125100.25250.5501100(2)标称阻值阻值是电阻的主要参数之一,不同类型的电阻,阻值范围不同,不同精度的电阻其阻值系列亦不同。根据国家标准,常用的标称电阻值系列如表3所示。E24、E12和E6系列也适用于电位器和电容器。表3标称值系列标称值系列精度电阻器()、电位器()、电容器标称值(PF)E245%1.02.24.71.12.45.11.22.75.61.33.06.21.53.36.81.63.67.51.83.98.22.04.39.1E1210%1.03.31.23.91.54.71.85.62.26.82.78.2--E620%1.01.52.23.34.76.88.2-表中数值再乘以10n,其中n为正整数或负整数。(3)允许误差等级表4电阻的精度等级允许误差(%)0.0010.0020.0050.010.020.050.1等级符号EXYHUWB允许误差(%)0.20.51251020等级符号CDFGJ(I)K(II)M(III)3.电阻器的标志内容及方法(1)文字符号直标法:用阿拉伯数字和文字符号两者有规律的组合来表示标称阻值,额定功率、允许误差等级等。符号前面的数字表示整数阻值,后面的数字依次表示第一位小数阻值和第二位小数阻值,其文字符号所表示的单位如表5所示。如1R5表示1.5,2K7表示2.7k,表5文字符号RKMGT表示单位欧姆()千欧姆(103)兆欧姆(106)千兆欧姆(109)兆兆欧姆(1012)例如:RJ71-0.125-5k1-II允许误差10%标称阻值(5.1k)额定功率1/8W型号由标号可知,它是精密金属膜电阻器,额定功率为1/8W,标称阻值为5.1k,允许误差为10%。(2)色标法:色标法是将电阻器的类别及主要技术...

1、当您付费下载文档后,您只拥有了使用权限,并不意味着购买了版权,文档只能用于自身使用,不得用于其他商业用途(如 [转卖]进行直接盈利或[编辑后售卖]进行间接盈利)。
2、本站所有内容均由合作方或网友上传,本站不对文档的完整性、权威性及其观点立场正确性做任何保证或承诺!文档内容仅供研究参考,付费前请自行鉴别。
3、如文档内容存在违规,或者侵犯商业秘密、侵犯著作权等,请点击“违规举报”。

碎片内容

第六章常用电子元器件参考资料

您可能关注的文档

文章天下+ 关注
实名认证
内容提供者

各种文档应有尽有

确认删除?
VIP
微信客服
  • 扫码咨询
会员Q群
  • 会员专属群点击这里加入QQ群
客服邮箱
回到顶部