电脑桌面
添加小米粒文库到电脑桌面
安装后可以在桌面快捷访问

实验二基尔霍夫定律的验证1

实验二基尔霍夫定律的验证1_第1页
1/3
实验二基尔霍夫定律的验证1_第2页
2/3
实验二基尔霍夫定律的验证1_第3页
3/3
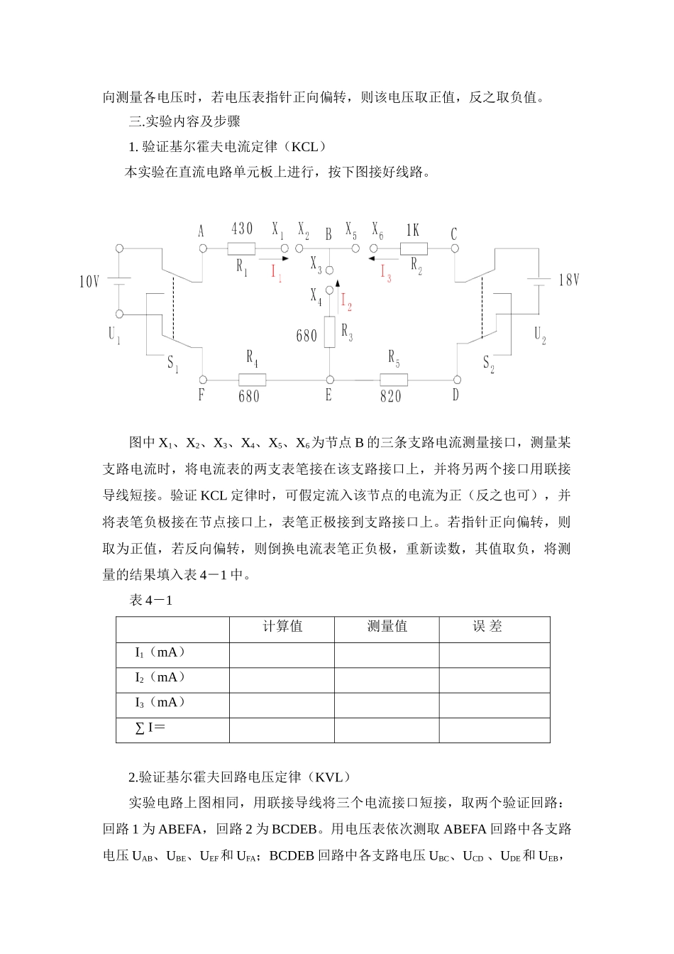
实验二:基尔霍夫定律的验证一.实验目的:1.通过实验验证基尔霍夫电流定律和电压定律,巩固所学理论知识。2.加深对参考方向概念的理解。二.实验原理 基尔霍夫定律是电路理论中最基本也是最重要的定律之一。它概括了电路中电流和电压分别遵循的基本规律。它包括基尔霍夫电流定律(KCL)和基尔霍夫电压定律(KVL)。 基尔霍夫节点电流定律:电路中任意时刻流进(或流出)任一节点的电流的代数和等于零。其数学表达式为:∑ I = 0此定律阐述了电路任一节点上各支路电流间的约束关系,这种关系,与各支路上元件的性质无关,不论元件是线性的或是非线性的,含源的或是无源的,时变的或时不变的。基尔霍夫回路电压定律:电路中任意时刻,沿任意闭合回路,电压的代数和等于零。其数学表达式为:∑ U = 0此定律阐述了任意闭合回路中电压间的约束关系。这种关系仅与电路的结构有关,而与构成回路的各元件的性质无关,不论这些元件是线性的或是非线性的,含源的或是无源的,时变的或时不变的。参考方向:KCL 和 KVL 表达式中的电流和电压都是代数量,它们除具有大小之外,还有方向,其方向是以它量值的正、负表示的。为讨论问题方便,人们通常在电路中假定一个方向为参考,称为参考方向,当电路中的电流(或电压)的实际方向与参考方向相同时取正值,其实际方向与参考方向相反时取负值。例如,测量某节点各支路电流时,可以设流入该节点的电流方向为参考方向(反之亦然)。将电流表负极接到该节点上,而将电流表的正极分别串入各条支路,当电流表指针正向偏转时,说明该支路电流是流入节点的,与参考方向相同,取其值为正;若指针反向偏转,说明该支路电流是流出节点的,与参考方向相反,倒换电流表极性,再测量,取其值为负。测量某闭合电路各电压时,也应假定某一绕行方向为参考方向,按绕行方向测量各电压时,若电压表指针正向偏转,则该电压取正值,反之取负值。三.实验内容及步骤1. 验证基尔霍夫电流定律(KCL)本实验在直流电路单元板上进行,按下图接好线路。图中 X1、X2、X3、X4、X5、X6为节点 B 的三条支路电流测量接口,测量某支路电流时,将电流表的两支表笔接在该支路接口上,并将另两个接口用联接导线短接。验证 KCL 定律时,可假定流入该节点的电流为正(反之也可),并将表笔负极接在节点接口上,表笔正极接到支路接口上。若指针正向偏转,则取为正值,若反向偏转,则倒换电流表笔正负极,重新读数,其值取负,将测量的结...

1、当您付费下载文档后,您只拥有了使用权限,并不意味着购买了版权,文档只能用于自身使用,不得用于其他商业用途(如 [转卖]进行直接盈利或[编辑后售卖]进行间接盈利)。
2、本站所有内容均由合作方或网友上传,本站不对文档的完整性、权威性及其观点立场正确性做任何保证或承诺!文档内容仅供研究参考,付费前请自行鉴别。
3、如文档内容存在违规,或者侵犯商业秘密、侵犯著作权等,请点击“违规举报”。

碎片内容

实验二基尔霍夫定律的验证1

一帆文传+ 关注
实名认证
内容提供者

欢迎光临店铺,各类公文供您挑选。

确认删除?
VIP
微信客服
  • 扫码咨询
会员Q群
  • 会员专属群点击这里加入QQ群
客服邮箱
回到顶部