电脑桌面
添加小米粒文库到电脑桌面
安装后可以在桌面快捷访问

打桩工程施工质量控制监理实施细则

打桩工程施工质量控制监理实施细则_第1页
1/6
打桩工程施工质量控制监理实施细则_第2页
2/6
打桩工程施工质量控制监理实施细则_第3页
3/6
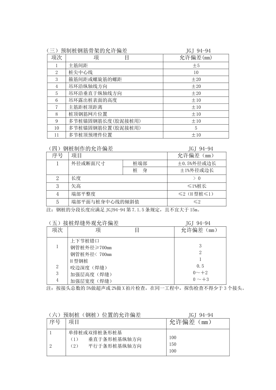
打(压)桩工程施工质量控制监理实施细则 一、打(压)桩工程的质量验评标准 (一)保证项目: 1.预制桩用的原材料和砼强度必须符合设计要求和施工法律规范的规定; 2.桩的表面必须平整、密实,桩顶和桩尖不得有蜂窝、麻面、掉角和裂缝; 3.打桩的施工方案、对施工机械设备配置、保障打桩质量的措施、打桩的顺序等要符合实际,切实可行,严防桩位移和倾斜; 4.制作、吊装、运输打桩、静压桩、桩节点处理等必须符合 GBJ202-83 的规定。 (二)预制桩制作的允许偏差 JGJ 94-94项次 项 目 允 许 偏 差(mm)1钢筋混凝土实心桩(1)横截面边长(2)桩顶对角线之差(3)保护层厚度(4)桩身弯曲矢高(5)桩尖对桩轴线位移(6)桩顶平面对桩中心线的倾斜(7)桩筋预留孔深(8)浆锚预留孔位置(9)浆锚预留孔径(10)锚筋孔的垂直度 ±5 10 ±5 不大于 1‰桩长,且不大于 20 10 ≤3 0~+20 5 ±5 ≤1%2钢筋混凝土管桩(1)直径(2)管壁厚度(3)抽芯圆孔中心线对桩中心线(4)桩尖对桩轴线位移(5)下节或上节桩的法兰对中心线的倾斜(6)中节桩两个法兰对桩中心线倾斜之和 ±5 -5 5 10 2 3 (三)预制桩钢筋骨架的允许偏差 JGJ 94-94项次 项 目允许偏差(mm)1主筋间距±52桩尖中心线103箍筋间距或螺旋筋的螺距±204吊环沿纵轴线方向±205吊环沿垂直于纵轴线方向±206吊环露出桩表面的高度±107主筋距桩顶距离±108桩顶钢筋网片位置±109多节桩锚固钢筋长度(胶泥接桩用)±1010多节桩锚固钢筋位置(胶泥接桩用)511多节桩顶预埋件位置±10(四)钢桩制作的允许偏差 JGJ 94-94序号项目允许偏差(mm)1外径或断面尺寸 桩端部±0.5%外径或边长 桩 身±1%外径或边长2长度> 03矢高≤1%桩长4端部平整度≤2(H 型桩≤1)5端部平面与桩身中心线的倾斜值≤2注:钢桩的分段长度应满足 JGJ94-94 第 7.1.5 条规定,且不宜大于 15m。(五)接桩焊缝外观允许偏差 JGJ 94-94项次 项 目允许偏差(mm)1234上下节桩错口钢管桩外径≥700mm钢管桩外径< 700mmH 型钢桩咬边深度(焊缝)加强层高度(焊缝)加强层宽度(焊缝)3210.50~+20~+3注:按接头总数的 5%做超声或 2%做 X 拍片检查,在同一工程中,探伤检查不得少于 3 个接头。(六)预制桩(钢桩)位置的允许偏差 JGJ 94-94序号项目允许偏差(mm)12单排桩或双排桩条形桩基(1)垂直于条形桩基纵轴方向(2)平行于条形桩基纵轴方向10015010034...

1、当您付费下载文档后,您只拥有了使用权限,并不意味着购买了版权,文档只能用于自身使用,不得用于其他商业用途(如 [转卖]进行直接盈利或[编辑后售卖]进行间接盈利)。
2、本站所有内容均由合作方或网友上传,本站不对文档的完整性、权威性及其观点立场正确性做任何保证或承诺!文档内容仅供研究参考,付费前请自行鉴别。
3、如文档内容存在违规,或者侵犯商业秘密、侵犯著作权等,请点击“违规举报”。

碎片内容

打桩工程施工质量控制监理实施细则

确认删除?
VIP
微信客服
  • 扫码咨询
会员Q群
  • 会员专属群点击这里加入QQ群
客服邮箱
回到顶部