电脑桌面
添加小米粒文库到电脑桌面
安装后可以在桌面快捷访问

复工复产疫情防控操作指引

复工复产疫情防控操作指引_第1页
1/11
复工复产疫情防控操作指引_第2页
2/11
复工复产疫情防控操作指引_第3页
3/11
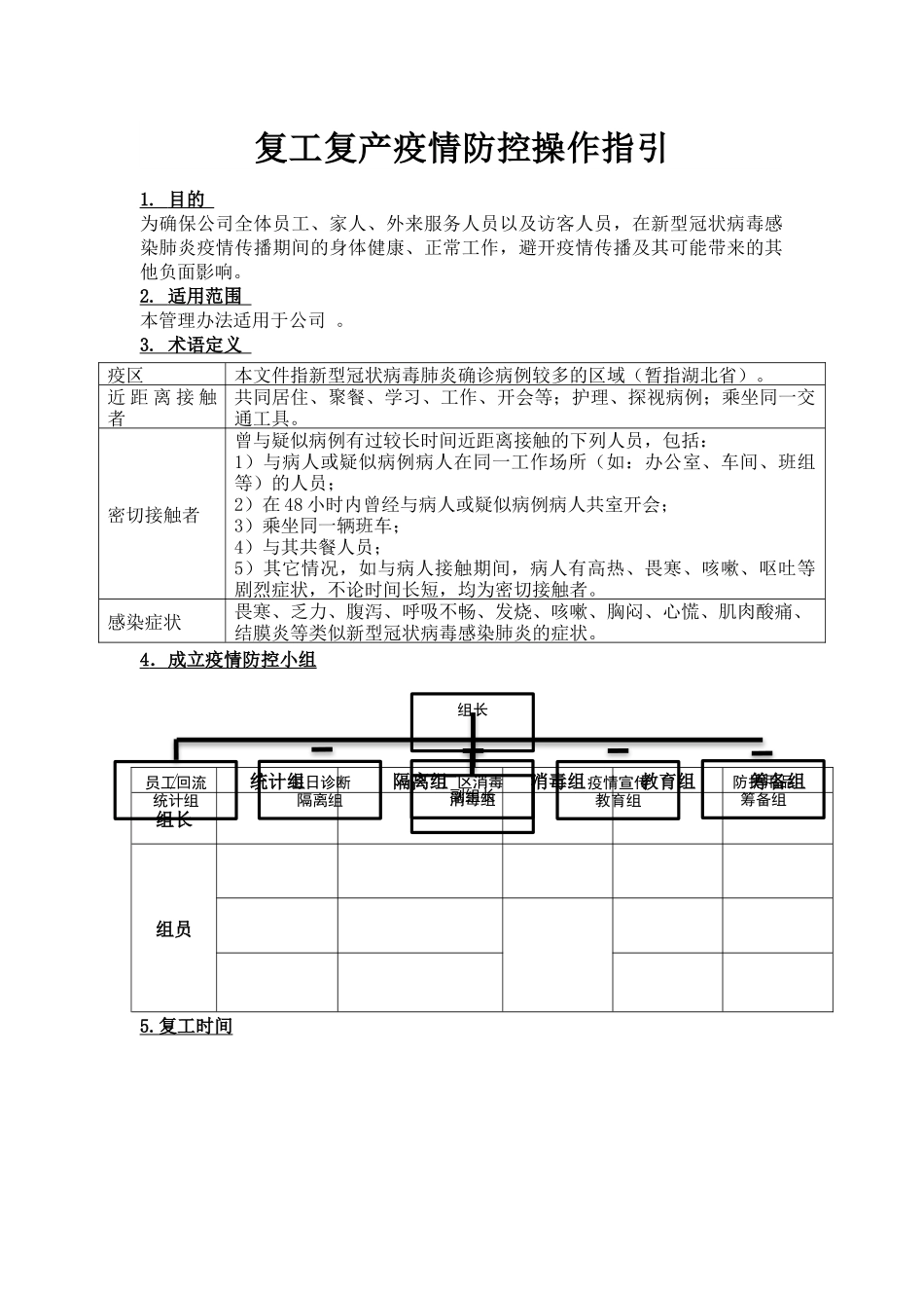
复工复产疫情防控操作指引1. 目的 为确保公司全体员工、家人、外来服务人员以及访客人员,在新型冠状病毒感染肺炎疫情传播期间的身体健康、正常工作,避开疫情传播及其可能带来的其他负面影响。 2. 适用范围 本管理办法适用于公司 。3. 术语定义 4 .成立疫情防控小组 /统计组隔离组消毒组教育组筹备组组长组员5. 复工时间 组长副组长疫区本文件指新型冠状病毒肺炎确诊病例较多的区域(暂指湖北省)。近 距 离 接 触者共同居住、聚餐、学习、工作、开会等;护理、探视病例;乘坐同一交通工具。密切接触者曾与疑似病例有过较长时间近距离接触的下列人员,包括:1)与病人或疑似病例病人在同一工作场所(如:办公室、车间、班组等)的人员;2)在 48 小时内曾经与病人或疑似病例病人共室开会;3)乘坐同一辆班车;4)与其共餐人员;5)其它情况,如与病人接触期间,病人有高热、畏寒、咳嗽、呕吐等剧烈症状,不论时间长短,均为密切接触者。感染症状畏寒、乏力、腹泻、呼吸不畅、发烧、咳嗽、胸闷、心慌、肌肉酸痛、结膜炎等类似新型冠状病毒感染肺炎的症状。员工回流统计组每日诊断隔离组厂区消毒消毒组疫情宣传教育组防护用品筹备组6 工厂复工运作盘点 围绕“人机料法环”等几个方面,对生产运作进行盘点,并制定相应的应对策略。7. 宣传教育 公司各部门单元要加强宣传教育,指导员工如何正确防范冠状病毒的感染。可通过文件通知、微信群宣贯等方式进行宣传教育。8. 员工健康管理 实施方案报告频次实施时间责任人输出每日跟踪部门员工健康情况,假期延长期间利用微信群等手段跟踪,复工后每日班前、班中跟踪员工体温及精神状态,是否有感冒症状。如有异常立即报防疫工作小组。每日至疫情解除各部门负责人《员工假期信息统计表》跟踪员工假期期间动态信息,排查所有员工接触人群是否有疫区人员;及时更新员工返芜、返岗情况。每日至疫情解除各部门负责人复工后全员、全天佩戴口罩,由各部门负责人负责检查,防疫工作小组组长监督执行。按需至疫情解除全员/9. 防疫物资 9.1 防疫物资准备人事行政部和采购部负责在 2 月 6 日前按需准备一定数量的口罩、手套、护目镜、消毒液及其他相关物品。疫情防护用品清单9.2 防疫物资发放、使用管理人事行政部负责按需发放防疫物资,以及班后的污染物妥善回收,并做好发放、回收的书面记录。10.个人防护措施正确佩戴口罩方式和洗手方式如下:系带式口罩佩戴方法耳带式口罩佩戴方...

1、当您付费下载文档后,您只拥有了使用权限,并不意味着购买了版权,文档只能用于自身使用,不得用于其他商业用途(如 [转卖]进行直接盈利或[编辑后售卖]进行间接盈利)。
2、本站所有内容均由合作方或网友上传,本站不对文档的完整性、权威性及其观点立场正确性做任何保证或承诺!文档内容仅供研究参考,付费前请自行鉴别。
3、如文档内容存在违规,或者侵犯商业秘密、侵犯著作权等,请点击“违规举报”。

碎片内容

复工复产疫情防控操作指引

您可能关注的文档

确认删除?
VIP
微信客服
  • 扫码咨询
会员Q群
  • 会员专属群点击这里加入QQ群
客服邮箱
回到顶部