电脑桌面
添加小米粒文库到电脑桌面
安装后可以在桌面快捷访问

注册结构考试实用表格

注册结构考试实用表格_第1页
1/6
注册结构考试实用表格_第2页
2/6
注册结构考试实用表格_第3页
3/6
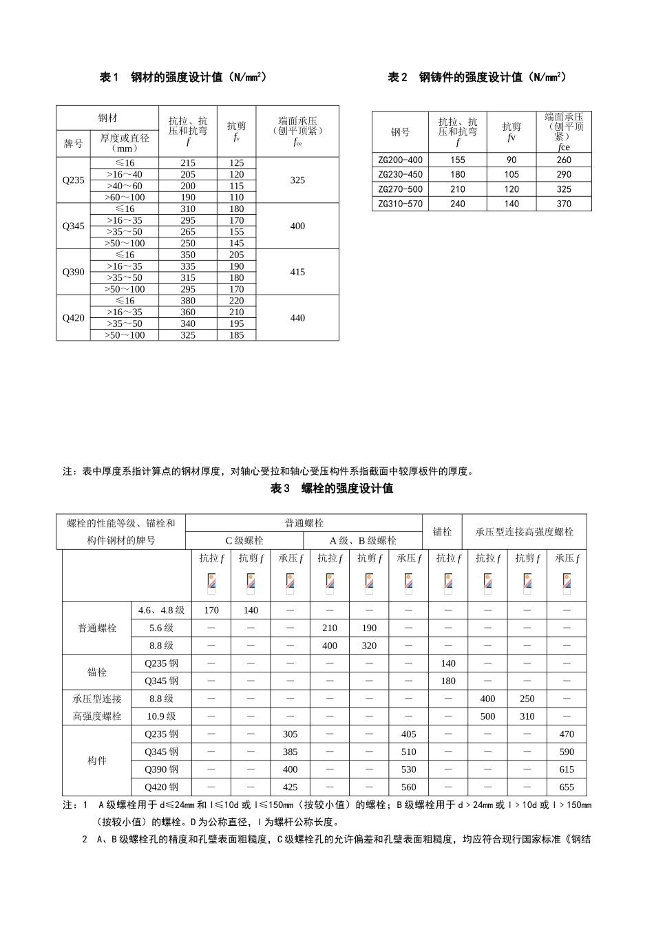
表 1 钢材的强度设计值(N/mm2) 表 2 钢铸件的强度设计值(N/mm2)注:表中厚度系指计算点的钢材厚度,对轴心受拉和轴心受压构件系指截面中较厚板件的厚度。表 3 螺栓的强度设计值螺栓的性能等级、锚栓和构件钢材的牌号普通螺栓锚栓承压型连接高强度螺栓C 级螺栓A 级、B 级螺栓抗拉 f抗剪 f承压 f抗拉 f抗剪 f承压 f抗拉 f抗拉 f抗剪 f承压 f普通螺栓4.6、4.8 级170140--------5.6 级---210190-----8.8 级---400320-----锚栓Q235 钢------140---Q345 钢------180---承压型连接高强度螺栓8.8 级-------400250-10.9 级-------500310-构件Q235 钢--305--405---470Q345 钢--385--510---590Q390 钢--400--530---615Q420 钢--425--560---655注:1 A 级螺栓用于 d≤24mm 和 l≤10d 或 l≤150mm(按较小值)的螺栓;B 级螺栓用于 d﹥24mm 或 l﹥10d 或 l﹥150mm(按较小值)的螺栓。D 为公称直径,l 为螺杆公称长度。 2 A、B 级螺栓孔的精度和孔壁表面粗糙度,C 级螺栓孔的允许偏差和孔壁表面粗糙度,均应符合现行国家标准《钢结钢材抗拉、抗压和抗弯f抗剪fv端面承压(刨平顶紧)fce牌号厚度或直径(mm)Q235≤16215125325>16~40205120>40~60200115>60~100190110Q345≤16310180400>16~35295170>35~50265155>50~100250145Q390≤16350205415>16~35335190>35~50315180>50~100295170Q420≤16380220440>16~35360210>35~50340195>50~100325185钢号抗拉、抗压和抗弯f抗剪fv端面承压(刨平顶紧)fceZG200-40015590260ZG230-450180105290ZG270-500210120325ZG310-570240140370构工程施工质量验收法律规范》GB 50205 的要求。表 4 焊缝的强度设计值(N/mm2)注:1 自动焊和半自动焊所采纳的焊丝和焊剂,应保证其熔敷金属的力学性能不低于现行国家标准《埋弧焊用碳钢焊丝和焊剂》GB/T 5293 和《低合金钢埋弧焊用焊剂》GB/T 12470 中相关的规定。 2 焊缝质量等级应符合现行国家标准《钢结构工程施工质量验收法律规范》GB 50205 的规定。其中厚度小于 8mm钢材的对接焊缝,不应采纳超声波探伤确定焊缝质量等级。 3 对接焊缝在受压区的抗弯强度设计值取 f,在受拉区的抗弯强度设计值取 f。 4 表中厚度系指计算点的钢材厚度,对轴心受拉和轴心受压构件系指截面中较厚板件的厚度。表 5 单排...

1、当您付费下载文档后,您只拥有了使用权限,并不意味着购买了版权,文档只能用于自身使用,不得用于其他商业用途(如 [转卖]进行直接盈利或[编辑后售卖]进行间接盈利)。
2、本站所有内容均由合作方或网友上传,本站不对文档的完整性、权威性及其观点立场正确性做任何保证或承诺!文档内容仅供研究参考,付费前请自行鉴别。
3、如文档内容存在违规,或者侵犯商业秘密、侵犯著作权等,请点击“违规举报”。

碎片内容

注册结构考试实用表格

确认删除?
VIP
微信客服
  • 扫码咨询
会员Q群
  • 会员专属群点击这里加入QQ群
客服邮箱
回到顶部