电脑桌面
添加小米粒文库到电脑桌面
安装后可以在桌面快捷访问

电动机外壳保护的选定

电动机外壳保护的选定_第1页
1/1
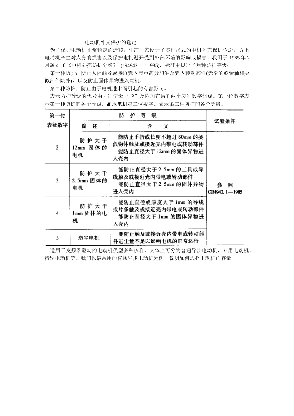
电动机外壳保护的选定 为了保护电动机正常稳定的运转,生产厂家设计了多种形式的电机外壳保护构造,防止电动机产生对人身的损害以及保护电机避开受到外部环境的影响或损害。我国于 1985 年 2月颁 4i 了《电机外壳防护分级》 (c949421 一 1985),标准中规定了两种防护等级: 第一种防护:防止人体触及或接近壳内带电部分和触及壳内转动部件(光滑的旋转轴和类似部件除外),以及防止固体异物进入电机。 第二种防护:防止由于电机进水而引起的有害影响。 表示防护等级的代号由去征宁母“1P”及附加在后的两个表征数字组成。第一位数字表示第一种防护的各个等级,高压电机第二位数字则表示第二种防护的各个等级。 适用于变频器驱动的电动机类型多种多样,大体上可分为普通异步电动机、专用电动机 、特别电动机等。我们以最常用的普通异步电动机为例,说明如何选择电动机的容量。

1、当您付费下载文档后,您只拥有了使用权限,并不意味着购买了版权,文档只能用于自身使用,不得用于其他商业用途(如 [转卖]进行直接盈利或[编辑后售卖]进行间接盈利)。
2、本站所有内容均由合作方或网友上传,本站不对文档的完整性、权威性及其观点立场正确性做任何保证或承诺!文档内容仅供研究参考,付费前请自行鉴别。
3、如文档内容存在违规,或者侵犯商业秘密、侵犯著作权等,请点击“违规举报”。

碎片内容

电动机外壳保护的选定

人从众+ 关注
实名认证
内容提供者

欢迎光临小店,本店以公文和教育为主,希望符合您的需求。

相关文档

确认删除?
VIP
微信客服
  • 扫码咨询
会员Q群
  • 会员专属群点击这里加入QQ群
客服邮箱
回到顶部