电脑桌面
添加小米粒文库到电脑桌面
安装后可以在桌面快捷访问

第七册消防及安全防范设备安装工程

第七册消防及安全防范设备安装工程_第1页
1/11
第七册消防及安全防范设备安装工程_第2页
2/11
第七册消防及安全防范设备安装工程_第3页
3/11
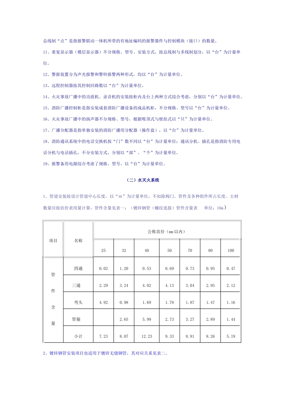
第七册 消防及安全防范设备安装工程(一)火灾自动报警系统1、点型探测器按线制的不同分为多线制与总线制,不分规格、型号、安装方式与位置,以“只”为计量单位。探测器安装包括了探头和底座的安装及本体调试。2、红外线探测器以“只”为计量单位。红外线探测器是成对使用的,在计算时一对为两只。估价表中包括了探头支架安装和探测器的调试、对中。3、火焰探测器、可燃气体探测器按线制的不同分为多线制与总线制两种,计算时不分规格、型号,安装方式与位置,以“只”为计量单位。探测器安装包括了探头和底座的安装及本体调试。4、线形探测器的安装方式按环绕、正弦及直线综合考虑,不分线制及保护形式,以“m”为计量单位。估价表未包括探测器连接的一只模块和终端,其工程量应按相应项目另行计算。5、按钮包括消火栓按钮、手动报警按钮、气体灭火起/停按钮,以“只”为计量单位,根据在轻质墙体和硬质墙体上安装两种方式综合考虑,执行时不得因安装方式不同而调整。6、控制模块(接口)是指仅能起控制作用的模块(接口),亦称为中继器,依据其给出控制信号的数量,分为单输出和多输出两种形式。执行时不分安装方式,根据输出数量以“只”为计量单位。7、报警模块(接口)不起控制作用,只能起监视、报警作用。执行时,不分安装方式以“只”为计量单位。8、报警控制器按线制的不同分为多线制与总线制两种。其中又按其安装方式不同分为壁挂式和落地式。在不同线制、不同安装方式中根据“点”数的不同划分估价表项目,以“台”为计量单位。多线制“点”是指报警控制器所带报警器件(探测器、报警按钮等)的数量。总线制“点”是指报警控制器所带有地址编码的报警器件(探测器、报警按钮、模块等)的数量。假如一个模块带数个探测器,则只能计为一点。9、联动控制器按线制的不同分为多线制与总线制两种,其中又按其安装方式不同分为壁挂式和落地式。在不同线制、不同安装方式中根据“点”数的不同划分估价表项目,以“台”为计量单位。多线制“点”是指联动控制器所带联动设备的状态控制和状态显示的数量。总线制“点”是指联动控制器所带的有控制模块(接口)的数量。10、报警联动一体机按线制的不同分为多线制与总线制两种,其中又按其安装方式不同分为壁挂式和落地式。在不同线制、不同安装方式中根据“点”数的不同划分估价表项目,以“台”为计量单位。多线制“点”是指报警联动一体机所带报警器件与联动设备的状态控制和状态显示的数量。总...

1、当您付费下载文档后,您只拥有了使用权限,并不意味着购买了版权,文档只能用于自身使用,不得用于其他商业用途(如 [转卖]进行直接盈利或[编辑后售卖]进行间接盈利)。
2、本站所有内容均由合作方或网友上传,本站不对文档的完整性、权威性及其观点立场正确性做任何保证或承诺!文档内容仅供研究参考,付费前请自行鉴别。
3、如文档内容存在违规,或者侵犯商业秘密、侵犯著作权等,请点击“违规举报”。

碎片内容

第七册消防及安全防范设备安装工程

确认删除?
VIP
微信客服
  • 扫码咨询
会员Q群
  • 会员专属群点击这里加入QQ群
客服邮箱
回到顶部