电脑桌面
添加小米粒文库到电脑桌面
安装后可以在桌面快捷访问

第三部分:金属制造完成

第三部分:金属制造完成_第1页
1/46
第三部分:金属制造完成_第2页
2/46
第三部分:金属制造完成_第3页
3/46
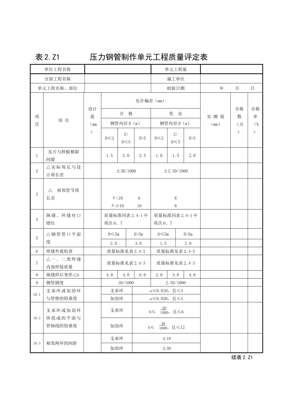
第三部分xx 工程单元工程质量评定表(共有 36 个表)表 2.Z1 压力钢管制作单元工程质量评定表单位工程名称单元工程量分部工程名称施工单位单元工程名称、部位检验日期 年 月 日项次项 目设计值(mm)允许偏差(mm)实 测 值(mm)合格数(点)合格率(%)合 格优 良钢管内径 D(m)钢管内径 D(m)D≤225D≤2251瓦片与样板极限间隙1.52.02.51.01.52.02△实际周长与设计周长差±3D/1000±2.5D/10003△相邻管节周长差δ<10 6δ≥10 10684纵缝、环缝对口错位质量标准同表 2.4-1 中项次 6、7质量标准同表 2.4-1 中项次 6、75△钢管管口平面度D≤5mD>5mD≤5mD>5m2.03.01.52.06焊缝外观检查质量标准见表 2.4-2质量标准见表 2.4-27△一、二类焊缝内部焊接质量质量标准见表 2.4-3质量标准见表 2.4-38纵缝焊后变形△h4.04.06.02.03.04.09钢管圆度3D/10002.5D/100010.1支承环或加劲环与管壁的铅垂度支承环a≤0.01H,且≤3加劲环a≤0.02H,且≤510.2支承环或加劲环所组成的平面与管轴线的铅垂度支承环b≤ 2D 1000,且≤6加劲环b≤ 4D 1000,且≤1210.3相邻两环的间距支承环±10加劲环±30续表 2.Z1项次项 目设计值(mm)允许偏差(cm)实 测 值(mm)合格数(点)合格率(%)合 格优 良钢管内径 D(m)钢管内径 D(m)D≤225D≤22511.1钢管内、外壁的表面清除内、外壁上,凡安装无用的临时支撑、夹具和焊疤清除洁净内、外壁上,凡安装无用的临时支撑、夹具和焊疤清除洁净并磨光11.2钢管内、外壁局部凹坑焊补内、外壁上,深度大于板厚 10%或大于 2mm 的凹坑应焊补并磨光 内、外壁上,深度大于板厚 10%或大于 2mm 的凹坑应焊补并磨光 12埋管和明管防腐蚀表面处理内壁除锈彻底,表面洁净、露出灰白色金属光泽;涂装工艺符合厂家设计要求,外观良好内壁除锈质量达到 Sa2 1/2 标准,表面粗糙度40~70μm,涂层厚度,质量符合设计,法律规范要求应符合DL5017-93《压力钢管制造安装及13埋管和明管防腐蚀涂料涂装表面处理要求同埋管;涂料涂装层数、厚度、时间符合设计要求及厂家规定,外观良好应符合 DL5017-93《压力钢管制造安装及验收法律规范》检验结果主要项目共测 点,合格 点,合格率 %一般项目共测 点,合格 点,合格率 %评 定 意 见单元工程质量等级主要项目全部符合质量标准,一般项目实测点 %符合质量标准,项目优良率 %。其中主要项目优良率 %测 量 人 年...

1、当您付费下载文档后,您只拥有了使用权限,并不意味着购买了版权,文档只能用于自身使用,不得用于其他商业用途(如 [转卖]进行直接盈利或[编辑后售卖]进行间接盈利)。
2、本站所有内容均由合作方或网友上传,本站不对文档的完整性、权威性及其观点立场正确性做任何保证或承诺!文档内容仅供研究参考,付费前请自行鉴别。
3、如文档内容存在违规,或者侵犯商业秘密、侵犯著作权等,请点击“违规举报”。

碎片内容

第三部分:金属制造完成

您可能关注的文档

阳光书坊+ 关注
实名认证
内容提供者

阳光书坊,传播未来

确认删除?
VIP
微信客服
  • 扫码咨询
会员Q群
  • 会员专属群点击这里加入QQ群
客服邮箱
回到顶部