电脑桌面
添加小米粒文库到电脑桌面
安装后可以在桌面快捷访问

五方验证竣工验收表

五方验证竣工验收表_第1页
1/2
五方验证竣工验收表_第2页
2/2
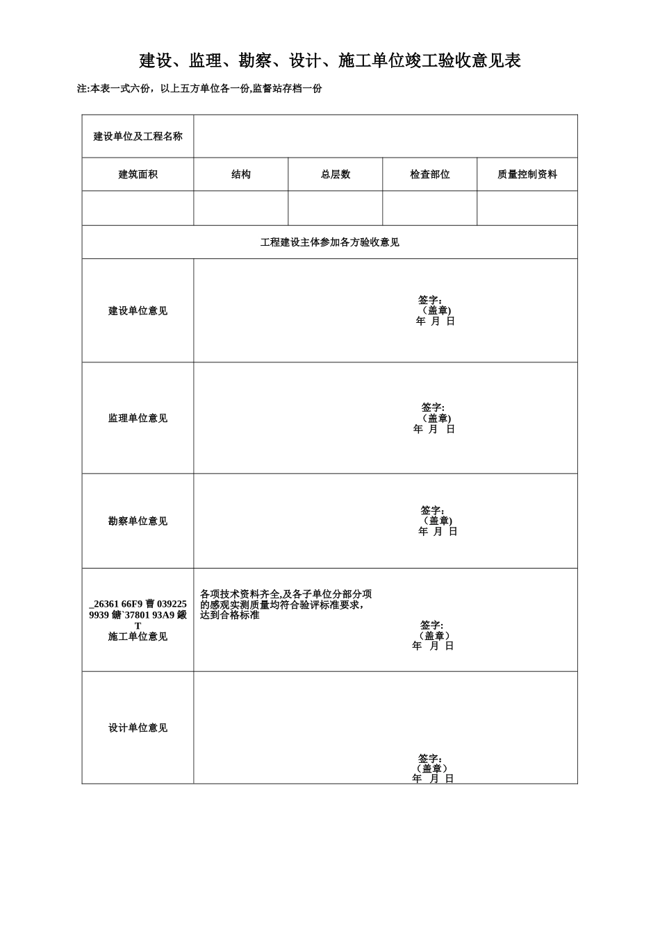
建设、监理、勘察、设计、施工单位竣工验收意见表注:本表一式六份,以上五方单位各一份,监督站存档一份建设单位及工程名称建筑面积结构总层数检查部位质量控制资料工程建设主体参加各方验收意见建设单位意见 签字: (盖章) 年 月 日监理单位意见 签字: (盖章) 年 月 日勘察单位意见 签字: (盖章) 年 月 日_26361 66F9 曹 039225 9939 餹`37801 93A9 鎩T施工单位意见各项技术资料齐全,及各子单位分部分项的感观实测质量均符合验评标准要求,达到合格标准 签字: (盖章) 年 月 日设计单位意见 签字: (盖章) 年 月 日

1、当您付费下载文档后,您只拥有了使用权限,并不意味着购买了版权,文档只能用于自身使用,不得用于其他商业用途(如 [转卖]进行直接盈利或[编辑后售卖]进行间接盈利)。
2、本站所有内容均由合作方或网友上传,本站不对文档的完整性、权威性及其观点立场正确性做任何保证或承诺!文档内容仅供研究参考,付费前请自行鉴别。
3、如文档内容存在违规,或者侵犯商业秘密、侵犯著作权等,请点击“违规举报”。

碎片内容

五方验证竣工验收表

您可能关注的文档

确认删除?
VIP
微信客服
  • 扫码咨询
会员Q群
  • 会员专属群点击这里加入QQ群
客服邮箱
回到顶部