电脑桌面
添加小米粒文库到电脑桌面
安装后可以在桌面快捷访问

内业资料考核评分表

内业资料考核评分表_第1页
1/2
内业资料考核评分表_第2页
2/2
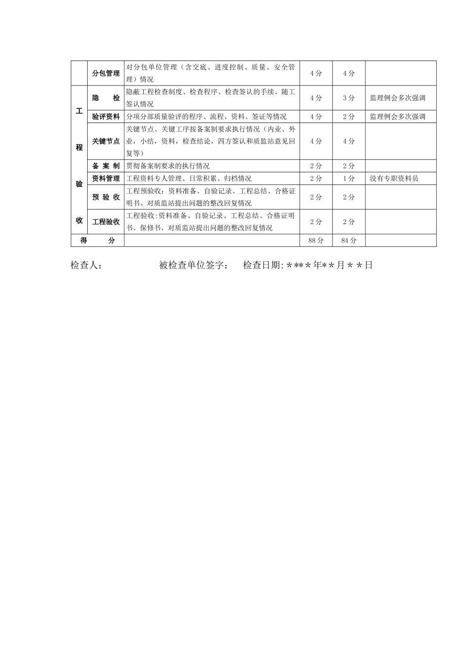
施 工 单 位 质 量 (内业) 检 查 评 分 表标段: ** 号线 ** 标 站段名称 : 施工单位:*** *** * ** ****** ** * * * 检查项目检 查 内 容标准分实得分备 注施工准备标书合同现场所有合同文本(含分包合同)及招标、投标文件,4 分4 分开工许可施工许可证和报监手续2 分0 分施工场地例会提出 施 组施组编写内容、深度、审批手续、执行情况、针对性、承诺兑现、修改情况4 分4 分施工方案编写内容、审批手续、合理性、可操作性、针对性3 分2 分有监理审批意见质量计划合理性、可操作性、针对性2 分2 分作业指导书编制深度、可操作性、下达、贯彻执行情况和运转痕迹2 分2 分人员配备与标书承诺对比、变更及批准手续2 分2 分有项目经理变更主要人员资格、职称审查情况、与标书是否下降2 分1 分机具配备与标书承诺、进场状态、审查情况3 分3 分规章制度规章制度建立、运转痕迹和奖惩措施2 分2 分法律法规、强标、施工法律规范目录清单与实际是否相符2 分2 分分包单位分包单位批准手续、分包合同责任主体的合法性和时效性发现一处扣一分,累计迭加,不受标准分限制。5 分4 分合同备案滞后检测单位检测单位资质(含试块、原材料检测和地面沉降、噪声等检测单位)和检测数据、资料的及时性、准确性2 分2 分施工过程交 底设计技术交底四方签认及会议纪要闭环情况2 分/关键工序交底纪要及闭环情况2 分2 分作业指导书层层交底到作业人员的记录2 分2 分按图施工执行设计文件、按图施工情况2 分2 分变更设计手续及签认情况(因施工失误而引起的变更有一处扣 2 分,累计迭加,不受标准分限制)4 分/执行标准执行强制性标准、施工法律规范情况(违反强制性标准或法律规范有一处扣 1 分,累计迭加,不受标准分限制)2 分2 分材料检验材料进场检验情况:记录、批量、用途、见证取样记录3 分2 分进场材料报审不及时工程例会工程例会提出问题整改情况3 分3 分进度控制施组中进度网络计划调整、修改情况、进度落实到人的手续、措施、检查、考核办法3 分3 分标 养 室管 理施工场地标养室配备及管理情况2 分2 分施工场地标养送检制执行情况2 分2 分计量器具计量器具配备、使用、日常检验、校验和管理情况3 分3 分测 量测量仪器设备配备、检验、校验、管理和现场测量、复核、记录、保管情况(含结构和地面沉降观测)3 分3 分大型机具大型设备进场报验、使用、校...

1、当您付费下载文档后,您只拥有了使用权限,并不意味着购买了版权,文档只能用于自身使用,不得用于其他商业用途(如 [转卖]进行直接盈利或[编辑后售卖]进行间接盈利)。
2、本站所有内容均由合作方或网友上传,本站不对文档的完整性、权威性及其观点立场正确性做任何保证或承诺!文档内容仅供研究参考,付费前请自行鉴别。
3、如文档内容存在违规,或者侵犯商业秘密、侵犯著作权等,请点击“违规举报”。

碎片内容

内业资料考核评分表

您可能关注的文档

确认删除?
VIP
微信客服
  • 扫码咨询
会员Q群
  • 会员专属群点击这里加入QQ群
客服邮箱
回到顶部