电脑桌面
添加小米粒文库到电脑桌面
安装后可以在桌面快捷访问

江苏省盱眙县第二中学九年级物理上册 14.3 欧姆定律教案 苏科版VIP免费

江苏省盱眙县第二中学九年级物理上册 14.3 欧姆定律教案 苏科版_第1页
1/6
江苏省盱眙县第二中学九年级物理上册 14.3 欧姆定律教案 苏科版_第2页
2/6
江苏省盱眙县第二中学九年级物理上册 14.3 欧姆定律教案 苏科版_第3页
3/6
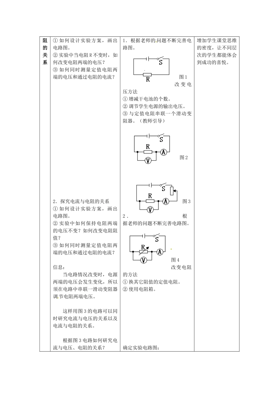
欧姆定律教学设计思路:本节内容是在学生学习了电流、电压、电阻等概念,电压表、电流表、滑动变阻器等使用方法之后进行的,是对本章所学内容的总结。本节课的重点是用实验的方法总结得出欧姆定律,并能理解欧姆定律。本节课的内容是一个完整的科学探究过程,按照探究实验的步骤:提出问题——做出猜想和假设——设计实验方案——进行实验并收集数据——得出结论——交流讨论进行。首先用课本中小华和小明的讨论引入课题,让学生明确电流与电压和电阻肯定有关系,但是否存在某种数量关系还不明确,我们这节课要解决的就是电流与电压、电阻的数量关系。接着学生根据上一节课(设计调光灯)提出猜想。设计实验方案是本节课的难点,教师采取分层设问、逐步引导的方法,让学生自行设计出实验电路图,虽然实验电路图只有一种,但学生肯定会提出多种实验方案,不管方案是否可行,教师都应给与鼓励,并引导学生分析哪种方案更好。设计实验表格采取与数学中正比例函数相比较的方法,让学生明确电流、电压和电阻三个物理量哪一个是自变量,哪一个是因变量。在连接电路之前,教师引导学生回忆电流表、电压表、滑动变阻器的使用以及连接电路注意点,引导学生正确连接电路,快速实验。在收集数据这一环节中,教师要引导学生,收集到的数据要方便处理。比如,研究电阻一定时,电流与电压的关系,要改变电压观察电流的变化。为了方便处理数据,可使电压成倍变化。分析数据、得出结论这一环节,引导学生如何处理表格中的数据,得出结论。如何将几个结论综合,得到总结论。教会学生用图表法分析实验数据。误差分析,有一定的难度,可采用学生讨论和教师讲解相结合的方法。对于例题的分析,一方面引导学生书写要规范,另一方面让学生理解欧姆定律使用的要求。教学流程图教学目标:一、知识与技能:复习提问提出问题:电流与电压、电阻有什么数量关系做出猜想与假设学生实验引导归纳得出结论例题分析引导设计实验小结讨论、交流1.理解欧姆定律,能熟练运用欧姆定律的公式及其变形式分析、解决简单的电路问题。2.能同时用电压表和电流表测量一段导体两端的电压和其中的电流,会用滑动变阻器改变部分电路两端电压。二、过程与方法:1.通过实验探究,归纳电流跟电压和电阻的关系,学习科学探究方法。2.用图像法对实验数据进行处理。三、情感、态度与价值观培养学生刻苦钻研、大胆探索的科学精神,充分认识科学研究的艰巨性、科学方法的重要性教学重点:掌握实验方法;理解欧姆定律教学难点:设计实验过程;实验数据的分析;实验结果的评估。教学资源:学生分组:干电池两节、开关、滑动变阻器、电压表和电流表各一个、定值电阻(5Ω、10Ω、15Ω)、导线若干、。教学方法:科学探究、讨论法、交流与合作教学过程:流程教师活动学生活动活动目的一引入小明:串联接入电路的滑动变阻器的电阻值是多大时,才能得到调光灯需要的电流值呢?小华:小灯泡上标有“3.8V0.3A”,它的含义是什么?电流、电压和电阻之间并不是孤立的,而是有着重要的联系。一段导体两端的电压越高,通过它的电流将如何变化?当导体的电阻越大,通过它的电流将如何变化?思考后回答二探究电流与电压电一.猜想与假设它们之间是否存在一定的数量关系呢?(引导学生在猜想时注意因果关系,知道电压、电阻是“因”,电流是“果”)探究电压、电阻的变化对电流的影响,应该用什么方法进行研究?如何空调之变量?二.引导学生设计实验方案1.探究电流与电压的关系思考后提出各种猜想根据猜想确定研究方法讨论后回答问题:低起点、小坡度、密台阶设计问题,阻的关系①如何设计实验方案,画出电路图。②实验中当电阻R不变时,如何改变电阻两端的电压?③如何同时测量定值电阻两端的电压和通过电阻的电流?2.探究电流与电阻的关系①如何设计实验方案,画出电路图。②实验中如何保持电阻两端的电压不变?如何改变电阻阻值?③如何同时测量定值电阻两端的电压和通过电阻的电流?信息:当电路情况改变时,电源两端的电压会发生变化,所以须在电路中串联一滑动变阻器调节电阻两端电压。这样用图3的电路可以同时研究电流与电压的关系以及电流与...

1、当您付费下载文档后,您只拥有了使用权限,并不意味着购买了版权,文档只能用于自身使用,不得用于其他商业用途(如 [转卖]进行直接盈利或[编辑后售卖]进行间接盈利)。
2、本站所有内容均由合作方或网友上传,本站不对文档的完整性、权威性及其观点立场正确性做任何保证或承诺!文档内容仅供研究参考,付费前请自行鉴别。
3、如文档内容存在违规,或者侵犯商业秘密、侵犯著作权等,请点击“违规举报”。

碎片内容

江苏省盱眙县第二中学九年级物理上册 14.3 欧姆定律教案 苏科版

您可能关注的文档

慧源书店+ 关注
实名认证
内容提供者

从事历史教学,热爱教育,高度负责。

确认删除?
VIP
微信客服
  • 扫码咨询
会员Q群
  • 会员专属群点击这里加入QQ群
客服邮箱
回到顶部