电脑桌面
添加小米粒文库到电脑桌面
安装后可以在桌面快捷访问

广东省阳江市关山月学校2015_2016学年八年级物理上学期第一次月考试题无答案新人教版VIP免费

广东省阳江市关山月学校2015_2016学年八年级物理上学期第一次月考试题无答案新人教版_第1页
1/4
广东省阳江市关山月学校2015_2016学年八年级物理上学期第一次月考试题无答案新人教版_第2页
2/4
广东省阳江市关山月学校2015_2016学年八年级物理上学期第一次月考试题无答案新人教版_第3页
3/4
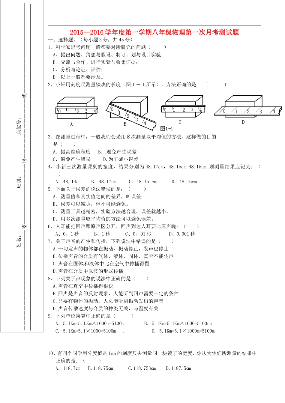
2015—2016学年度第一学期八年级物理第一次月考测试题一、选择题。(每小题3分,共45分)1、科学家思考问题一般都要对所研究的问题()A、提出问题、猜想与假设、制订计划与设计实验;B、交流与合作、进行实验与收集证据;C、分析与论证、评估;D、以上一般都要涉及。2、小轩用刻度尺测量铁块的长度(图1-1所示),方法正确的是〔〕3、在测量过程中,一般我们会采用多次测量取平均值的方法,这样做的目的是()A.提高准确程度B.避免产生误差C.避免产生错误D.为了减小误差4、小新三次测量课桌的宽度,结果分别为48.17cm,48.15cm,48.15cm,则测量结果应记为:()A.48.14cmB.48.17cmC.48.15cmD.48.16cm5、下面关于误差的说法错误的是:()A.测量值和真实值之间的差异,叫误差;B.误差可以减少,但不可能避免。C.测量工具越精密,实验方法越合理,误差就越小。D.用多次测量取平均值的方法可以避免误差。6、人耳能把回声跟原声区分开,回声到达人耳要比原声晚:()A、0、1秒B、1秒C、0、01秒D、0.001秒7、关于声音的产生和传播,下列说法中错误的是()A.一切发声的物体都在振动,振动停止,发声也停止B.传播声音的介质有气体、液体、固体,真空不能传声C.声音在固体和液体中比在空气中传播得慢D.声音在介质中以波的形式传播8、下列关于声现象的说法中正确的是()A.声音在真空中传播得很快B.回声是声音的反射现象,人能听到回声需要一定的条件C.只要有物体的振动,人总能听到振动发出的声音D.声音传播速度与介质的种类无关,与温度有关9、下列单位换算中正确的是()A.5.1Km=5.1Km×1000m=5100mB.5.1Km=5.1Km×1000=5100cmC.5.1Km=5.1×1000=5100mD.5.1Km=5.1×1000m=5100m10、有四个同学用分度值是1mm的刻度尺去测量同一块镜子的宽度,你认为他们所测量的结果中,正确的是:()A.118.7㎝B.118.75㎝C.118.753㎝D.1187.5㎝姓名:______________班别:_____________座位号:____________————————————————————密————————————封————————————线——————————————————————————————————————————————————————————————————————————————————————11、将正在发声的电铃放在玻璃罩内,当用抽气机把玻璃罩中的空气抽去时,将会发生:()A.电铃的振动停止了;B.只见电铃振动,但听不到声音;C.电铃的声音比原来更加响亮;D.不见电铃振动,但能听到声音。12、通常我们听到的声音是靠___传来的.()A.电磁波B.真空C.空气D.耳朵的鼓膜13、登上月球的宇航员,即便相距很近,也要靠无线电话交谈,这是因为()A、月球上尘埃太多B、月球上温度太低C、月球表面凹凸不平D、月球上没有空气14、下列说法错误的是()A、一切正在发声的物体一定都在振动;B、正在振动的物体并不一定发声;C、木鱼的声音不是由振动产生的;D、声音在固体中比在液体和空气中传播得快15、吹笛子时发出优美的音乐声,其声音来自于()A、笛子在振动;B、手指在振动;C、笛子内空气柱在振动;D、嘴唇在振动二、填空题。(每空1分,共33分)16、物理学就是研究声,光,热,力,电等各种物理现象的和物质的一门科学。17、和是进行科学探究的基本方法;伽利略发现了摆的等时性原理,发现了万有引力定律和构建经典力学体系,爱因斯坦建立了相对论。18、理学推动社会发展的几个重要阶段:1)远古的刀耕火种时代(的发明和应用);2)17~18世纪的蒸汽时代(学,学的发展);3)19世纪的电气时代(方面的巨大贡献);4)20世纪的信息化高科技新时代(原子能的利用,电子计算机的研制和空间技术的发展等)。19、装满水的长铁管一端敲击一下,在铁管的另一端会听到__________次声音,其中第一次声音是从________传过去的,最后一次声音是从__________传过去的。20、图1-2所示,用甲、乙两刻度尺测量同一木块的长度,其测量结果分别为:甲测量的结果是,乙测量的结果是,尺测量较准确。21、下列填充完整:(1)3.8×107um=__________m;(2)7.2×104mm=_________km;(3)45min=_______...

1、当您付费下载文档后,您只拥有了使用权限,并不意味着购买了版权,文档只能用于自身使用,不得用于其他商业用途(如 [转卖]进行直接盈利或[编辑后售卖]进行间接盈利)。
2、本站所有内容均由合作方或网友上传,本站不对文档的完整性、权威性及其观点立场正确性做任何保证或承诺!文档内容仅供研究参考,付费前请自行鉴别。
3、如文档内容存在违规,或者侵犯商业秘密、侵犯著作权等,请点击“违规举报”。

碎片内容

广东省阳江市关山月学校2015_2016学年八年级物理上学期第一次月考试题无答案新人教版

您可能关注的文档

教育教学文库+ 关注
实名认证
内容提供者

本店有大量的教育教学资料,课件

确认删除?
VIP
微信客服
  • 扫码咨询
会员Q群
  • 会员专属群点击这里加入QQ群
客服邮箱
回到顶部