电脑桌面
添加小米粒文库到电脑桌面
安装后可以在桌面快捷访问

浅谈预应力箱梁混凝土一次浇筑成型常见质量通病及防治措施VIP免费

浅谈预应力箱梁混凝土一次浇筑成型常见质量通病及防治措施_第1页
1/6
浅谈预应力箱梁混凝土一次浇筑成型常见质量通病及防治措施_第2页
2/6
浅谈预应力箱梁混凝土一次浇筑成型常见质量通病及防治措施_第3页
3/6
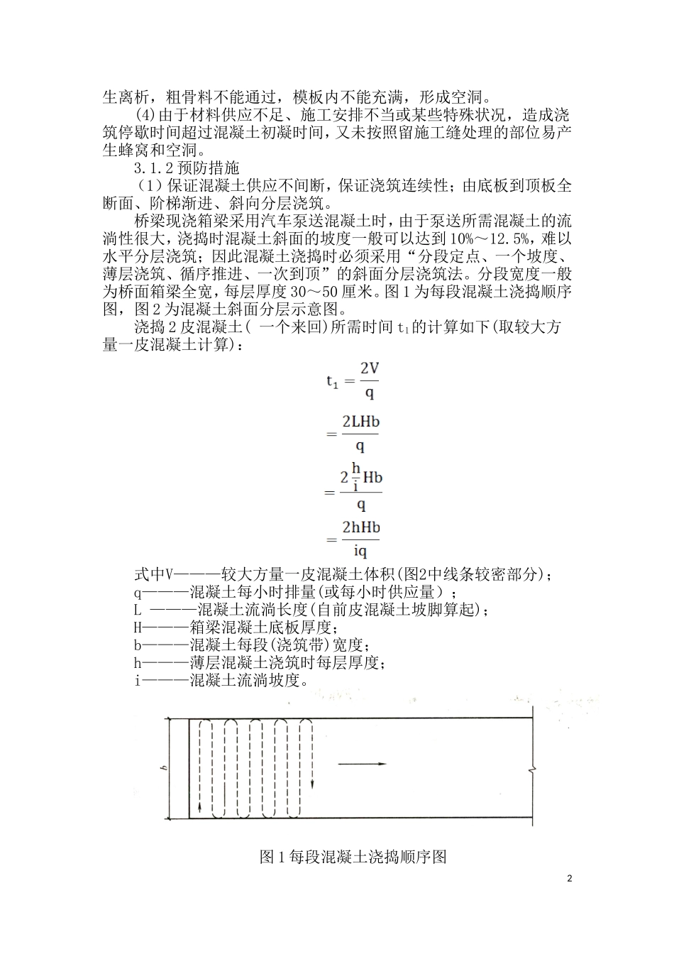
浅谈预应力箱梁混凝土一次浇筑成型常见质量通病及防治措施1概述随着现代经济技术的发展以及人们对交通状况及交通设施日益增长的需求,桥梁工程在高速公路及城镇交通中占得比例越来越大,人们对资源、环境、及建筑性能要求标准的也在不断的提高,大规模的桥梁建设如火如荼的展开。近年来箱形梁体构造逐渐普及,而箱梁混凝土一次性浇筑也越来越得到普遍的推广。现浇预应力连续箱梁一次浇筑成型工艺相比传统的箱梁浇筑工艺消除了传统施工工艺的施工缝,提高了梁体的美观性;增强了梁体的整体刚度,延长了梁体的耐久性和使用寿命;施工周期短。在预应力箱梁采用一次性现浇法施工时,由于箱梁钢筋密集、一次性混凝土浇筑方量较大、施工强度大、材料供应连贯性等各方面的因素,在模板拆除之后容易出现空鼓、蜂窝麻面、开裂等质量通病,影响到箱梁混凝土的质量,严重时可能会影响整个桥梁的结构强度。因此,认真分析箱梁混凝土浇筑产生质量通病的原因,并通过在实际施工中改善施工工艺、加强施工管理,着重对有可能出现通病的部位和工序严格把关,尽量避免这些质量通病的产生就显得尤为重要。2工程概况李沧东部43号线(世园大道)工程李村河桥所处位置为世园大道上跨李村河处,墩台轴线相互平行与道路中心线斜交角为60度。桥位处设计河底高程62.358m,百年一遇设计洪水位高程64.34m。跨径布置为30+35+35米,采用双幅桥面,A桥有5个箱室、6道腹板梁总宽度为26.2m,B桥有6个箱室、7道腹板梁总宽度为29.2m。桥面面积约5360平方米。通过对以往桥梁工程箱梁混凝土一次性浇筑存在的质量通病进行认真分析和研究,结合李村河桥梁工程实际情况,在实际的箱梁浇筑过程中采取了一系列行之有效的预防措施和管理方法,取得了比较良好的效果。3箱梁混凝土一次浇筑成型常见的几种质量通病及在本工程采取的预防措施3.1箱梁混凝土一次浇筑的最大通病就是箱梁底板倒角板处混凝土的密实度和饱满度问题。倒角板处混凝土易发生漏浆、蜂窝、空鼓不密实,封锚区也易出现蜂窝、气泡多不密实现象。3.1.1原因分析(1)倒角处特别是斜腹板处模板坡度大,泵送混凝土流动性大,混凝土浇筑时一次下料过多或分条、分层不清。(2)漏振或振捣间距过大,混凝土不密实;过振造成混凝土离析,骨料与水泥浆分离,影响混凝土强度,钢筋与混凝土不能有效握裹,造成蜂窝、空洞、漏筋等。(3)倒角处及封锚区钢筋密集且布置形式杂乱、腹板波纹管占据腹板大部分厚度,混凝土浇筑流动不顺畅,甚至混凝土到此处时会产1生离析,粗骨料不能通过,模板内不能充满,形成空洞。(4)由于材料供应不足、施工安排不当或某些特殊状况,造成浇筑停歇时间超过混凝土初凝时间,又未按照留施工缝处理的部位易产生蜂窝和空洞。3.1.2预防措施(1)保证混凝土供应不间断,保证浇筑连续性;由底板到顶板全断面、阶梯渐进、斜向分层浇筑。桥梁现浇箱梁采用汽车泵送混凝土时,由于泵送所需混凝土的流淌性很大,浇捣时混凝土斜面的坡度一般可以达到10%~12.5%,难以水平分层浇筑;因此混凝土浇捣时必须采用“分段定点、一个坡度、薄层浇筑、循序推进、一次到顶”的斜面分层浇筑法。分段宽度一般为桥面箱梁全宽,每层厚度30~50厘米。图1为每段混凝土浇捣顺序图,图2为混凝土斜面分层示意图。浇捣2皮混凝土(一个来回)所需时间t1的计算如下(取较大方量一皮混凝土计算):式中V———较大方量一皮混凝土体积(图2中线条较密部分);q———混凝土每小时排量(或每小时供应量);L———混凝土流淌长度(自前皮混凝土坡脚算起);H———箱梁混凝土底板厚度;b———混凝土每段(浇筑带)宽度;h———薄层混凝土浇筑时每层厚度;i———混凝土流淌坡度。图1每段混凝土浇捣顺序图2图2混凝土斜面分层示意图根据《混凝土结构工程施工及验收规范》(GB50204-92)第4.4.11条规定:“浇筑混凝土应连续进行。当必须间歇时,应在前层混凝土初凝之前,将次层混凝土浇筑完毕。”如果混凝土运输、待泵时间为t2,为保证浇筑第二皮混凝土末段时第一皮混凝土起始段不发生初凝,混凝土所需初凝时间t不应小于t1+t2。李村河桥箱梁混凝土(扣除箱室的有效)厚度为1.5米,混凝土浇筑宽度为25米,每层...

1、当您付费下载文档后,您只拥有了使用权限,并不意味着购买了版权,文档只能用于自身使用,不得用于其他商业用途(如 [转卖]进行直接盈利或[编辑后售卖]进行间接盈利)。
2、本站所有内容均由合作方或网友上传,本站不对文档的完整性、权威性及其观点立场正确性做任何保证或承诺!文档内容仅供研究参考,付费前请自行鉴别。
3、如文档内容存在违规,或者侵犯商业秘密、侵犯著作权等,请点击“违规举报”。

碎片内容

浅谈预应力箱梁混凝土一次浇筑成型常见质量通病及防治措施

您可能关注的文档

书海行舟+ 关注
实名认证
内容提供者

热爱教学事业,对互联网知识分享很感兴趣

相关文档

确认删除?
VIP
微信客服
  • 扫码咨询
会员Q群
  • 会员专属群点击这里加入QQ群
客服邮箱
回到顶部