电脑桌面
添加小米粒文库到电脑桌面
安装后可以在桌面快捷访问

电流相位比较式母差保护VIP免费

电流相位比较式母差保护_第1页
1/13
电流相位比较式母差保护_第2页
2/13
电流相位比较式母差保护_第3页
3/13
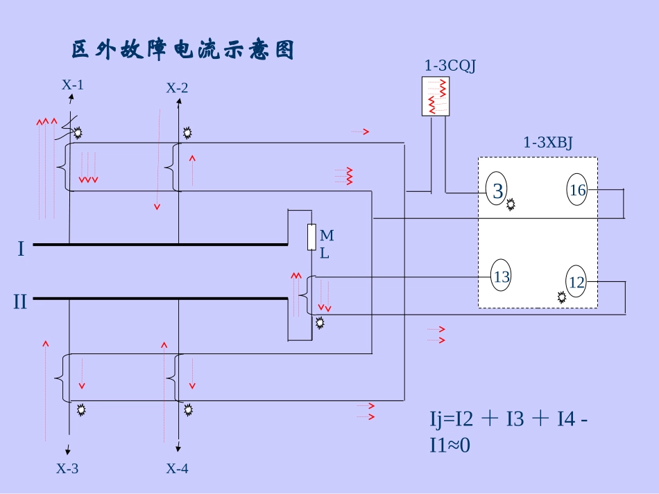
IIIIj=I2+I3-I4-I1≈0正常运行时电流示意图X-1X-4X-3X-2ML1-3CQJ1-3XBJ3161312IIIIj=I2+I3+I4-I1≈0区外故障电流示意图X-1X-4X-3X-2ML1-3CQJ1-3XBJ31613121-3CQJX-1X-2X-3X-4ML1-3XBJ1691213III差动回路中流过全部的故障电流,CQJ动作;母联回路中流过有II母流向I母的故障电流,Icd和IML分别由选择元件的9和12极性端子流入,两电流相位差近似为零,JJ1动作,开放I母差动出口Ij=I1+I2+I3+I4区内I母故障示意图区内II母故障示意图1-3CQJX-1X-291612131-3XBJX-4X-3MLIII差动回路中流过全部的故障电流,1-3CQJ动作;母联回路中流过有I母流向II母的故障电流;Icd和IML分别由选择元件1-3XBJ的9流入和12端子流出,两电流相位差为180°,1-3XBJ执行元件JJ2动作,开放II母差动出口。Ij=I1+I2+I3+I4CT开路,区外故障IIIX-3X-43X-1X-21-3CQJ1-3XBJML9161312CT开路当发生区外故障时,差动保护会误动1RD2RDLJ0SJ1BSJ1BSJ1MCJ2MCJ3MCJZJ11CQJ2CQJ3CQJ1J12J13J1DK1J22J23J24MCJZJ2JJ3MCJ5MCJ7MCJXJLXJIXJIISJLJS1BSJ1FA1BSJMLJ4MCJ6MCJ8MCJ0102母差保护直流回路33相继动作回路MLJ3MCJ4MCJMLJ3MCJ4MCJ1YZJ2YZJ11SJ母联出口回路相继动作02011SJMLJZJXJ┳X-2X-13333111YQJ2YQJ2YQJ1YQJ1YZJ2YZJ1YZJ2YZJ3MCJ4MCJ3MCJ4MCJ3MCJ4MCJ3MCJ4MCJ母差保护出口回路相位比较式母联死区保护16故障点发生在母联开关和母联CT之间时,判为I母故障,切除母联开关和I母设备后,故障仍存在。此时由相继动作延时来切除II母设备,从而切除故障。两段母线都有故障点,也由相继动作来延时切除X-3X-41-3CQJX-2X-1ML91312微机型母联死区保护IIIIIIKK当K点发生故障时,I母差动保护先动作,跳开I母上的连接元件及母联开关。但此时故障仍不能切除。当检测到母联开关有跳位开入,自动封掉母联CT,破坏II母小差平衡,加速II母差动动作,切除故障。母联开关两侧都装设CT,不存在死区微机型死区保护动作示意11-3CQJX-3X-4X-2X-1MLxxx母联和I母元件跳开后,II母小差差流回路仍保持平衡微机型死区保护动作示意21-3CQJ当检测到母联开关有跳位开入,封掉母联CT,破坏II母小差平衡,加速II母差动动作,切除故障。X-3X-4X-2X-1MLxxx母线倒闸操作的注意事项1、倒母线前,将母差保护改为非自动方式。2、倒母线操作必须先合上母联开关,并取下母联开关的操作保险;3、倒母线操作应尽量采用先全部合上待合的母刀,再拉开全部需拉开的母刀;4、断开母联开关前,应检查母联电流为零,母刀切换指示正常;5、倒母结束后,应检查差回路中差流是否正常。

1、当您付费下载文档后,您只拥有了使用权限,并不意味着购买了版权,文档只能用于自身使用,不得用于其他商业用途(如 [转卖]进行直接盈利或[编辑后售卖]进行间接盈利)。
2、本站所有内容均由合作方或网友上传,本站不对文档的完整性、权威性及其观点立场正确性做任何保证或承诺!文档内容仅供研究参考,付费前请自行鉴别。
3、如文档内容存在违规,或者侵犯商业秘密、侵犯著作权等,请点击“违规举报”。

碎片内容

电流相位比较式母差保护

确认删除?
VIP
微信客服
  • 扫码咨询
会员Q群
  • 会员专属群点击这里加入QQ群
客服邮箱
回到顶部