电脑桌面
添加小米粒文库到电脑桌面
安装后可以在桌面快捷访问

洞道干燥实验VIP免费

洞道干燥实验_第1页
1/9
洞道干燥实验_第2页
2/9
洞道干燥实验_第3页
3/9
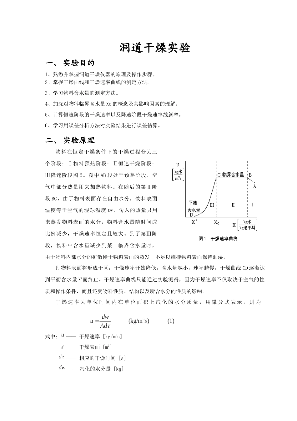
洞道干燥实验一、实验目的1、熟悉并掌握洞道干燥仪器的原理及操作步骤。2、掌握干燥曲线和干燥速率曲线的测定方法。3、学习物料含水量的测定方法。4、加深对物料临界含水量Xc的概念及其影响因素的理解。5、计算恒速阶段的干燥速率以及降速阶段干燥速率线斜率。6、学习用误差分析方法对实验结果进行误差估算。二、实验原理物料在恒定干燥条件下的干燥过程分为三个阶段:Ⅰ物料预热阶段;Ⅱ恒速干燥阶段;Ⅲ降速阶段图2。图中AB段处于预热阶段,空气中部分热量用来加热物料。在随后的第Ⅱ阶段BC,由于物料表面存在自由水分,物料表面温度等于空气的湿球温度tw,传入的热量只用来蒸发物料表面的水分,物料含水量随时间成比例减少,干燥速率恒定且较大。到了第Ⅲ阶段,物料中含水量减少到某一临界含水量时,由于物料内部水分的扩散慢于物料表面的蒸发,不足以维持物料表面保持润湿,则物料表面将形成干区,干燥速率开始降低,含水量越小,速率越慢,干燥曲线CD逐渐达到平衡含水量X*而终止。干燥速率曲线只能通过实验测得,因为干燥速率不仅取决于空气的性质和操作条件,而且还受物料性质、结构以及所含水分的性质的影响。干燥速率为单位时间内在单位面积上汽化的水分质量,用微分式表示,则为式中:——干燥速率[kg/m2s]A——干燥表面[m2]——相应的干燥时间[s]——汽化的水分量[kg]图1干燥速率曲线因为所以式(1)可改写为式中:——湿物料中绝干物料的质量[kg]——湿物料含水量[kg水/kg绝干料]负号表示物料含水量随干燥时间的增加而减少。式中:、——分别为时间间隔内开始和终了时湿物料的质量[kg]图2中的横坐标为相应于某干燥速率下的物料的平均含水量。以为纵坐标,某干燥速率下的湿物料的平均含水量为横坐标,即可绘出干燥速率曲线(见图2)。三、仪器与试剂与实验流程图实验装置为洞道式循环干燥器(见图2),其基本参数如下:洞道尺寸:长1.10米、宽0.125米、高0.180米;加热功率:500w—1500w;空气流量:1-5m3/min;干燥温度:40--120℃;天平:量程(0-200g),最小秤量值0.1g;干、湿球温度计。实验装置图四、实验步骤1、实验前量取试样尺寸(长、宽、高),并称量绝干物料的质量。2、将已知绝干质量的物料试样放入水中浸泡,稍候片刻取出,让水分均匀扩散至整个试样,然后称取湿试样质量。3、开启风机,调节风速调节阀至预定风速值。适当打开阀15、16,调好触点温度计至预定温度(这些一旦调整好后可以固定下来),开加热器。4、将晶体管继电器开关打开,并打开一组或二组辅助加热器。待温度接近预定温度时应注意观察,视情况增减辅助加热,避免“超温失控”或“欠温失控”,直至确信控制正常后,才让其自动运行。5、检查称重天平是否灵活,并调平衡。记下支架重量。待空气状态稳定后,打开干燥室门,将湿试样放到支架上。立刻加砝码使天平接近平衡,但砝码一边稍轻,待水分干燥至天平指针平衡时开动秒表。6、间隔一定时间后(根据干燥速率快慢,选择0.5min~2min),称量物料质量,记下干燥时间、干湿球温度计10和11读数、倾斜式压差计读数以及称量天平读数。如此往复进行,直至试样接近平衡水分为止(5min称量天平读数不变)。7、实验结束,先关电加热器,使系统冷却后再关风机,卸下试样,并收拾整理现场。五、实验数据及处理1、实验数据记录表1干燥速率曲线实验数据记录测湿球温度计干球温度计干球温度计10B干球温度计孔板流量干燥物称时间,s量点11读数,℃10A读数,℃读数,℃10C读数,℃计读数量,g172.881.275.858.927.513.40272.881.275.858.927.512.9209372.881.275.858.927.512.4329472.881.275.858.927.511.9441572.881.275.858.927.511.4551672.881.275.858.927.510.9656772.881.275.858.927.510.4759872.881.275.858.927.59.9867972.881.275.858.927.59.49731072.881.275.858.927.58.910771172.881.275.858.927.58.411941272.881.275.858.927.57.913081372.881.275.858.927.57.414181472.881.275.858.927.56.915411572.881.275.858.927.56.417031672.881.275.858.927.55.918911772.881.275.858.927.55.420681872.881.275.858.927.54.922841972.881.275.858.927.5...

1、当您付费下载文档后,您只拥有了使用权限,并不意味着购买了版权,文档只能用于自身使用,不得用于其他商业用途(如 [转卖]进行直接盈利或[编辑后售卖]进行间接盈利)。
2、本站所有内容均由合作方或网友上传,本站不对文档的完整性、权威性及其观点立场正确性做任何保证或承诺!文档内容仅供研究参考,付费前请自行鉴别。
3、如文档内容存在违规,或者侵犯商业秘密、侵犯著作权等,请点击“违规举报”。

碎片内容

洞道干燥实验

墨香书阁+ 关注
实名认证
内容提供者

热爱教学事业,对互联网知识分享很感兴趣

确认删除?
VIP
微信客服
  • 扫码咨询
会员Q群
  • 会员专属群点击这里加入QQ群
客服邮箱
回到顶部