电脑桌面
添加小米粒文库到电脑桌面
安装后可以在桌面快捷访问

MRP计算案例VIP免费

MRP计算案例_第1页
1/7
MRP计算案例_第2页
2/7
MRP计算案例_第3页
3/7
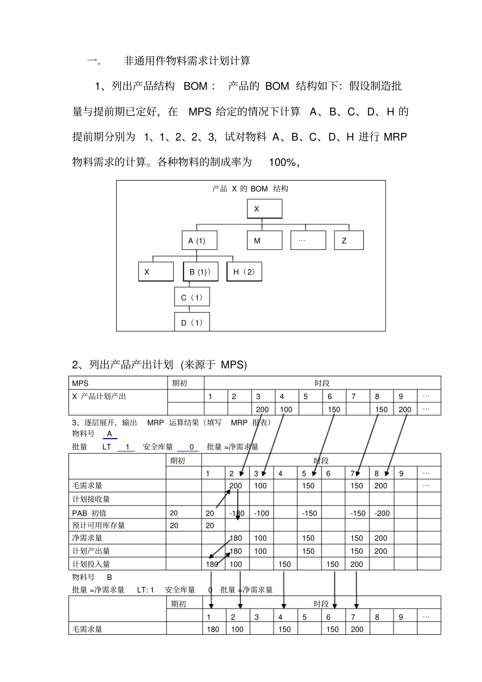
(同运算MPS类似)第1步:推算物料毛需求:考虑相关需求和低层码推算计划期的全部毛需求(由MPS决定)第2步:计算当期预计可用库存量:考虑已分配量当期预计可用库存量=现有量-已分配量第3步:推算PAB:考虑毛需求,推算特定时段的预计库存量。PAB初值=上期末预计可用库存量+计划接收量-毛需求量第4步:推算净需求量:考虑毛安全存库存量,推算特定时段的净需求量。若PAB初值>=安全库存量则NR=0否则NR=安全库存量–PAB初值第5步:推算计划产出量若NR>0则计划产出量=N*批量(注N为批量的倍数)满足:计划产出量>=净需求量>(N-1)*批量第6步推算预计可用库存量:计划产出量+PAB初值第7步:递增一个时段,分重复进行第3到第6步第8步:推算计划投入量:考虑提前期与制成率一.非通用件物料需求计划计算1、列出产品结构BOM:产品的BOM结构如下:假设制造批量与提前期已定好,在MPS给定的情况下计算A、B、C、D、H的提前期分别为1、1、2、2、3,试对物料A、B、C、D、H进行MRP物料需求的计算。各种物料的制成率为100%,2、列出产品产出计划(来源于MPS)MPS期初时段X产品计划产出123456789⋯200100150150200⋯3、逐层展开,输出MRP运算结果(填写MRP报表)物料号A批量LT1安全库量0批量=净需求量期初时段123456789⋯毛需求量200100150150200⋯计划接收量PAB初值2020-180-100-150-150-200预计可用库存量2020净需求量180100150150200计划产出量180100150150200计划投入量180100150150200物料号B批量=净需求量LT:1安全库量0批量=净需求量期初时段123456789⋯毛需求量180100150150200产品X的BOM结构XA(1)XB(1))H(2)M⋯ZC(1)D(1)计划接收量140PAB初值9050-50-150-150-200预计可用库存量9050净需求量50150150200计划产出量50150150200计划投入量50150150200物料号B批量=净需求量LT:1安全库量0批量=净需求量期初时段123456789⋯毛需求量180100150150200计划接收量140PAB初值9050-50-150-150-200预计可用库存量9050净需求量50150150200计划产出量50150150200计划投入量50150150200物料号C批量=200LT:2安全库量批量=净需求量期初时段123456789⋯毛需求量50150150200计划接收量PAB初值601010-14060-90-90预计可用库存量6060110110净需求量1409090计划产出量200200200计划投入量200200200物料号D批量200LT2安全库量批量=净需求量期初时段123456789⋯毛需求量200200200计划接收量200PAB初值-200-200预计可用库存量0净需求量200200计划产出量200200计划投入量200200物料号H批量400LT3安全库量批量=400期初时段123456789⋯毛需求量360200300300400计划接收量400PAB初值2006004040-260-160-160预计可用库存量24040140140240240净需求量260160160计划产出量400400400计划投入量400400400二、通用件的计算在企业产品中的BOM中,多个母项物料品目共用一个同一种物料,如下图中三中产品X、Y、Z中物料F,假设X、Y、Z、F、P、G、K、N的提前期分别为1、1、1、1、4、2、2、2,计算各种物料的投入量,(各子物料的制成率100%,MPS批量=净需求量,期初可用量库存量为0,安全库存量为0,计划接收量为0)MPS期初时段12345678910X产品计划产出量0100Y产品计划产出量0100YP(1)M(1)XF(1)ZF(2)G(1)F(1)K(1)N(1)F(1)F(1)Z产品计划产出量0200物料号P批量LT4安全库量0批量=净需求量期初时段12345678910毛需求量100计划接收量PAB初值-100预计可用库存量净需求量100计划产出量100计划投入量100物料号M批量=净需求量LT2安全库量0批量=净需求量期初时段12345678910毛需求量100计划接收量PAB初值20202020-80预计可用库存量20202020净需求量80计划产出量80计划投入量80物料号G批量LT2安全库量0批量=净需求量期初时段12345678910毛需求量200计划接收量PAB初值100100100100100100100100100-100预计可用库存量100100100100100100100100100净需求量100计划产出量100计划投入量100物料号K批量LT2安全库量0批量=净需求量期初时段123456789⋯毛需求量200计划接收量PAB初值101010101010101010-190预计可用库存量101010101010101010净需求量190计划产出量190计划投入量190物料号N批量200LT2安全库量0批量=200期初时段123456789⋯毛需求量190...

1、当您付费下载文档后,您只拥有了使用权限,并不意味着购买了版权,文档只能用于自身使用,不得用于其他商业用途(如 [转卖]进行直接盈利或[编辑后售卖]进行间接盈利)。
2、本站所有内容均由合作方或网友上传,本站不对文档的完整性、权威性及其观点立场正确性做任何保证或承诺!文档内容仅供研究参考,付费前请自行鉴别。
3、如文档内容存在违规,或者侵犯商业秘密、侵犯著作权等,请点击“违规举报”。

碎片内容

文库当当响+ 关注
实名认证
内容提供者

该用户很懒,什么也没介绍

确认删除?
VIP
微信客服
  • 扫码咨询
会员Q群
  • 会员专属群点击这里加入QQ群
客服邮箱
回到顶部