电脑桌面
添加小米粒文库到电脑桌面
安装后可以在桌面快捷访问

高中物理-2.6伽利略对自由落体运动的研究单元测试-新人教版必修1VIP免费

高中物理-2.6伽利略对自由落体运动的研究单元测试-新人教版必修1_第1页
1/4
高中物理-2.6伽利略对自由落体运动的研究单元测试-新人教版必修1_第2页
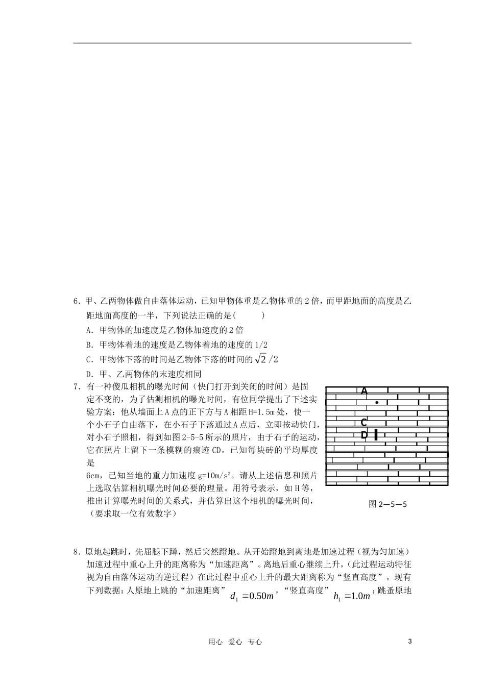
2/4
高中物理-2.6伽利略对自由落体运动的研究单元测试-新人教版必修1_第3页
3/4
2.6伽利略对自由落体运动的研究班级__________学号________姓名____________1.1591年,伽利略和他的两个学生带着两个不同质量的铅球(一个是另一个重量的10倍)登上了高为54.5米的比萨斜塔的顶部,如图2—5—1所示,自由释放这两个小球,结果两个球在同一瞬间砸向地面,伽利略这个实验意在说明:轻、重物体下落的_________一样(填“速度”或“加速度”)。2.伽利略对自由落体运动的研究,是科学实验和逻辑思维的完美结合,如图2—5—2所示,可大致表示其实验和思维的过程,对这一过程的分析,下列说法正确的是()A.其中的甲图是实验现象,丁图是经过合理的外推得到的结论B.其中的丁图是实验现象,甲图是经过合理的外推得到的结论C.运用甲图的实验,可“冲淡”重力的作用,使实验现象更明显D.运用丁图的实验,可“放大”重力的作用,使实验现象更明显用心爱心专心1图2—5—2丁甲乙丙图2—5—13.伽利略以前的学者认为:物体越重,下落得越快,伽利略等一些物理学家否定了这种看法(1)如图2—5—3所示:在一玻璃管中放中放一片羽毛和一个玻璃球,迅速导致玻璃管,可以看到,玻璃球先于羽毛达到底端,这主要是因为()A.它们的重量不同B.它们的密度不同C.它们的材料不同D.它们受到的空气阻力不同(2)在一高塔顶端释放大小相同的实心铁球和实心铅球,与此有关的下列说法中,正确的是()①它们受到的空气阻力不同②它们的加速度相同③它们落地的速度不同④它们下落的时间相同A.①③B.②④C.②D.③4.伽利略对运动的研究,不仅确立了许多用于描述运动的基本概念,而且创立了一套对近代科学的发展极为有益的科学方法,或者说给出了科学研究过程的基本要素,这些要素包含了以下几个环节:①对现象的一般观察;②________________;③运动逻辑得出结论;④________________;⑤对假设进行修正的推广;5.请将图2—5—4中三位科学的姓名按历史年代先后顺序排列:________、________、__________。通过查阅资料,简要写出他们在物理学上的主要贡献各一项:____________________________________________________________________________________________________________________________________________________________________用心爱心专心2图2—5—4牛顿伽利略爱因斯坦图2—5—36.甲、乙两物体做自由落体运动,已知甲物体重是乙物体重的2倍,而甲距地面的高度是乙距地面高度的一半,下列说法正确的是()A.甲物体的加速度是乙物体加速度的2倍B.甲物体着地的速度是乙物体着地的速度的1/2C.甲物体下落的时间是乙物体下落的时间的2/2D.甲、乙两物体的末速度相同7.有一种傻瓜相机的曝光时间(快门打开到关闭的时间)是固定不变的,为了估测相机的曝光时间,有位同学提出了下述实验方案:他从墙面上A点的正下方与A相距H=1.5m处,使一个小石子自由落下,在小石子下落通过A点后,立即按动快门,对小石子照相,得到如图2-5-5所示的照片,由于石子的运动,它在照片上留下一条模糊的痕迹CD。已知每块砖的平均厚度是6cm,已知当地的重力加速度g=10m/s2。请从上述信息和照片上选取估算相机曝光时间必要的理量。用符号表示,如H等,推出计算曝光时间的关系式,并估算出这个相机的曝光时间,(要求取一位有效数字)8.原地起跳时,先屈腿下蹲,然后突然蹬地。从开始蹬地到离地是加速过程(视为匀加速)加速过程中重心上升的距离称为“加速距离”。离地后重心继续上升,(此过程运动特征视为自由落体运动的逆过程)在此过程中重心上升的最大距离称为“竖直高度”。现有下列数据:人原地上跳的“加速距离”md50.01,“竖直高度”mh0.11;跳蚤原地用心爱心专心3ADC图2—5—5上跳的“加速距离”md00080.02,“竖直高度”mh10.02。假想人具有与跳蚤相等的起跳加速度,而“加速距离”仍为0.50m,则人上跳的“竖直高度”是多少?§2.5伽利略对自由落体运动的研究1.速度;2.AC;3.(1)D;(2)B;4.提出假设;通过实验对结论进行检验5.伽利略;牛顿;爱因斯坦;伽利略:建立了落体理论;牛顿:发现了万有引力;爱因斯坦:创立了相对论6.C7.0.02s8.用a表示跳蚤起跳的加速度,v表示离地时的...

1、当您付费下载文档后,您只拥有了使用权限,并不意味着购买了版权,文档只能用于自身使用,不得用于其他商业用途(如 [转卖]进行直接盈利或[编辑后售卖]进行间接盈利)。
2、本站所有内容均由合作方或网友上传,本站不对文档的完整性、权威性及其观点立场正确性做任何保证或承诺!文档内容仅供研究参考,付费前请自行鉴别。
3、如文档内容存在违规,或者侵犯商业秘密、侵犯著作权等,请点击“违规举报”。

碎片内容

高中物理-2.6伽利略对自由落体运动的研究单元测试-新人教版必修1

您可能关注的文档

中小学资料+ 关注
实名认证
内容提供者

精美课件,值得下载

确认删除?
VIP
微信客服
  • 扫码咨询
会员Q群
  • 会员专属群点击这里加入QQ群
客服邮箱
回到顶部