电脑桌面
添加小米粒文库到电脑桌面
安装后可以在桌面快捷访问

4.危险源辨识评估分级表VIP专享VIP免费

4.危险源辨识评估分级表_第1页
1/9
4.危险源辨识评估分级表_第2页
2/9
4.危险源辨识评估分级表_第3页
3/9
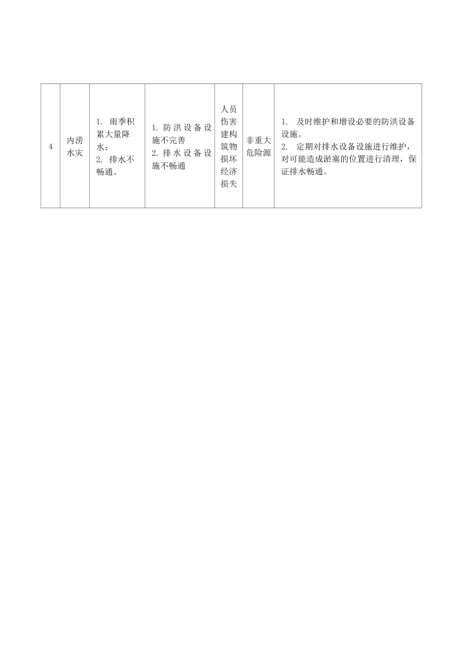
一、自然条件危险源辨识与风险评估序号危险因素触发事件形成事故原因事故后果危险等级防范措施1雷击触电1.夏季雷电季节季节自然直接雷击;2.雷电二次作用,沿着电气线路、金属管道侵入。1.厂区构建物未安装避雷设施;2.变电站变压器、电杆等未安装避雷器;3•避雷设施损坏、失效或人为拆除未恢复。人员伤亡建构筑物损坏供电中断经济损失非重大危险源1.安装避雷设施、避雷器;2.及时更换损坏、失效或恢复人为拆除的避雷设施。2高低温1.夏季酷暑,室外温度高达40°C以上;2.冬季寒冷,最低温度0C以下。1防暑降温用品未发放到位;2.空调、风扇等设备工作不正常;3.通风不畅通;4.防寒用品未发放到位。人员伤害非重大危险源1.加强防暑降温和防寒用品的管理;2.及时维修制热、制冷及通风设备;3地震1.断层错动;2.岩溶塌陷;3•陨石撞击;4.地函物质相变化。工程建(构)筑物设防等级低于所在区域地震烈度人员伤亡建构筑物损坏经济损失非重大危险源1.及时维护老化的建(构)筑物;2.定期对工作人员举行逃生演习,加强工作人员的防震能力;4内涝水灾1.雨季积累大量降水;2.排水不畅通。1.防洪设备设施不完善2.排水设备设施不畅通人员伤害建构筑物损坏经济损失非重大危险源1.及时维护和增设必要的防洪设备设施。2.定期对排水设备设施进行维护,对可能造成淤塞的位置进行清理,保证排水畅通。危险源辨识、评估编号:BZH9.1-1辨识负责人:审查负责人:危险源辨识、评估编号:BZH9.1-1辨识负责人:审查负责人:危险源辨识、评估编号:BZH9.1-1辨识负责人:审查负责人:危险源辨识、评估编号:BZH9.1-1危险源辨识、评估编号:BZH9.1-1五、供配电危险源辨识与风险评估序号危险因素触发事件形成事故原因事故后果危险等级防范措施1触电变电站设备1•防漏电保护装置失效;2•接地、接零装置失效;3.绝缘损坏;4.避雷系统失灵;5.未绝缘操作;6.未断开电源,取下熔断器;7•在刀闸手柄上未挂警示牌;8.超过遮拦的安全距离工作;9.送电与停电操作顺序颠倒;10.停电后未挂接地线;11.身体潮湿接触带电设备。财产损失、人员伤亡非重大危险源I.工作人员必须经过专门培训、考核,持证上岗;2•配电室地面铺橡胶板,电器设备的金属外壳采用保护性接零,安装防漏电保护器;3.配电室入口张贴“非工作人员禁止入内”的警示标志;4.定期检查避雷系统的效能;5.常规配备室内灭火器;6.严格按操作规程作业;7•检修时,应断开电源,取下熔断器,在闸板上挂“禁止合闸,有人工作”警示牌;&设置遮拦安全距离,并严格遵守;9•停电拉闸操作必须按照断路器(开关)一负荷侧隔离开关(刀闸)一母线侧隔离开关(刀闸)的顺序依次操作,送电合闸操作应按与上述相反的顺序进行。严禁带负荷拉合刀闸。要执行“两票”制度;10.电气设备的金属外壳必须接地,接地线要符合要求,带电设备不许断开外壳的接地线,电气施工应遵循电气安装规范;II.检修时要挂接地线;12.工作前,穿戴好劳动防护用品,检查工具、设备完好,正确使用劳动防护用品;13.身体潮湿时禁止使用电器设备。危险源辨识、评估编号:BZH9.1-1辨识负责人:审查负责人:危险源辨识、评估编号:BZH9.1-1

1、当您付费下载文档后,您只拥有了使用权限,并不意味着购买了版权,文档只能用于自身使用,不得用于其他商业用途(如 [转卖]进行直接盈利或[编辑后售卖]进行间接盈利)。
2、本站所有内容均由合作方或网友上传,本站不对文档的完整性、权威性及其观点立场正确性做任何保证或承诺!文档内容仅供研究参考,付费前请自行鉴别。
3、如文档内容存在违规,或者侵犯商业秘密、侵犯著作权等,请点击“违规举报”。

碎片内容

4.危险源辨识评估分级表

确认删除?
VIP
微信客服
  • 扫码咨询
会员Q群
  • 会员专属群点击这里加入QQ群
客服邮箱
回到顶部