电脑桌面
添加小米粒文库到电脑桌面
安装后可以在桌面快捷访问

《物质的制备》学案3VIP专享VIP免费

《物质的制备》学案3_第1页
1/4
《物质的制备》学案3_第2页
2/4
《物质的制备》学案3_第3页
3/4
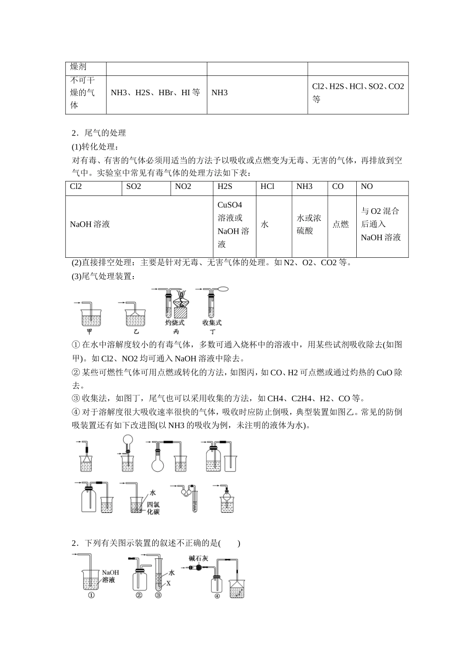
《物质的制备》学案1.二氧化硫具有还原性,浓硫酸具有强氧化性,能否用浓H2SO4干燥二氧化硫气体?2.如何除去CO2中混有的少量HCl气体?3.不能用浓H2SO4干燥的气体有哪些?4.NO有毒,能产生环境污染,如何除去尾气中的NO气体?5.能否用下图装置除去Cl2中的HCl气体?1.常见气体的净化方法和净化装置(1)常见气体的净化方法:气体的净化可分为物理方法和化学方法。遵循的原则:不损失主体气体,不引入新杂质。①物理方法:a.液化法:利用沸点不同从空气中分离出N2和O2。b.水洗法:利用溶解度不同从N2和NH3的混合气体中除去NH3;利用与H2O的反应从NO和NO2的混合气体中除去NO2。②化学方法:a.氧化还原法:通过灼热的铜丝网除去混合气体中的O2;通过灼热的CuO除去H2、CO等。b.酸碱法:将NH3和CO2的混合气体通过碱石灰除去CO2。c.沉淀法:除去CO2中的H2S可利用CuSO4溶液,H2S+CuSO4===CuS↓+H2SO4。(2)常见净化装置:a装置为加热固态试剂以除去气体中杂质的装置,为防止固体“流动”,两端用石棉或玻璃棉堵住,但要使气流通畅。b装置一般盛液体试剂,用于洗液。c装置一般盛固体试剂,用于气体除杂和定量计算。(3)常见干燥剂:液态干燥剂固态干燥剂装置常见干浓硫酸(酸性、强氧化性)无水氯化钙(中性)碱石灰(碱性)燥剂不可干燥的气体NH3、H2S、HBr、HI等NH3Cl2、H2S、HCl、SO2、CO2等2.尾气的处理(1)转化处理:对有毒、有害的气体必须用适当的方法予以吸收或点燃变为无毒、无害的气体,再排放到空气中。实验室中常见有毒气体的处理方法如下表:Cl2SO2NO2H2SHClNH3CONONaOH溶液CuSO4溶液或NaOH溶液水水或浓硫酸点燃与O2混合后通入NaOH溶液(2)直接排空处理:主要是针对无毒、无害气体的处理。如N2、O2、CO2等。(3)尾气处理装置:①在水中溶解度较小的有毒气体,多数可通入烧杯中的溶液中,用某些试剂吸收除去(如图甲)。如Cl2、NO2均可通入NaOH溶液中除去。②某些可燃性气体可用点燃或转化的方法,如图丙,如CO、H2可点燃或通过灼热的CuO除去。③收集法,如图丁,尾气也可以采用收集的方法,如CH4、C2H4、H2、CO等。④对于溶解度很大吸收速率很快的气体,吸收时应防止倒吸,典型装置如图乙。常见的防倒吸装置还有如下改进图(以NH3的吸收为例,未注明的液体为水)。2.下列有关图示装置的叙述不正确的是()A.装置①可用于吸收实验中多余的SO2B.装置②可用于收集H2、NH3、Cl2、NO2等C.装置③中X为苯,可用于吸收氨气或氯化氢D.装置④可用于收集NH3,并吸收多余的NH33.为制备干燥、纯净的CO2,将大理石和盐酸反应生成的气体先后通过装有下列物质的两个吸收装置,两个装置应依次装入()A.饱和NaHCO3溶液;碱石灰B.饱和NaHCO3溶液;浓硫酸C.浓硫酸;饱和NaHCO3溶液D.饱和Na2CO3溶液;浓硫酸4.实验室常用氢氧化钠溶液吸收氯化氢尾气,以防止环境污染。下列既能吸收尾气,又能防止溶液倒吸的装置是()5.(2012·四川高考)下图A、B、C为甲、乙两小组制取氨气时可能用到的装置,D为盛有浓硫酸的洗气瓶。甲、乙两小组选择了不同的方法制取氨气,请将实验装置的字母编号和制备原理填写在下表的空格中。实验装置实验药品制备原理甲小组A氢氧化钙、硫酸铵反应的化学方程式为:①________________________________________________________________________乙小组②________________________________________________________________________浓氨水、氢氧化钠用化学平衡原理分析氢氧化钠的作用:③________________________________________________________________________[迁移·发散·整合]一、高考还可能这样考1.用实验室制NH3的气体发生装置还可以制备哪些气体?其反应原理是什么?2.能否用加热分解NH4Cl制备NH3?解释原因。3.用浓盐酸和浓硫酸可以制备HCl,应选用哪个装置?4.制备Cl2时,连接好装置并检查气密性,后续操作是什么?5.如图为一种“随开随用,随关随停”的气体发生装置,利用该装置制备气体时,所制气体需要满足什么条件?二、相关实验知识归纳利用2012四川高考的装置(),实验室里还能制取的气体有:(1)H2:Zn——稀H2SO4(2)CO2:CaCO3——稀盐酸(3)O2:H2O2——MnO2或Na2O2——H2O(4)Cl2:KMnO4——浓盐酸(5)SO2:Na2SO3——H2SO4(6)NO:Cu——稀HNO3(7)NO2:Cu——浓HNO3。

1、当您付费下载文档后,您只拥有了使用权限,并不意味着购买了版权,文档只能用于自身使用,不得用于其他商业用途(如 [转卖]进行直接盈利或[编辑后售卖]进行间接盈利)。
2、本站所有内容均由合作方或网友上传,本站不对文档的完整性、权威性及其观点立场正确性做任何保证或承诺!文档内容仅供研究参考,付费前请自行鉴别。
3、如文档内容存在违规,或者侵犯商业秘密、侵犯著作权等,请点击“违规举报”。

碎片内容

《物质的制备》学案3

您可能关注的文档

精华资料店+ 关注
实名认证
内容提供者

大量教育教学资料

确认删除?
VIP
微信客服
  • 扫码咨询
会员Q群
  • 会员专属群点击这里加入QQ群
客服邮箱
回到顶部