电脑桌面
添加小米粒文库到电脑桌面
安装后可以在桌面快捷访问

制造基础习题及答案3章VIP免费

制造基础习题及答案3章_第1页
1/17
制造基础习题及答案3章_第2页
2/17
制造基础习题及答案3章_第3页
3/17
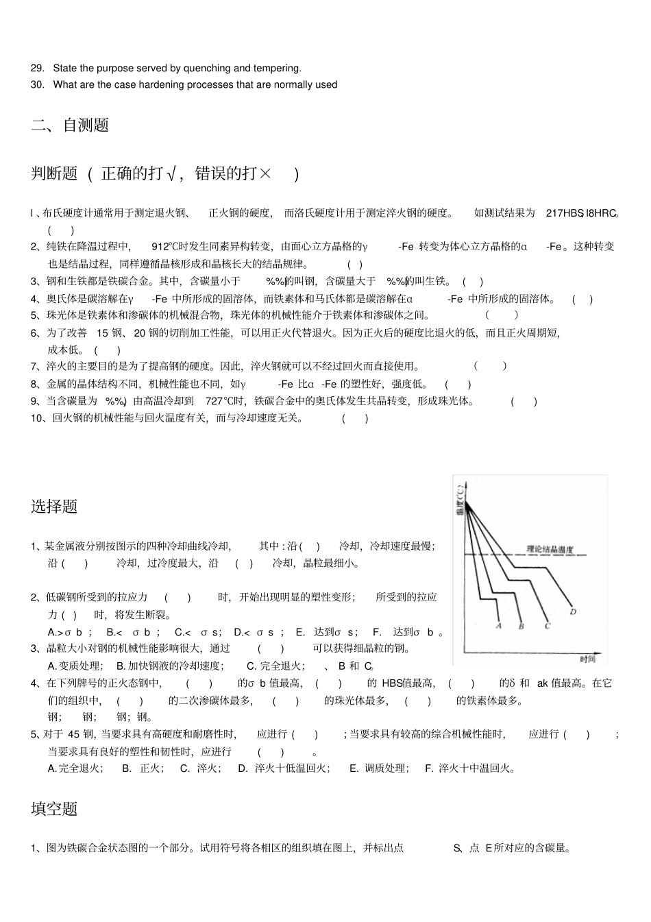
第一章工程材料导论练习题一、思考题1.布氏和洛氏硬度法各有什么优缺点下列情况应采用那种硬度法来检查其硬度库存钢材硬质合金刀头锻件台虎钳钳口2.下列符号所表示的力学性能指标的名称和含义是什么σb;σs ;σ ;δ ;ɑk;HRC;HBS;HBW 3.将钟表发条拉成一条直线,这是弹性变形还是塑性变形4.Define strength. Explain the procedure for measuring the tensile strength of steel.5.Explain the behavior of steels when they are tensile loaded.6.Define the following as related to engineering materials and explain the principles of their measurement. (a) Hardness; (b) Ductility7.Briefly explain the Brinell hardness test.8.Explain how the toughness of a material is measured9.What are the different tests available for hardness measurement Compare their individual merits.10.仓库中混存了相同规格的20 钢、 45 钢和 T10 圆钢,请提出一种最为简便的区分方法。11.现拟制造如下产品,请从碳素钢中选出适用的钢号:六角螺钉车床主轴钳工錾子液化石油气罐活搬手脸盆自行车弹簧钢锉门窗合页12.钢和铁在成分和组织上有什么主要区别磷和硫作为钢铁的一般杂质时,对钢铁性能有什么影响13.T10A和 9SiCr 各属什么钢种 , 含碳量分别是多少它们在使用上有何区别下列工具应分别选用它们中的哪一种①机用丝锥②木工刨刀 ( 手工 ) ③钳工手锯条④手工绞刀⑤量具 .14.State the difference between steel and cast iron, with respect to their compositions.15.State the reason as to why white cast iron is more brittle than grey cast iron.16.State how the carbon content influences the strength and ductility of plain carbon steels.17.State the ranges of composition for low, medium and high carbon steels. Give two applications for each range.18.Write the composition of the following steels:20, 75, Tl0A, 30CrMnSi, 38CrMoAlA, 40CrNiMn, 60Si2Mn, 9Mn2V, CrWMn, W18Cr4V, W6Mo5Cr4V2, lCrl8Ni9Ti.19.某产品上的铸铁件壁厚计有5、20、52mm三种,机械性能全部要求σb=150Mpa,若全部选用HT150是否正确20.下列铸件宜选用那类铸造合金说...

1、当您付费下载文档后,您只拥有了使用权限,并不意味着购买了版权,文档只能用于自身使用,不得用于其他商业用途(如 [转卖]进行直接盈利或[编辑后售卖]进行间接盈利)。
2、本站所有内容均由合作方或网友上传,本站不对文档的完整性、权威性及其观点立场正确性做任何保证或承诺!文档内容仅供研究参考,付费前请自行鉴别。
3、如文档内容存在违规,或者侵犯商业秘密、侵犯著作权等,请点击“违规举报”。

碎片内容

制造基础习题及答案3章

文库当当响+ 关注
实名认证
内容提供者

该用户很懒,什么也没介绍

确认删除?
VIP
微信客服
  • 扫码咨询
会员Q群
  • 会员专属群点击这里加入QQ群
客服邮箱
回到顶部