电脑桌面
添加小米粒文库到电脑桌面
安装后可以在桌面快捷访问

智能电表保护方案-以上海唐辉电子有限公司某专案为例说开去VIP专享VIP免费

智能电表保护方案-以上海唐辉电子有限公司某专案为例说开去_第1页
1/7
智能电表保护方案-以上海唐辉电子有限公司某专案为例说开去_第2页
2/7
智能电表保护方案-以上海唐辉电子有限公司某专案为例说开去_第3页
3/7
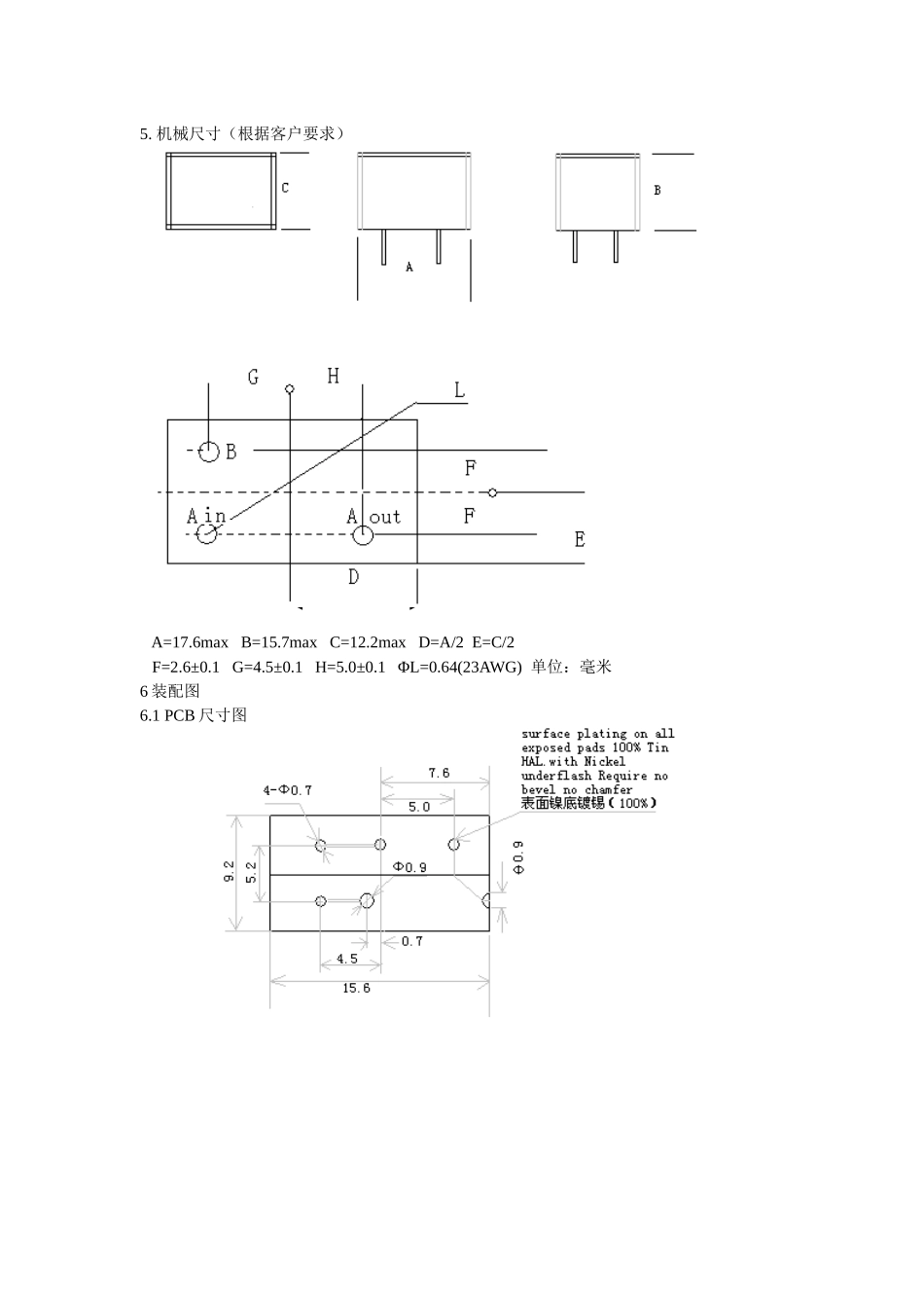
上海唐辉电子智能电表保护方案Epower diagram1. 工作原理图 2. 作用与功能 应用于电表 RS485 接口的横向保护,提供 6Kv 雷击(10/700)、浪涌(8/20)以及600vAC 错接和电力线搭碰保护。3. 电性参数项目测试条件交收标准R(A-in~A-out)100~200Ω输出电压 UoUi=20v, Ii=10mA, T≤15s6.45~7.15v4. 保护性测试及交收标准 项目测试条件交收标准K.21 10/700雷击使用雷击波形发生器,设置其雷击波形为电压(10/700us),开路峰值电压 1.5Kv,短路峰值电路 37.5A。保护模块数据线间进行 10 雷击冲击,每次间隔 60s,雷击极性每次正负交替。 Uout≤12v浪涌使 用 雷 击 发 生 器 , 设 置 雷 击 波 形 为 电 压(1.2/50us)、电流(8/20us)组合波,开路峰值电压 6Kv,短路峰值电流 140A。保护模块数据线间进行 10 次雷击冲击,每次间隔 60s,雷击极性每次正负交替。 Uout≤12v搭碰试验试验电压 U =220v,频率 50Hz,持续时间 15分钟。设置模拟负载为电阻 600Ω。实验中模块和模拟负载不应着火或变形,实验一小时模块的 A-in 和 A-out 之间电阻不应超过 16Ω,试验后模拟负载未被损坏(TBD)。感应试验试验电压 U(600v+600Ω),持续时间 8 分钟。设置模拟负载为电阻 600Ω。5. 机械尺寸(根据客户要求) A=17.6max B=15.7max C=12.2max D=A/2 E=C/2 F=2.6±0.1 G=4.5±0.1 H=5.0±0.1 ΦL=0.64(23AWG) 单位:毫米6 装配图6.1 PCB 尺寸图6.2 外壳尺寸 壁厚:0.8max(毫米) A=17.6max B=15.7max C=12.2max7. 测试结果7.1 K.21 10/700 雷击 实时测试中,在满足输入要求时,测得输出电压约为 8v。符合性能要求。输出波形见下图:7.2 浪涌测试 实时测试中,在模块前端串接一个 200Ω 的电阻,在满足输入条件时,测得输出电压在8.2~8.4v 之间,符合性能要求。输出波形见下图: 7.3 电力线搭碰测试 7.3.1 搭碰电压试验每个保护器件传输线间测试要求如下:试验电压:Ua.c.r.m.s=220v,频率 50Hz;持续时间:15 分钟;试验次数:K 每位置一次; 220v 搭碰电压试验,满足输入要求时,输出端电压值为 3.8v,持续 15 分钟后电压值减为 3.3v。实验一小时后 TVS 管和负载电阻性能良好,未被损坏。7.3.2 感应电压试验感应电压试验(600v+600Ω)。满足其输入条件,测试其输出端电压值为 2.5v,3 分钟后减为 2.2v。持续 8 分钟,其性能测试依然良好,符合要求。

1、当您付费下载文档后,您只拥有了使用权限,并不意味着购买了版权,文档只能用于自身使用,不得用于其他商业用途(如 [转卖]进行直接盈利或[编辑后售卖]进行间接盈利)。
2、本站所有内容均由合作方或网友上传,本站不对文档的完整性、权威性及其观点立场正确性做任何保证或承诺!文档内容仅供研究参考,付费前请自行鉴别。
3、如文档内容存在违规,或者侵犯商业秘密、侵犯著作权等,请点击“违规举报”。

碎片内容

智能电表保护方案-以上海唐辉电子有限公司某专案为例说开去

确认删除?
VIP
微信客服
  • 扫码咨询
会员Q群
  • 会员专属群点击这里加入QQ群
客服邮箱
回到顶部