电脑桌面
添加小米粒文库到电脑桌面
安装后可以在桌面快捷访问

演播室装修建设标准VIP免费

演播室装修建设标准_第1页
1/6
演播室装修建设标准_第2页
2/6
演播室装修建设标准_第3页
3/6
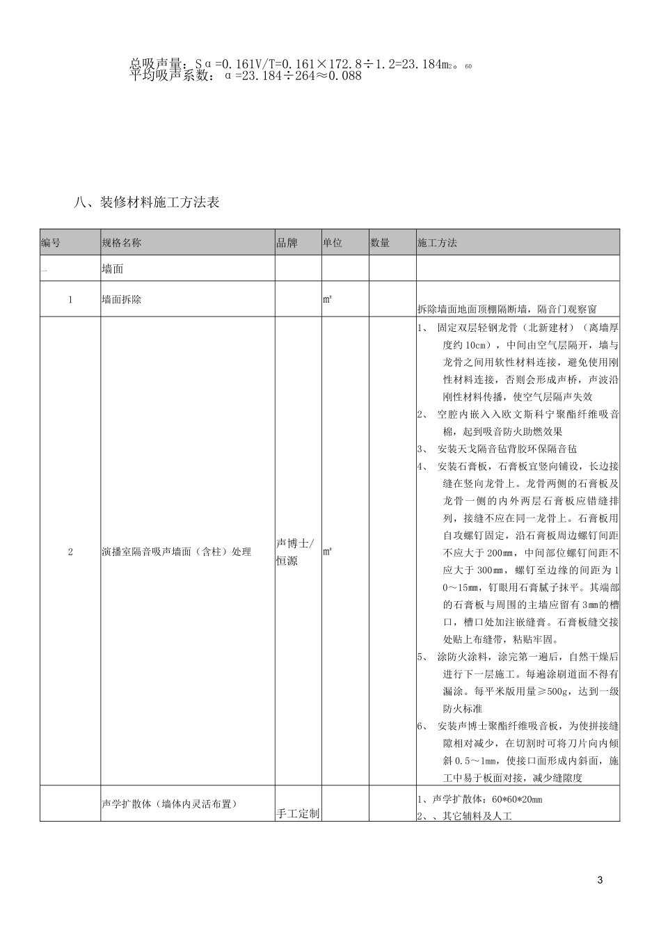
1融媒体演播室声学装修实施标准一、声学装修设计主要项目:演播室,用于新闻及访谈节目录制及播出。建筑平面成长方形,建筑尺寸:9.6m(长)×7.2m(宽)×3.6(高)m。建筑面积:69m2。四周墙面采用吸声浮箱体结构布局。控制室采用隔断隔音吸音墙结构,演播室采用钢质甲级防火隔音门。二、声学装修设计主要内容:1.演播室空间的主要声学技术指标,即最佳混响时间及混响频率特性及噪声评价曲线标准。2.设计计算提出演播室技术用房内声学装修设计所需配置的总吸声量(吸声单位)。3.提出声吸收及声扩散处理的设计配置方案,满足音质及装修的设计要求。4.提出符合防火、装饰及声学要求的各类声学处理材料及其结构形式方案。5.提出满足声学技术用房空气声及固体声隔绝的隔声设计要求及措施。三、装修方案设计技术依据:1.融媒体演播室有关建筑平面图。2.GYJ26-86 广电总局标《有线广播录、播音室声学设计规范和技术用房技术要求》。3.GYJ42-89 广电总局标《广播电视中心技术用房容许噪声标准》。4.GY33-88 广电总局标《广播电视工程建筑设计防火标准》。5. GYJ26-86 广电总局标《录音室的混响时间及频率特性》。四、建声设计主要技术措施:1.主要演播用房有合理的平面位置,尽量避免与噪声及振动的房间为邻。2.尽可能使演播室有合适的平剖面体形及长宽高比例,避免在室内产生颤动回声及驻波等声缺陷问题。建声设计将结合装修作一定的调整,并采用一定的声扩散处理,为获得良好的音质创造必要条件。3.根据演播室等技术用房的混响时间频率的特性及总吸声量的需要,并结合装修美观要求,在技术用房内墙面及天花将设计配置不同材料及形式的吸声结构,不同形式的声扩散体,使各技术用房达到预期的混响特性要求。4.声学设计中对声吸收和声扩散处理的均采用分散和均匀配置的原则,既满足室内装修,又利于改善室内声场扩散特性。25.所有设计所选用的隔声材料均满足阻燃、防火的特性,以达到消防规定的有关要求。6.设计采用的甲级防火隔声门要求隔声指数 45dB(演播室);隔声观察窗隔声指数要求La35~40dB。五、声学装修设计方案主要采用的隔声材料及吸声材料:1.U75 轻钢龙骨及其配套材料。2.玻璃丝棉(密度 18~24kg/m3,厚度数 50mm)。3.阻燃透声织物面料(幅宽 1.2m~1.4m,氧指数 32)。4.木工板5.屏蔽钢丝网6.吸声木质穿孔板六、演播室建声方案的配置:1.演播室功能及建声设计要求:功能:中、小型新...

1、当您付费下载文档后,您只拥有了使用权限,并不意味着购买了版权,文档只能用于自身使用,不得用于其他商业用途(如 [转卖]进行直接盈利或[编辑后售卖]进行间接盈利)。
2、本站所有内容均由合作方或网友上传,本站不对文档的完整性、权威性及其观点立场正确性做任何保证或承诺!文档内容仅供研究参考,付费前请自行鉴别。
3、如文档内容存在违规,或者侵犯商业秘密、侵犯著作权等,请点击“违规举报”。

碎片内容

演播室装修建设标准

您可能关注的文档

确认删除?
VIP
微信客服
  • 扫码咨询
会员Q群
  • 会员专属群点击这里加入QQ群
客服邮箱
回到顶部