电脑桌面
添加小米粒文库到电脑桌面
安装后可以在桌面快捷访问

功率磁性元件如何广泛用于电力电子装置中VIP免费

功率磁性元件如何广泛用于电力电子装置中_第1页
1/7
功率磁性元件如何广泛用于电力电子装置中_第2页
2/7
功率磁性元件如何广泛用于电力电子装置中_第3页
3/7
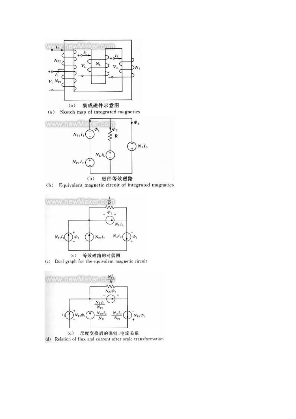
摘 要:功率磁性元件广泛用于电力电子装置中,它担负着磁能的传递、储存以及滤波和电气隔离等功能,采用磁集成技术可以有效地减小磁性元件的体积和损耗,提高功率密度和工作效率,改善输出纹波.本文综述了磁集成的概念、分析方法及其在电力电子中的应用. 关键词:磁集成;电力电子;变换器;应用 1 前言 功率磁性元件是所有电力电子装置中必不可少的关键器件.它担负着磁能的传递、储存以及滤波和电气隔离等功能,其体积和重量一般占到整个电路的 20%至 30%,损耗约占总损耗的 30%.同时,磁性元件的各参数对电路的性能影响很大,如变压器漏感对电压尖峰的影响,变压器原、副边绕组的耦合电容对隔离性能的影响.因此,磁性器件的研究对于减小电力电子装置的体积和重量、提高电压调制性能有十分重要的意义. 近年来,随着开关器件和软开关技术的发展,人们通常采用提高工作频率的办法实现开关电 源的小型化,但是受到磁性器件特性的限制,高频化的方法有一定局限性.因为提高工作频率,会使磁性器件的磁芯损耗显著增加,所以在高频工作时磁性器件的磁芯一般要降额使用,磁芯的工作磁密远小于其饱和磁密,限制了磁性器件体积的进一步减小.为了能进一步减小磁性器件的体积、重量和损耗,提高磁件性能,人们研究了磁集成技术,并将其应用于电力电子磁性器件的设计中. 2 磁集成技术 2.1 磁集成技术的发展现状 自从 Cuk 第一次提出了磁件集成化[1,2]的思想后,磁集成的概念不断扩展,这一技术发展很快[3],已成为电力电子行业发展的一个趋势.近几年,随着电力电子技术高频磁技术的不断发展,磁集成技术已经发展成为电力电子技术的一个分支,国外很多研究人员致力于这方面的研究,但国内的研究和应用还处于起步阶段. 2.2 磁集成技术的定义和特点 集成磁件实际上包含两方面含义[4,5]:一是将多个磁性元件集成在一个磁芯结构上,充分利用各个磁件在具体电路拓扑中的电压、电流关系以及磁路拓扑中的磁通、磁势关系,实现多个磁件的集成,以减小体积,提高开关电源的功率密度、降低损耗、改善输出滤波效果(例如将两个或多个电感器绕制在一个磁芯上);二是将磁性元件与线路板结合(例如直接将磁件的绕组制造在线路板上,采用厚膜技术将磁芯和绕组制造在硅片上等).本文主要讨论第一类问题. 在电力电子中,磁集成技术主要应用于开关电源和 UPS 逆变器中,有以下优点:(1)减少开关电源中器件的数量;(2)使集成磁件的最大工作磁密小于各分立磁件的磁密和,以减小磁件磁芯的截面积,从而减小磁件磁...

1、当您付费下载文档后,您只拥有了使用权限,并不意味着购买了版权,文档只能用于自身使用,不得用于其他商业用途(如 [转卖]进行直接盈利或[编辑后售卖]进行间接盈利)。
2、本站所有内容均由合作方或网友上传,本站不对文档的完整性、权威性及其观点立场正确性做任何保证或承诺!文档内容仅供研究参考,付费前请自行鉴别。
3、如文档内容存在违规,或者侵犯商业秘密、侵犯著作权等,请点击“违规举报”。

碎片内容

功率磁性元件如何广泛用于电力电子装置中

确认删除?
VIP
微信客服
  • 扫码咨询
会员Q群
  • 会员专属群点击这里加入QQ群
客服邮箱
回到顶部