电脑桌面
添加小米粒文库到电脑桌面
安装后可以在桌面快捷访问

1311焊接符号表示方法正文VIP免费

1311焊接符号表示方法正文_第1页
1/23
1311焊接符号表示方法正文_第2页
2/23
1311焊接符号表示方法正文_第3页
3/23
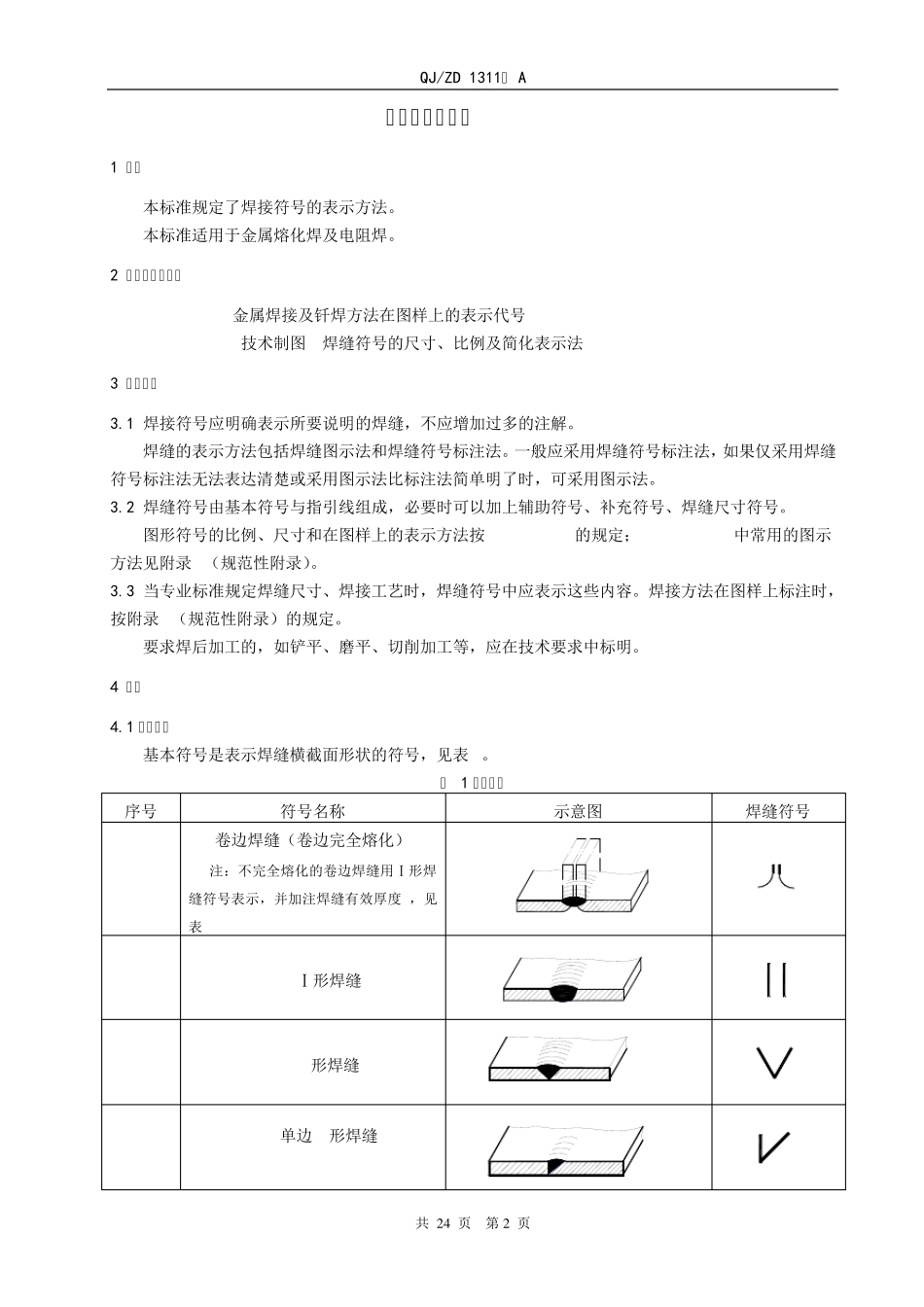
QJ/ZD 1311- A 共 2 4 页 第 2 页 焊接符号表示法 1 范围 本标准规定了焊接符号的表示方法。 本标准适用于金属熔化焊及电阻焊。 2 规范性引用文件 GB/T 5185 金属焊接及钎焊方法在图样上的表示代号 GB/T 12212 技术制图 焊缝符号的尺寸、比例及简化表示法 3 基本要求 3.1 焊接符号应明确表示所要说明的焊缝,不应增加过多的注解。 焊缝的表示方法包括焊缝图示法和焊缝符号标注法。一般应采用焊缝符号标注法,如果仅采用焊缝符号标注法无法表达清楚或采用图示法比标注法简单明了时,可采用图示法。 3.2 焊缝符号由基本符号与指引线组成,必要时可以加上辅助符号、补充符号、焊缝尺寸符号。 图形符号的比例、尺寸和在图样上的表示方法按 GB/T 12212的规定; GB/T 12212中常用的图示方法见附录 C(规范性附录)。 3.3 当专业标准规定焊缝尺寸、焊接工艺时,焊缝符号中应表示这些内容。焊接方法在图样上标注时,按附录 B(规范性附录)的规定。 要求焊后加工的,如铲平、磨平、切削加工等,应在技术要求中标明。 4 符号 4.1 基本符号 基本符号是表示焊缝横截面形状的符号,见表 1。 表 1 基本符号 序号 符号名称 示意图 焊缝符号 1 卷边焊缝(卷边完全熔化) 注:不完全熔化的卷边焊缝用Ⅰ形焊缝符号表示,并加注焊缝有效厚度S,见表 7 2 Ⅰ形焊缝 3 V形焊缝 4 单边V形焊缝 QJ/ZD 1311- A 共 2 4 页 第3 页 表 1(续) 序号 符号名称 示意图 焊缝符号 5 带钝边V形焊缝 6 带钝边单边V形焊缝 7 带钝边U形焊缝 8 带钝边J形焊缝 9 封底焊缝 10 角焊缝 11 塞焊缝或槽焊缝 12 点焊缝 13 缝焊缝 4.2 辅助符号 4.2.1 辅助符号是表示焊缝表面形状特征的符号,见表2。 QJ/ZD 1311- A 共 2 4 页 第4 页 表 2 辅助符号 序号 符号名称 示意图 符号 说明 1 平面符号 焊缝表面平齐 2 凹面符号 焊缝表面凹陷 3 凸面符号 焊缝表面凸起 注:不需要确切地说明焊缝的表面形状时,可以不用辅助符号。 4.2.2 辅助符号应用示例见表3。 表 3 辅助符号应用示例 序号 符号名称 示意图 符号 1 平面V形对接焊缝 2 凸面X形对接焊缝 3 凹面角焊缝 4 平面封底 V形焊缝 QJ/ZD 1311- A 共 2 4 页 第5 页 4.3 补充符号 补充符号是补充说明焊缝的某些特征而采用的符号,补充符号见表4。 焊接工艺方法符号见GB/T 518...

1、当您付费下载文档后,您只拥有了使用权限,并不意味着购买了版权,文档只能用于自身使用,不得用于其他商业用途(如 [转卖]进行直接盈利或[编辑后售卖]进行间接盈利)。
2、本站所有内容均由合作方或网友上传,本站不对文档的完整性、权威性及其观点立场正确性做任何保证或承诺!文档内容仅供研究参考,付费前请自行鉴别。
3、如文档内容存在违规,或者侵犯商业秘密、侵犯著作权等,请点击“违规举报”。

碎片内容

1311焊接符号表示方法正文

小辰8+ 关注
实名认证
内容提供者

出售各种资料和文档

相关文档

确认删除?
VIP
微信客服
  • 扫码咨询
会员Q群
  • 会员专属群点击这里加入QQ群
客服邮箱
回到顶部