电脑桌面
添加小米粒文库到电脑桌面
安装后可以在桌面快捷访问

NEMA电机标准VIP免费

NEMA电机标准_第1页
1/26
NEMA电机标准_第2页
2/26
NEMA电机标准_第3页
3/26
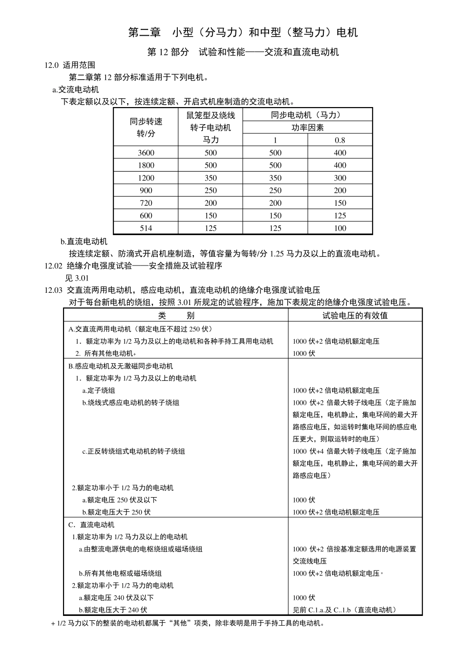
美国标准 N E M A 电动机和发电机 NEMA MG1-1993 国家机械局西安微电机研究所 河北电机股份有限公司 一九九九年五月 第二章 小型(分马力)和中型(整马力)电机 第12 部分 试验和性能——交流和直流电动机 12.0 适用范围 第二章第12 部分标准适用于下列电机。 a.交流电动机 下表定额以及以下,按连续定额、开启式机座制造的交流电动机。 同步转速 转/分 鼠笼型及绕线转子电动机 马力 同步电动机(马力) 功率因素 1 0.8 3600 500 500 400 1800 500 500 400 1200 350 350 300 900 250 250 200 720 200 200 150 600 150 150 125 514 125 125 100 b.直流电动机 按连续定额、防滴式开启机座制造,等值容量为每转/分1.25 马力及以上的直流电动机。 12.02 绝缘介电强度试验——安全措施及试验程序 见 3.01 12.03 交直流两用电动机,感应电动机,直流电动机的绝缘介电强度试验电压 对于每台新电机的绕组,按照 3.01 所规定的试验程序,施加下表规定的绝缘介电强度试验电压。 类 别 试验电压的有效值 A.交直流两用电动机(额定电压不超过 250 伏) 1.额定功率为 1/2 马力及以上的电动机和各种手持工具用电动机 2. 所有其他电动机+ 1000 伏+2 倍电动机额定电压 1000 伏 B.感应电动机及无激磁同步电动机 1.额定功率为 1/2 马力及以上的电动机 a.定子绕组 b.绕线式感应电动机的转子绕组 c.正反转绕组式电动机的转子绕组 2.额定功率小于 1/2 马力的电动机 a.额定电压 250 伏及以下 b.额定电压大于 250 伏 1000 伏+2 倍电动机额定电压 1000 伏+2 倍最大转子线电压(定子施加额定电压,电机静止,集电环间的最大开路感应电压,如运转时集电环间的感应电压更大,则取运转时的电压) 1000 伏+4 倍最大转子线电压(定子施加额定电压,电机静止,集电环间的最大开路感应电压) 1000 伏 1000 伏+2 倍电动机额定电压 C.直流电动机 1.额定功率为 1/2 马力及以上的电动机 a.由整流电源供电的电枢绕组或磁场绕组 b.所有其他电枢或磁场绕组 2.额定功率小于 1/2 马力的电动机 a.额定电压 240 伏及以下 b.额定电压大于 240 伏 1000 伏+2 倍按基准定额选用的电源装置交流线电压 1000 伏+2 倍电动机额定电压 * 1000 伏 见前 C.1.a.及 C..1.b(直流电动机) + 1/2 马力以下的整装的电动机都属于“其他”项类,除非表明...

1、当您付费下载文档后,您只拥有了使用权限,并不意味着购买了版权,文档只能用于自身使用,不得用于其他商业用途(如 [转卖]进行直接盈利或[编辑后售卖]进行间接盈利)。
2、本站所有内容均由合作方或网友上传,本站不对文档的完整性、权威性及其观点立场正确性做任何保证或承诺!文档内容仅供研究参考,付费前请自行鉴别。
3、如文档内容存在违规,或者侵犯商业秘密、侵犯著作权等,请点击“违规举报”。

碎片内容

NEMA电机标准

您可能关注的文档

确认删除?
VIP
微信客服
  • 扫码咨询
会员Q群
  • 会员专属群点击这里加入QQ群
客服邮箱
回到顶部