电脑桌面
添加小米粒文库到电脑桌面
安装后可以在桌面快捷访问

NBT47013修改单VIP免费

NBT47013修改单_第1页
1/12
NBT47013修改单_第2页
2/12
NBT47013修改单_第3页
3/12
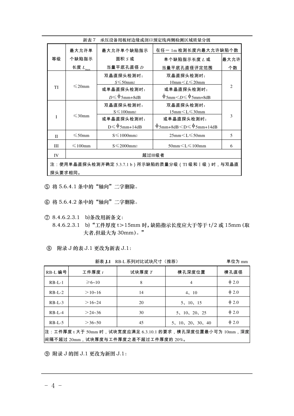
- 2 - 附件 行业标准修改通知单 NB/T 47013.2-2015 《承压设备无损检测 第 2 部分:射线检测》 第 1 号修改单 本修改单经国家能源局于 2018 年 5 月 14 日以第 7 号公告批准,自 2018 年 7 月 1日起实施。 ① 第 2 章第十三行中更改标准号: “JB/T 5075”更改为“GB/T 23910”。 ② 4.2.6.1 条第一行中更改标准号: “JB/T 5075”更改为“GB/T 23910”。 ③ 5.5.6.3 条后补充新条文,5.5.6.4: “不要求 100%检测的小径管环向焊接接头的透照次数由合同双方商定”。 ④ 7.1.1 条改用新条文: 7.1.1“本条适用于壁厚 T≥2mm,材质为钢、镍及镍合金、铜及铜合金的承压设备管子及压力管道熔化焊对接环向焊接接头射线检测结果评定和质量分级,适用的焊接接头的型式包括沿焊缝根部全长有紧贴基本金属的垫板的单面焊对接焊缝和不加垫板的单面焊对接焊缝。对于熔化焊对接纵向焊接接头(包括螺旋焊)按照第 6 章的规定执行”。 ⑤ 7.2.1 条改用新条文: 7.2.1“本条适用于壁厚 T≥2mm,材质为铝及铝合金的承压设备管子及压力管道熔化焊对接环向焊接接头射线检测结果评定和质量分级,适用的焊接接头的型式包括沿焊缝根部全长有紧贴基本金属的垫板的单面焊对接焊缝和不加垫板的单面焊对接焊缝。对于熔化焊对接纵向焊接接头(包括螺旋焊)按照第 6 章的规定执行”。 ⑥ 7.3.1 条改用新条文: 7.3.1“本条适用于壁厚 T≥2mm,材质为钛及钛基合金的承压设备管子及压力管道熔化焊对接环向焊接接头射线检测结果评定和质量分级,适用的焊接接头的型式包括沿焊缝根部全长有紧贴基本金属的垫板的单面焊对接焊缝和不加垫板的单面焊对接焊缝。对于熔化焊对接纵向焊接接头(包括螺旋焊)按照第 6 章的规定执行。” - 3 - 行业标准修改通知单 NB/T 47013.3-2015 《承压设备无损检测 第 3 部分:超声检测》 第 1 号修改单 本修改单经国家能源局于 2018 年 5 月 14 日以第 7 号公告批准,自 2018 年 7 月 1日起实施。 ① 5.3.3.1.1 条改用新条文: 5.3.3.1.1 “直探头选用一般应按表 3 的规定进行。在满足 5.3 条规定的灵敏度及缺陷判定的基础上,也可以选用其他型式的探头,如双晶直探头或多晶直探头(含板材厚度>60mm 时)。” ② 5.3.9.2 第一行中更改质量分级级别: “Ⅴ级”更改为“Ⅳ级”。 ③ 表 6 更改为新表 6: 新表 6 承压设备用板材中部...

1、当您付费下载文档后,您只拥有了使用权限,并不意味着购买了版权,文档只能用于自身使用,不得用于其他商业用途(如 [转卖]进行直接盈利或[编辑后售卖]进行间接盈利)。
2、本站所有内容均由合作方或网友上传,本站不对文档的完整性、权威性及其观点立场正确性做任何保证或承诺!文档内容仅供研究参考,付费前请自行鉴别。
3、如文档内容存在违规,或者侵犯商业秘密、侵犯著作权等,请点击“违规举报”。

碎片内容

NBT47013修改单

您可能关注的文档

确认删除?
VIP
微信客服
  • 扫码咨询
会员Q群
  • 会员专属群点击这里加入QQ群
客服邮箱
回到顶部