电脑桌面
添加小米粒文库到电脑桌面
安装后可以在桌面快捷访问

QCT291062004线束标准VIP专享VIP免费

QCT291062004线束标准_第1页
1/12
QCT291062004线束标准_第2页
2/12
QCT291062004线束标准_第3页
3/12
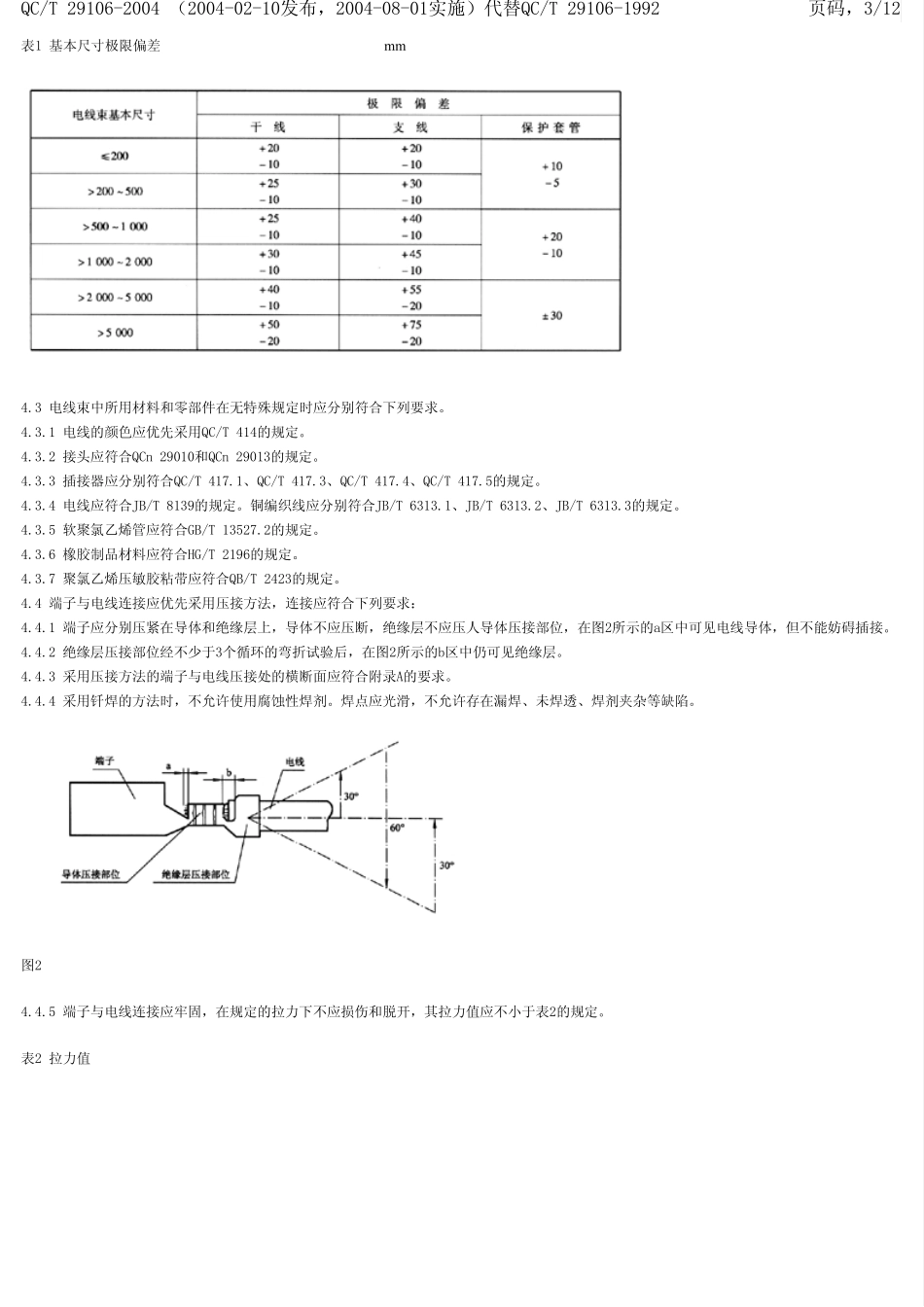
QC/T 29106-2004 ( 2004-02-10发 布 , 2004-08-01实 施 ) 代 替 QC/T 29106-1992 前 言 本 标 准 是 QC/T 29106-1992《 汽 车 用 低 压 电 线 束 技 术 条 件 》 的 修 订 版 本 。 本 标 准 修 订 过 程 中 以 德 国 、 法 国 、 韩 国 等 国 家 同 行 业 的 企 业 标 准 为 主 要 参 考 对 象 。 本 标 准 自 实 施 之 日 起 , 同 时 代 替 QC/T29106-1992。 本 标 准 与 QC/T 29106-1992相 比 , 主 要 变 化 如 下 : — — 增 加 了 引 用 标 准 GB/T 13527.2、 HG 2196、 QB/T 2423和 QC/T 238。 — — 术 语 和 定 义 中 增 加 了 "干 区 "、 "湿 区 "、 "刺 破 连 接 ", 并 在 技 术 要 求 中 增 加 了 相 应 的 规 定 。 — — 增 加 了 压 接 接 点 横 断 面 的 技 术 要 求 。 — — 增 加 了 导 体 标 称 截 面 积 规 格 和 与 其 对 应 的 拉 力 值 。 — — 增 加 了 密 封 塞 压 接 的 技 术 要 求 。 — — 对 电 线 束 的 使 用 环 境 温 度 、 耐 高 低 温 性 能 、 耐 湿 热 性 能 、 耐 振 动 性 能 、 耐 盐 雾 性 能 及 对 应 的 试 验 方 法 作 了 修 改 。 — — 增 加 了 耐 温 度 变 化 性 能 要 求 。 — — 将 耐 油 性 能 要 求 改 为 耐 工业 溶剂性 能 要 求 。 — — 出厂检验 增 加 了 "接 点 防水"、 "无焊料焊接 接 点 撕裂力 "、 "密 封 塞 压 接 "项目的 检验 。 — — 对 型式检验 产品的 抽样方 法 、 编组、 检验 项目和 检验 顺序作 了 修 改 。 本 标 准 由中 国 汽 车 工业 协会提出。 本 标 准 由全国 汽 车 标 准 化 技 术 委员会归 口 。 本 标 准 由长 春 市 灯 泡 电 线 有 限 公 司 负 责 起 草 。 本 标 准 主 要 起 草 人 : 孙 玉 德 、 汤 曼 如 、 方 兴 亚 、 姜 树 森 、 张 杰 、 钱 程 。 QC/T 29106-2004 汽 车 低 压 电 线 束 技 术 条 件 1 范 围 本 标 准 规 定 了 汽 车 用 低 压 电 线 束 (以 ...

1、当您付费下载文档后,您只拥有了使用权限,并不意味着购买了版权,文档只能用于自身使用,不得用于其他商业用途(如 [转卖]进行直接盈利或[编辑后售卖]进行间接盈利)。
2、本站所有内容均由合作方或网友上传,本站不对文档的完整性、权威性及其观点立场正确性做任何保证或承诺!文档内容仅供研究参考,付费前请自行鉴别。
3、如文档内容存在违规,或者侵犯商业秘密、侵犯著作权等,请点击“违规举报”。

碎片内容

QCT291062004线束标准

确认删除?
VIP
微信客服
  • 扫码咨询
会员Q群
  • 会员专属群点击这里加入QQ群
客服邮箱
回到顶部