桂林电子科技大学物理实验中心 物理实验教案 冲击电流计法测量螺线管内磁场 [实验目的] 1.了解用冲击电流计测量磁场的基本原理。 2....
冲击电压试验 由于冲击高电压试验对试验设备和测试仪器的要求高、投资大,测试技术也比较复杂,所以在绝缘预防性试验中通常不列入冲击耐压...
1 / 7 冲击成孔作业指导书 1、目的 明确桥梁桩基冲击钻施工作业的工艺流程、操作要点和相应的工艺标准,指导、规范桩基作业施工。 2...
东滩煤矿冲击地压题库 一、填空题 1、冲击地压是矿山井巷和采场周围煤岩体,由于(变形能)的释放而产生的以(突然)、急剧、猛烈的破坏...
$EVWUDFWThe lecture gives an introduction to vibration through a description of themost common mechanical parameters...
1 湿陷性黄土路基冲击碾压施工工法 1.前言 近年来,我国公路建设力度不断加大,而工程建设施工质量直接关系到公路日后的使用质量和安全...
一、编制依据及目的1、《公路工程技术标准》JTGB01-20142、《公路桥涵施工技术规范》JTG/TF50-20113、《公路钢筋混凝土及预应力混凝土桥涵...
液动冲击钻井技术发展与应用现状_付加胜
Table of Contents 1. INTRODUCTION… … … … … … … … … … … … … … … … … … … … … … … ...
文化冲击在中国 目前我国正走向高度信息化时代,加强了与世界各国异文化之间相互的交流。由于世界性的人口流动趋于频繁,运输、通信技术的...
冲击锤成孔灌注桩专项施工方案 第一章 工程概况及施工特性 1、工程概况 拟建台电住宅小区E1 标共计8 幢建筑。46#、47#、48#、50#、51...
目录 一 . 场 地 准 备 ................................................... 1 二 . 进 度 计 划 .......................
1 屏 蔽 车 场 1-7 轴 钻 孔 桩 施 工 方 案 一 、 工 程 概 况 屏 蔽 车 场 1-7轴 地 处 回 填 区 , 根...
冲 击 钻 钻 孔 及 灌 注 桩 施 工 方 案 1、工 程简介: XXXX中 桥 , 起 于 KXXXX+XXX,止 于 KXXXX+XXX, 桥 长...
1. 钻孔灌注桩 钻孔桩基础施工将根据现场实际地质情况采用不同的成孔方法,当地质情况为岩层、卵砾石较大的地层时,采用冲击钻机钻孔;汽...
路港集团有限责任公司 TLSY3 项目经理部 冲击钻钻孔施工方案 1 一、编制依据及目的 1、《公路工程技术标准》JTG B01-2014 2、《公...
中交一航局滨海新区西外环高速第十二标项目部 桩基施工方案 中交第一航务工程局有限公司 冲击桩专项施工方案 工 程 名 称 : 编 ...
冲 击 钻 钻 孔 施 工 技 术 交 底 一 、 编 制 依 据 《 客 货 共 线 铁 路 桥 涵 工 程 施 工 技 术 指...
冲击成孔灌注桩施工方案 一、施工概述 冲击成孔施工适合于各类土层,尤其是适用于卵石层中卵砾石直径大于 20cm 占整个层中的 30%以上...
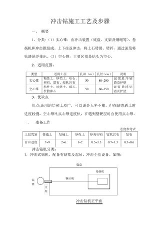
冲击钻施工工艺及步骤 一、 概要 1、分类:(1)实心锥:由冲击装置(底盘、支架及钢绳等)、卷扬机和冲击锥组成。上下往返冲击,将土石...

