第 - 1 -页 目 录 设计任务书…………………………………………………2 第一部分 传动装置总体设计……………………………4 第二...
二级展开式圆柱齿轮减速器设计说明书 题目 机械设计课程设计二级展开式圆柱齿轮减速器设计说明书 姓名与学号 指导教师 年级与专业 所...
西南大学工程技术学院课程设计 机械设计课程设计计算说明书 设计题目 二级展开式圆柱齿轮减速器 机械系 机械工程及自动化专业 机工 ...
目 录 一.设计任务书……………………………………………………1 二.传动方案的拟定及说明………………………………………3 三.电动...
1 带式运输机的工作原理 (二级展开式圆柱齿轮减速器带式运输机的传动示意图) 2 工作情况:已知条件 1) 工作条件:单向运转,有轻微...
二级展开式圆柱斜齿轮减速器设计说明书
材 料 成 型 及 控 制工程 课 程 设 计 说 明 书 设计题目: 二级展开式圆柱齿轮减速器 学生姓名: 蒋永清 学号: 17 ...
机械设计课程设计说明书 题目:二级展开式圆柱齿轮减速器 姓 名 马 乐 班 级 机自(二)1 2 -1 班 学 号 ******** 指导老师...
机械设计——减速器 课程设计说明书 课程名称:机械设计课程设计 设计题目:展开式二级圆锥-圆柱齿轮减速器 院系:机电学院机械工程系...
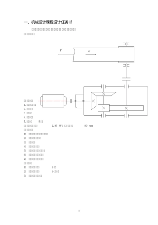
1 一 、机械设计课程设计任务书 设计带式运输机传动装置(两级锥齿轮—斜齿圆柱齿轮减速器) 一、总体布置简图 二、工作条件: 1.连...
机械设计基础课程设计——二级圆柱齿轮报告书 重 庆 航 天 职 业技术学院机电信息工程系 机械设计基础课程设计 题目:二级圆柱齿轮...
第 1 页 共 4 0 页 目 录 一 设计任务书 二 传动系统的方案设计 三 电动机的选择 1.电动机的容量选择 2.电动机的转速选择...
二级圆柱齿轮减速器设计说明书
机械课程设计说明书 1 1. 设计任务书 1) 设计任务 设计带式输送机的传动系统,要求传动系统中含有V 带和两级圆柱 齿轮减速器。 2)...
上海大学高等技术技术学院——机电一体化 凌冰 1 SHANGHAI UNIVERSITY 课程设计说明书 题目: 二级圆柱齿轮传动设计 学 院: 上海...
二级同轴式减速器
1 第三节 主减速器设计 一. 主减速器结构方案分析 主减速器的结构形式主要是根据齿轮类型、减速器形式不同而不同。 主减速器的齿轮...
机械设计课程设计计算说明书 设计题目 减速器的设计 专 业 班 级 设 计 人 完成日期 设计要求:含有单级圆柱齿轮减速器及带传动...
1 目 录 一、设计题目 二、设计计算主液压缸、顶出液压缸结构尺寸: 三、液压缸运动中的供油量 四、确定快速空程供油方式,液压泵的...
1 机械设计基础课程设计说明书 目录 机械课程设计任务书……………………………2 一、 电动机的选择……………………………………3 ...

