1 钢结构课程设计 -、设计资料 某一单层单跨工业长房。厂房总长度为120m,柱距6m,跨度为27m。车间内设有两台中级工作制桥式吊车。该地...
钢屋架制作安装施工方案1、工程概况华能岳阳电厂二期扩建主厂房建筑工程汽机房 AB 跨屋盖系统由钢托架、钢屋架、上下弦支撑(包括水平和...
1 第 一篇 设计资料 1. 某 单 层 单 跨 工 业 厂 房 , 跨 度 18m, 长 度 102m。 2. 厂 房 柱 距 6m,钢 筋 ...
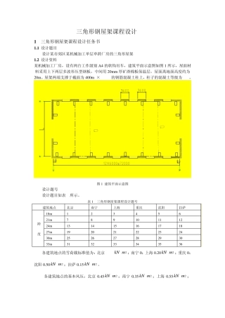
三角形钢屋架课程设计 1 三角形钢屋架课程设计任务书 1 .1 设计题目 设计某市郊区某机械加工单层单跨厂房的三角形屋架 1 .2 设计...
新建宏源粮食仓库项目(1#850 万斤粮库工程)预应力混凝土折线形屋架吊装施工方案编制审核审批晋中市安欣建筑工程有限公司新建宏源粮食仓...
轻型屋面三角形钢屋架设计说明书 学 生:李 维 指导老师:付建科 ( 三峡大学 机械与材料学院) 一、 设计资料及说明 设计一位于...
土木工程专业钢结构课程设计 1 钢结构课程设计 -、设计资料 1、已知条件:梯形钢屋架跨度30m,长度72m,柱距6m。该车间内设有两台200/...
1 钢结构课程设计例题 -、设计资料 某一单层单跨工业长房。厂房总长度为120m,柱距12m,跨度为21m。车间内设有两台中级工作制桥式吊车...
目 录 一 、 设 计 资 料 ................................................................................................ ...
钢结构设计原理与施工课程设计 ――钢结构厂房屋架 指导教师: 班 级: 学生姓名: 学 号: 设计时间: 2 0 1 1 年 6 月 7...
计算书 1、设计资料 1)某厂房跨度为24m,总长90m,柱距6m,屋架下弦标高为18m。 2)屋架铰支于钢筋混凝土柱顶,上45 柱截面400×400,...
第 1 页 共 1 9 页 24m 跨长梯形钢屋架施工图设计 一、设计资料 第 2 页 共 19 页 (一)钢材供应及施工队伍装备情况 1....
钢结构课程设计 学生姓名:李 兴 锋 学 号:20094023227 所在学院:工程学院 专业班级:09级土木(2)班 指导教师: 目 录 1、设...
目 录 一、设计资料.......................................................(2) 二、结构形式与支撑布置.............................
焦作市卓林数码材料有限公司 T2 厂房施工方案编制:审核:批准:焦作建工集团有限公司2011 年 05 月 23 日制作方案一、放样按照施工...
目录一.工程概况二、施工计划三、施工方案1、材料进场验收及保管2、下料制作及屋架组装3、钢结构焊接4、钢屋架、支撑、檩条安装5、屋面板...
施工组织设计一、主要施工方法1、施工顺序:1.1、遵循“先地下后地上,先结构后围护,先主体后装饰,先土建后安装,安装预留、预埋与土建施...
下载后可任意编辑施工工艺工法,钢屋架制作工艺标准(5041996) 钢屋架制作工艺标准(504-1996)范围本工艺标准适用于一般型钢钢屋架制作工...
钢屋架施工方法(1)施工现场要求及钢构件验收、施工现场的环境及钢构件的验收对钢结构的安装是否顺利至关重要,在安装前必须做到以下几点...
下载后可任意编辑加油站简易铁屋架拆除协议合同 加油站简易铁屋架拆除协议合同甲方: 乙方: 依照《中华人民共和国合同法》及其他有关法...

