1.1.1 任意角(预习)一、预习目标1、认识角扩充的必要性,了解任意角的概念,与过去学习过的一些容易混淆的概念相区分;2、能用集合和数学...
1. 1.1 任意角(小结)了解任意角即正角、负角、零角的概念、产生背景及意义.掌握象限角、轴线角、终边相同的角的概念、表示以及判定方法...
【金版学案】2015-2016 学年高中数学 1.1.1 命题学案 新人教 A 版选修 1-1►基础梳理1.命题的定义.一般地,我们把用语言、符号或...
课题: 命题学时:001课型:新授课学习目标1、知识与技能:理解命题的概念和命题的构成,能判断给定陈述句是否为命题,能判断命题的真假...
1.1.1 命题及其关系学案(一)学习目标:能说出一个语句是不是命题,会判断一个命题的真假,并会将一个命题改写成“若,则”的形式.学习重...
第 1 章立体几何初步1.1 空间几何体1.1.1 棱柱、棱锥和棱台诗云:“锥顶柱身立海天,高低大小也浑然。平行垂直皆风景,有角有棱足壮...
高一数学第 一 章 1.1.1 集合概念 1 学案教师寄语:同窗同读,岂愿甘居人后!同校同学,焉能甘拜下风! 学习目标:1、使学生初步理...
第一章 集合与函数概念1.1 集合1.1.1 集合的含义与表示学习目标① 通过实例,了解集合的含义,体会元素与集合的属于关系;② 知道常用数...
1.1.1 集合的含义与表示学生学案(生) 学生练习:用符号或填空: 1 N ,0 N, -3 N, 0.5 N, N1 Z , 0 Z, -3 Z, 0.5 Z,...
§1.1.1 集合的含义与表示(2) 学习目标 1. 了解集合的含义,体会元素与集合的“属于”关系;2. 能选择自然语言、图形语言、集合语言...
§1.1.1 集合的含义与表示(1) 学习目标 1. 了解集合的含义,体会元素与集合的“属于”关系;2. 能选择自然语言、图形语言、集合语言...
1.1 算法与程序框图1.1.1 算法的概念[自我认知]:1.下面的结论正确的是 ( ).A. 一个程序的算法步骤是可逆的B. 一个算法可以无止境地...
第 2 课时 集合的表示[学习目标] 1.掌握集合的两种表示方法(列举法、描述法).2.能够运用集合的两种表示方法表示一些简单集合.[知识链...
1.1 集 合1.1.1 集合的含义与表示第 1 课时 集合的含义[学习目标] 1.通过实例了解集合的含义,并掌握集合中元素的三个特性.2.体会...
1.1.1 变化率问题【学习目标】1. 理解平均变化率的概念;2. 了解平均变化率的几何意义;3. 会求函数在某点处附近的平均变化率。【学习...
1.1 变化率与导数1.1.1 变化率问题1.理解平均变化率的概念.2.会求函数在某点附近的平均变化率.平均变化率.(1)定义:对一般的函数...
1.1.1 正弦定理 学案【预习达标】在 ΔABC 中,角 A、B、C 的对边为 a、b、c,1.在 RtΔABC 中,∠C=900, csinA= ,csinB= ,即...
1.1.1《棱柱、棱锥、棱台的结构特征》导学案【学习目标】1、知识与技能:(1)能根据几何结构特征对空间物体进行分类。(2)会用语言概述棱...
1.1.1 构成空间几何体的基本元素重点:点、线、面之间的相互关系,以及文字语言、符号语言、图示语言之间的相互转化。难点:从集合的角度...
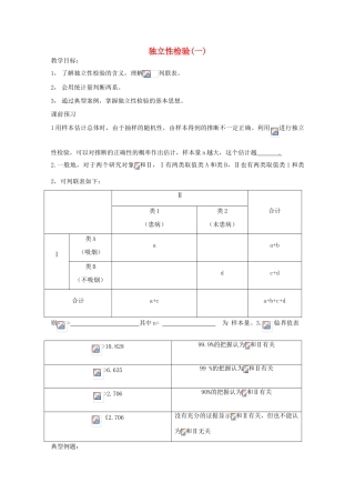
独立性检验(一)教学目标:1, 了解独立性检验的含义,理解列联表。2, 会用统计量判断两系。3, 通过典型案例,掌握独立性检验的基本思...

