折叠问题专题复习日期:第页姓名:1.把 一张 宽度 相等 的纸 条按 如图 所示 的 方式 折叠 ,则 ∠ 1 的 度数 等于 ()...
B'DCBAFCDBAEEFDABCABCFE'A第 8 题图('B )DABCMDEN折叠问题与勾股定理例题总结1.如图,在矩形 ABCD中, AB=6,BC=8。将矩形 ABC...
1、将一条互相平行的纸带按如图折叠,∠1=30° ,请求出∠ 2 的度数。B'A 'FEDCBA212、将一条互相平行的纸带按如图折叠,∠1=30° ,...
微型折叠电动车商业计划书1 微型折叠电动车商业计划书微型折叠电动车商业计划书2 目 录第一部分市场背景 ..................... 3 第...
折叠自行车的创新设计与研究 EXPERTS FORUM 行家论坛 E/ 折叠自行车的 创新设计与研究 | 文 匡焱 (黄冈职业技术学院 黄冈 4380...
创意平板折叠桌建模 布慧楠1402214026 侯爽 1402214025 张力琨 1402214041 摘要 折叠家具突破传统家具的设计模式,通过折叠可以将面...
- 1 - 矩形的折叠问题—— 研究课 班级________姓名____________ ① (1 0 哈尔滨)如图,将矩形纸片ABCD 折叠,使点D 与点B 重...
中考压轴题(六) 1 折叠问题 折叠对象有三角形、矩形、正方形、梯形等;考查问题有求折点位置、求折线长、折纸边长周长、求重叠面积、...
1 中 考 数 学 中 的 折 叠 问 题 专 题 复 习 一 、 教 学 目 标 1、 基 础 知 识 目 标 : 使 学 生 进...
1 (第18题图)MAC B折叠问题 折叠对象有三角形、矩形、正方形、梯形等;考查问题有求折点位置、求折线长、折纸边长周长、求重叠面积、...
展开与折叠的教学设计与反思课题:展开与折叠科目:数学教学对象:小学五年级学生课时: 1 课时提供者:王树华单位:安徽、亳州、蒙城马...
学习资料仅供学习与参考二、展开与折叠综合练习题1、上面 5 种形状的硬纸各有若干张, 选择其中的哪几种, 每种选几张, 正好可以围成...
展开与折叠学案( 1)学习目标:通过展开、折叠,感受立体图形与平面图形的关系;有些立体图形可以按不同的方式展开成平面图形;有些平面...
《展开与折叠》典型例题例 1如图是正方体纸盒的展开图,请把-10,8,10,-8,-2,2 分别填入六个不同的正方形中, 使得按虚线折成正...
1 / 7 展开与折叠同步练习 ( 二)一、选择题(可以选多个)1.下图中是六棱柱展开图的是()2.一个扇形要围成以某圆为底的圆锥体,则...
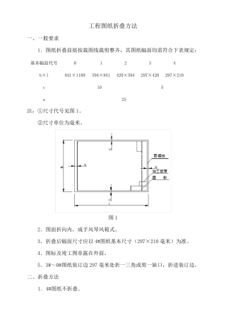
工程图纸折叠方法 一、一般要求 1.图纸折叠前摇按裁图线裁剪整齐,其图纸幅面均需符合下表规定: 基本幅面代号 0 1 2 3 4 b×l ...
适 合 孩 子 的,才 是 好 的 教 育 - 1 - 几何图形折叠问题 【疑难点拨】 1. 折叠(翻折)问题常常出现在三角形、四边形、...
第 1 页 共 11 页 全国中考数学试题分类解析汇编:折叠问题 一、选择题 1. (2012江苏南京2分)如图,菱形纸片ABCD中,∠A=600,...
PS 打造折叠图片效果 本程是做折叠效果图,只是给大家一种思路,举一反三,自己发挥吧! 最终效果图 1:首先,视图-标尺(ctrl+R),...
Photoshop制作扇子的折叠GIF动画 1、首先准备一副空白扇子图片,勾选出扇子并复制(图 1) 2、新建一个透明背景的图像,粘贴刚才复制的...

