工艺管理制度编号:HS/WI3—04—2024编制:李桂芹审核:批准:胜利油田海胜实业有限责任公司二 0 一三年三月一日说 明加强工艺管理,严格...
工艺管理制度及考核办法1 目的为加强工艺管理工作,保证工艺技术的有效控制,特制定本管理制度及考核办法。2 适用范围本规定适用于生产工...
日照原油商业储备基地工程纬二路穿越施工方案(库区管带 11) 编 制: 审 核: 审 定: 中国石化南京工程公司二零一零年五月1. 编...
文件编号: 工艺用水管理规定1.0 目的 明确规定工艺用水的监控和检查,保证工艺用水的质量. 2。0 适用范围 适用于本公司工艺用水的制备...
适用于炼油装置和石油化工装置的‘工艺流程图’(PFD)和‘管道及仪表流程图’(PID)设计.对于有特别要求的项目,须结合具体情况,灵活运用...
工艺流程图绘制方法——PID 图 2管道和仪表流程图又称为 P & ID 6 工艺流程表示标准 15 工艺流程图绘制方法——PID 图PID 图图...
理综化学第十一题 化工流程题训练1、工业流程图题做题原则:(1)、首先快速审题,明确实验目的,解决“干什么”(2)、“怎么做”:迅速把...
工艺流程图工序描述对应操作规程岩棉带拉槽将 1200 型开槽机根据复合计划中卡槽布置图调整刀片及限位器位置,根据岩棉厚度调整压梁及刀片...
非大容量注射剂生产工艺信息表受 理 号: 药品名称:匹多莫德片生产单位:黄山盛基药业有限公司 生产地址: 安徽省黄山市黄山区北大门...
xxxx 公司xx×104Nm3/d 天然气液化装置装置停车方案 编制: 审核: 批准: xxxx 公司装置停车方案一、 概述本方案仅作为 xxxx201x...
目录一、样板管理的基本要求...........................................................................................................
标题: 管理用工艺文件标准格式工艺管理导则文件编号: P/HY—GC—SY-09—011编写日期修订日期版本总页数2024/09/10A/04编写: 李放审核:...
一.编制说明:1. 编制目的:本着以全面提升工程整体产品质量品质的理念,实行以小面积工程样板施工的工艺,质量控制要求,以实质性的施工实...
工艺文件管理办法编 制审 核批 准部 门综管部 综管部 质量保证部总质量师 姓 名签 名日 期会 签部 门签 名日 期2024年05月22...
工艺材料产品设计(讲义总结)北京印刷学院设计艺术学院工业设计系WU Jian2024。05目录 第一章:概论 第二章:材料的工艺特性 第三章 :...
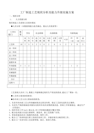
工厂制造工艺现状分析及能力升级实施方案一、现状分析1、人力资源分析现有制造工艺系统人员基本情况◆人员分析(从数量到能力是否满足,提...
工艺管理和考核办法第一章 总 则第一条工艺管理是公司在产品生产过程中,为维护工艺的严肃性,保证工艺贯彻执行,确保产品的质量和公司有...
Q/QZCKJ深 圳 市 注 成 科 技 股 份 有 限 公 司 东 莞 分 公 司 企 业 标 准Q/QZCKJ 02—2024工 艺 技 术 部 ...
工艺指标操作管理制度 工艺指标操作规程 生产工艺管理是企业管理的基本组成部分,它是加强企业管理的重要一环,为了生产系统的安全、稳定...
工艺指标(工艺卡片)管理制度1 目的为更好的控制工艺指标,使生产平稳有序进行,按时完成生产任务,保证产品质量特制定本办法。2 范围本标...

