电脑桌面
添加小米粒文库到电脑桌面
安装后可以在桌面快捷访问

TXKA962IGBT驱动器VIP免费

TXKA962IGBT驱动器_第1页
1/6
TXKA962IGBT驱动器_第2页
2/6
TXKA962IGBT驱动器_第3页
3/6
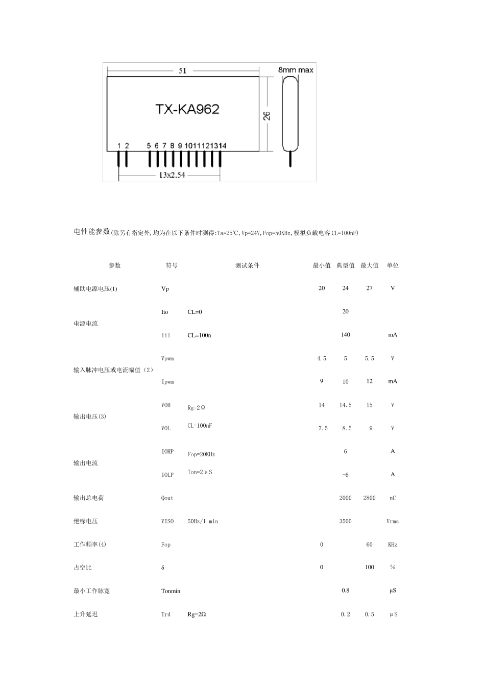
TX-KA962 IGBT 驱动器 原理框图 特点 • 单管大功率IGBT 模块驱动器。 • M57962 的改进型,管脚与M57962 兼容,缺省参数也基本相同,可以代换。 • 可按默认值直接使用,也可根据需要调节盲区时间、软关断的速度、故障后再次启动的时间。 • IGBT 短路时的集射极电压阈值的设定可用电阻精细调节,也可使用稳压管调节。 • 使用单一电源,驱动器内部设有负压分配器,减少了外部元器件。 • 电源电压可在 20-27V 间,用户选择范围宽。电源电压的变化不影响过流阈值的设定。 应用 • 可驱动IGBT (300A/1200V 或 600A/600V) 一只 外形尺寸 电性能参数(除另有指定外,均为在以下条件时测得:Ta=25℃,Vp=24V,Fop=50KHz,模拟负载电容CL=100nF) 参数 符号 测试条件 最小值 典型值 最大值 单位 辅助电源电压(1) Vp 20 24 27 V 电源电流 Iio CL=0 20 Iil CL=100n 140 mA 输入脉冲电压或电流幅值(2) Vpwm 4.5 5 5.5 V Ipwm 9 10 12 mA 输出电压(3) VOH Rg=2Ω CL=100nF 14 14.5 15 V VOL -7.5 -8.5 -9 V 输出电流 IOHP Fop=20KHz Ton=2μS 6 A IOLP -6 A 输出总电荷 Qout 2000 2800 nC 绝缘电压 VISO 50Hz/1 min 3500 Vrms 工作频率(4) Fop 0 60 KHz 占空比 δ 0 100 % 最小工作脉宽 Tonmin 0.8 μS 上升延迟 Trd Rg=2Ω 0.2 0.5 μS 下降延迟 Tfd 0.4 0.7 μS 上升时间 Tr Rg=2Ω,CL=100nF 0.6 0.8 μS 下降时间 Tf 0.5 07 μS 保护动作阈值(5) Vn 用户设置,典型值为缺省值 10 V 保护盲区(6) Tblind 用户设置,最小值为缺省值 1.2 μS 软关断时间(7) Toff 用户设置,典型值为缺省值 Vp=20V 7 μS Vp=24V 4 Vp=27V 3.2 故障后再启动时间(8) Trst 用户设置,典型值为缺省值 Vp=20V 0.66 7 mS Vp=24V 1.1 10 Vp=27V 1.3 13 输出故障信号电流 Iflt 5 10 mA 故障信号延迟 Tflt 50 nS 共模瞬态抑制 CMR 30 KV/μS 工作温度 Top -30 90 ℃ 存储温度 Tst -50 120 ℃ 注: 1. 驱动器的工作电压 Vp 推荐 24V。 2. 输入 TTL 的 5V 信号电平时可直接连接,如信号的高电平 Vim 高于 5V,应在输入端串连一个电阻 Ri 和电容 Ci,Ri 使输入电流为 Ipwm,即 Ri=(Vim-Vpwm)/Ipwm)=(Vim-5)/10mA;Ci=470pF。 3. 输出负压值与工作电压 Vp ...

1、当您付费下载文档后,您只拥有了使用权限,并不意味着购买了版权,文档只能用于自身使用,不得用于其他商业用途(如 [转卖]进行直接盈利或[编辑后售卖]进行间接盈利)。
2、本站所有内容均由合作方或网友上传,本站不对文档的完整性、权威性及其观点立场正确性做任何保证或承诺!文档内容仅供研究参考,付费前请自行鉴别。
3、如文档内容存在违规,或者侵犯商业秘密、侵犯著作权等,请点击“违规举报”。

碎片内容

TXKA962IGBT驱动器

确认删除?
VIP
微信客服
  • 扫码咨询
会员Q群
  • 会员专属群点击这里加入QQ群
客服邮箱
回到顶部