电脑桌面
添加小米粒文库到电脑桌面
安装后可以在桌面快捷访问

教学案例五车内圆锥面VIP免费

教学案例五车内圆锥面_第1页
1/5
教学案例五车内圆锥面_第2页
2/5
教学案例五车内圆锥面_第3页
3/5
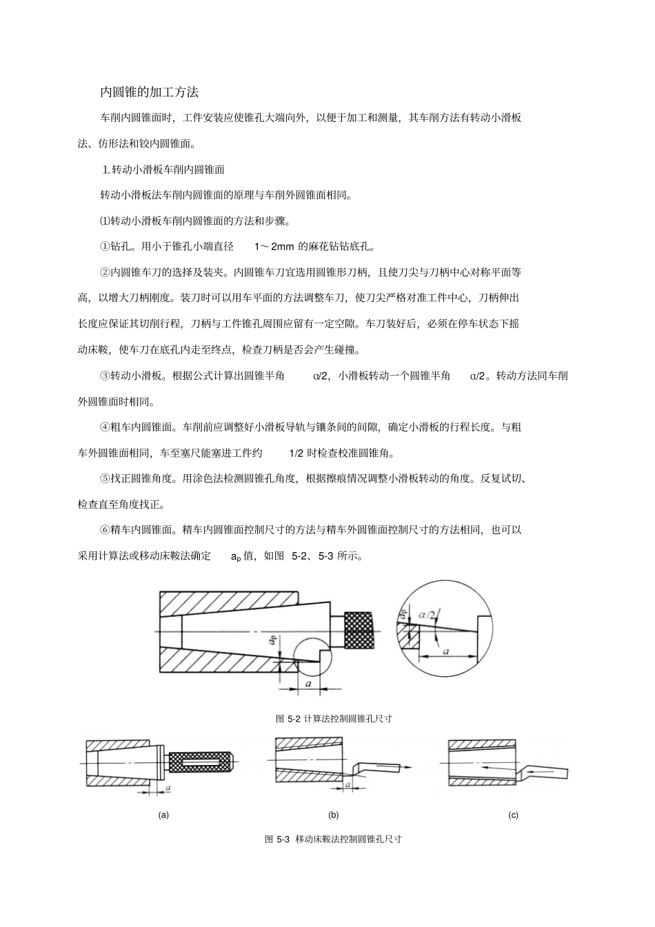
教学案例五车内圆锥面知识目标1.学会内圆锥面的加工工艺分析。2.学会圆锥面的零件的参数计算。3.学会内圆锥面零件的加工方法。技能目标1.掌握车内圆锥面零件车刀的安装方法。2.掌握内圆锥面零件的加工方法。3.掌握内圆锥面零件的检测方法。任务描述加工定位套零件,如图5-1 所示,工件毛坯:φ 95×75mm,45#钢。图 5-1 定位套零件图任务分析该零件主要为加工内圆锥面,采用转动小滑板的方法完成。需要两次装夹加工。知识准备内圆锥的加工方法车削内圆锥面时,工件安装应使锥孔大端向外,以便于加工和测量,其车削方法有转动小滑板法、仿形法和铰内圆锥面。⒈转动小滑板车削内圆锥面转动小滑板法车削内圆锥面的原理与车削外圆锥面相同。⑴转动小滑板车削内圆锥面的方法和步骤。①钻孔。用小于锥孔小端直径1~2mm 的麻花钻钻底孔。②内圆锥车刀的选择及装夹。内圆锥车刀宜选用圆锥形刀柄,且使刀尖与刀柄中心对称平面等高,以增大刀柄刚度。装刀时可以用车平面的方法调整车刀,使刀尖严格对准工件中心,刀柄伸出长度应保证其切削行程,刀柄与工件锥孔周围应留有一定空隙。车刀装好后,必须在停车状态下摇动床鞍,使车刀在底孔内走至终点,检查刀柄是否会产生碰撞。③转动小滑板。根据公式计算出圆锥半角α/2,小滑板转动一个圆锥半角α/2。转动方法同车削外圆锥面时相同。④粗车内圆锥面。车削前应调整好小滑板导轨与镶条间的间隙,确定小滑板的行程长度。与粗车外圆锥面相同,车至塞尺能塞进工件约1/2 时检查校准圆锥角。⑤找正圆锥角度。用涂色法检测圆锥孔角度,根据擦痕情况调整小滑板转动的角度。反复试切、检查直至角度找正。⑥精车内圆锥面。精车内圆锥面控制尺寸的方法与精车外圆锥面控制尺寸的方法相同,也可以采用计算法或移动床鞍法确定ap 值,如图 5-2、5-3 所示。图 5-2 计算法控制圆锥孔尺寸(a) (b) (c) 图 5-3 移动床鞍法控制圆锥孔尺寸⑵用转动小滑板法车削配套锥面车削配套锥面的方法,如图5-4 所示,车削配套锥面时,应先将外圆锥面车好,检查合格后,换上要配套车锥孔的工件。在不改变小滑板角度的前提下,把车刀反装,使其切削刃向下,车床仍正转,车削内圆锥面。由于小滑板角度不变,因此可获得较正确的配套锥面。图 5-4 车配套锥面任务实施一、工艺分析⒈分析技术要求⑴该工件主要表面的尺寸精度、位置精度以及表面粗糙度等要求都比较高。包括光轴和内圆锥面的加工。⑵由于工件的精度要求较高,故加工过程...

1、当您付费下载文档后,您只拥有了使用权限,并不意味着购买了版权,文档只能用于自身使用,不得用于其他商业用途(如 [转卖]进行直接盈利或[编辑后售卖]进行间接盈利)。
2、本站所有内容均由合作方或网友上传,本站不对文档的完整性、权威性及其观点立场正确性做任何保证或承诺!文档内容仅供研究参考,付费前请自行鉴别。
3、如文档内容存在违规,或者侵犯商业秘密、侵犯著作权等,请点击“违规举报”。

碎片内容

教学案例五车内圆锥面

您可能关注的文档

确认删除?
VIP
微信客服
  • 扫码咨询
会员Q群
  • 会员专属群点击这里加入QQ群
客服邮箱
回到顶部