电脑桌面
添加小米粒文库到电脑桌面
安装后可以在桌面快捷访问

5.施工现场对外电线路的安全防护VIP免费

5.施工现场对外电线路的安全防护_第1页
1/3
5.施工现场对外电线路的安全防护_第2页
2/3
5.施工现场对外电线路的安全防护_第3页
3/3
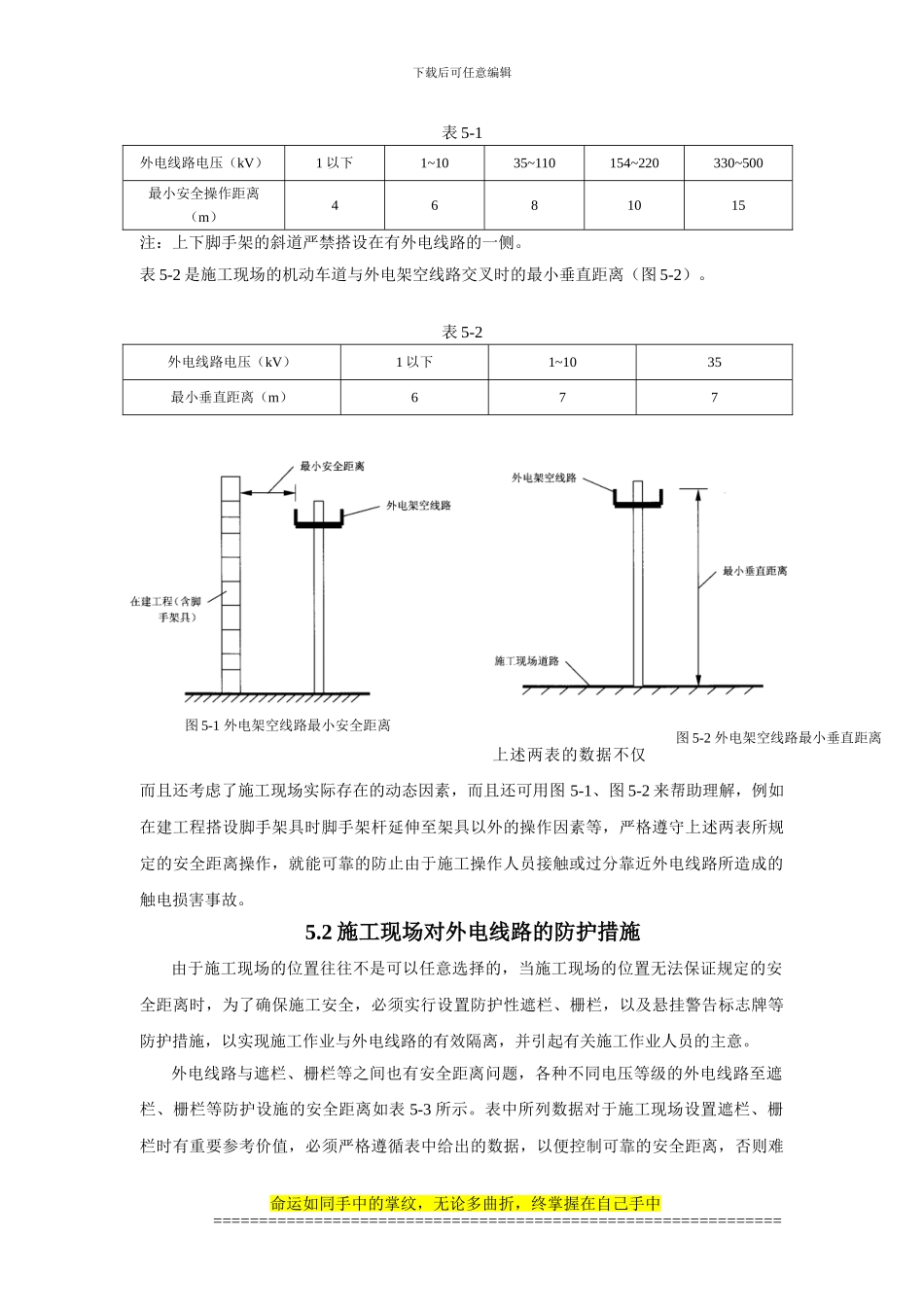
下载后可任意编辑5.施工现场对外电线路的安全防护 在施工现场往往除了因现场施工需要而敷设的临时用电线路以外,还有原来就已经存在的高压或低压电力线路,这在城市道路旁的建筑工程几乎都要遇到不同的电力线路,这些不为施工现场专用的原有电力线路统称为外电线路。 外电线路一般为架空线路,也有个别施工现场会遇到地下电缆线路,甚至有两者都存在的情况发生,假如在建工程距离外电线路较远,那么外电线路不会对现场施工构成很大威胁。而有些外电线路紧靠在建工程,则在现场施工中常常会造成施工人员搬运物料或操作过程中意外触碰外电线路,甚至有些外电线路在塔吊的回转半径范围内,那外电线路就给施工安全带来了非常不安全的因素,极易酿成触电损害事故。同时在高压线附近,即使人体还没有触及到线路,由于高压线路邻近空间高电场的作用,对人体仍然会构成潜在的危害和危险。 为了确保现场的施工安全,防止外电线路对施工的危害,在建工程的现场各种设施与外电线路之间必须保持可靠的安全距离,或实行必要的安全防护措施。现分述如下。5.1 施工现场对外电线路的安全距离所谓安全距离是指带电导体与其附近接地的物体、地面不同极(或相)带电体、以及人体之间必须保持的最小空间距离或最小空气间隙。JGJ46-88《施工现场临时用电安全技术法律规范》规定在架空线路的下方不得施工,不得建造临时建筑设施,不得堆放构件、材料等。当在架空线路一侧作业时,必须保持安全距离。在施工现场,安全距离包含了两个因素。一是必要的安全距离,在高压线路附近,存在着强电场,周围导体产生电感应,周围空气被极化,线路电压等级越高,相应的电感应和电极化也越强,因而随着电压等级的增加,安全距离也要相应增加。二是安全操作距离,在施工现场作业过程中,特别是搭设脚手架过程中,一般脚手管都较长,假如与外电线路的距离过短,操作中的安全就无法保障,所以这里的安全距离在施工现场就变成安全操作距离了。除了必要的安全距离外,还要考虑作业条件的因素,所以距离又加大了。在施工现场的安全操作距离主要是指在建工程(含脚手架具)的外侧边缘与外电架空线路的边线之间的最小安全操作距离和施工现场的机动车道与外电架空线路交叉时的最小安全垂直距离。对此,JGJ46-88《施工现场临时用电安全技术法律规范》作了具体规定,表 5-1 是在建工程(含脚手架具)的外侧边缘与外电架空线路的边线之间的最小安全操作距离(图 5-1)。命运如同手中的掌纹,...

1、当您付费下载文档后,您只拥有了使用权限,并不意味着购买了版权,文档只能用于自身使用,不得用于其他商业用途(如 [转卖]进行直接盈利或[编辑后售卖]进行间接盈利)。
2、本站所有内容均由合作方或网友上传,本站不对文档的完整性、权威性及其观点立场正确性做任何保证或承诺!文档内容仅供研究参考,付费前请自行鉴别。
3、如文档内容存在违规,或者侵犯商业秘密、侵犯著作权等,请点击“违规举报”。

碎片内容

5.施工现场对外电线路的安全防护

确认删除?
VIP
微信客服
  • 扫码咨询
会员Q群
  • 会员专属群点击这里加入QQ群
客服邮箱
回到顶部