电脑桌面
添加小米粒文库到电脑桌面
安装后可以在桌面快捷访问

公路工程施工安全检查评分表SGJ-A14VIP免费

公路工程施工安全检查评分表SGJ-A14_第1页
1/14
公路工程施工安全检查评分表SGJ-A14_第2页
2/14
公路工程施工安全检查评分表SGJ-A14_第3页
3/14
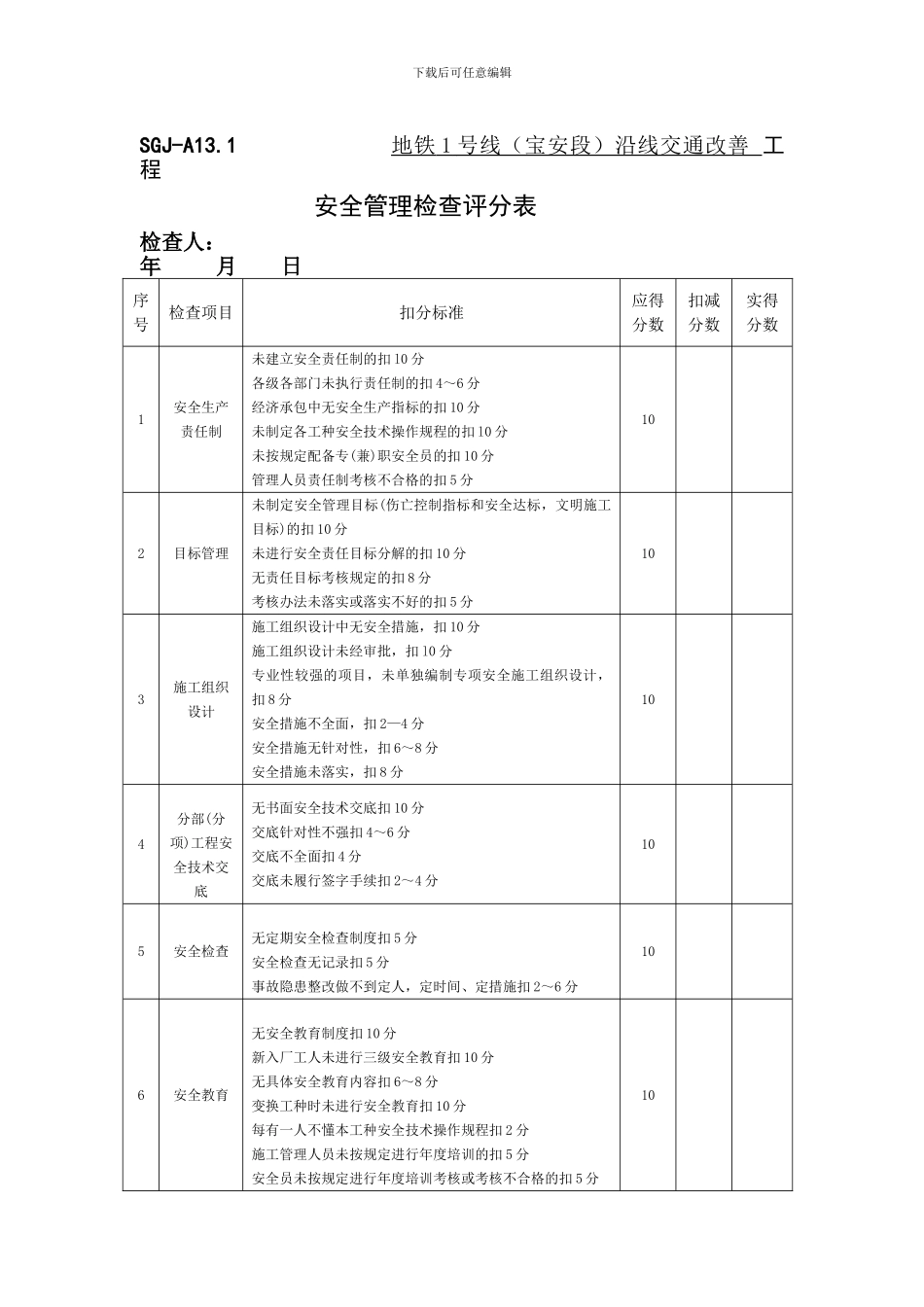
下载后可任意编辑SGJ-A13 地铁 1 号线(宝安段)沿线交通改善 工 程公路工程施工安全检查评分汇总表编号: 年 月 日项目名称满分扣分得分安全管理15文明施工20土石方工程10桥涵工程15隧道工程15主要工序10施工用电10个人防护5应得分实得分总评分评 语:检查单位深圳市交通公用设施建设中心深圳市恒浩建项目管理有限公司负责人受检单位项目经理下载后可任意编辑SGJ-A13.1 地铁 1 号线(宝安段)沿线交通改善 工 程安全管理检查评分表检查人: 年 月 日序号检查项目扣分标准应得分数扣减分数实得分数1安全生产责任制未建立安全责任制的扣 l0 分各级各部门未执行责任制的扣 4~6 分经济承包中无安全生产指标的扣 10 分未制定各工种安全技术操作规程的扣 l0 分未按规定配备专(兼)职安全员的扣 10 分管理人员责任制考核不合格的扣 5 分102目标管理未制定安全管理目标(伤亡控制指标和安全达标,文明施工目标)的扣 10 分未进行安全责任目标分解的扣 10 分无责任目标考核规定的扣 8 分考核办法未落实或落实不好的扣 5 分103施工组织设计施工组织设计中无安全措施,扣 10 分施工组织设计未经审批,扣 l0 分专业性较强的项目,未单独编制专项安全施工组织设计,扣 8 分安全措施不全面,扣 2—4 分安全措施无针对性,扣 6~8 分安全措施未落实,扣 8 分104分部(分项)工程安全技术交底无书面安全技术交底扣 10 分交底针对性不强扣 4~6 分交底不全面扣 4 分交底未履行签字手续扣 2~4 分105安全检查无定期安全检查制度扣 5 分安全检查无记录扣 5 分事故隐患整改做不到定人,定时间、定措施扣 2~6 分106安全教育无安全教育制度扣 10 分新入厂工人未进行三级安全教育扣 10 分无具体安全教育内容扣 6~8 分变换工种时未进行安全教育扣 10 分每有一人不懂本工种安全技术操作规程扣 2 分施工管理人员未按规定进行年度培训的扣 5 分安全员未按规定进行年度培训考核或考核不合格的扣 5 分10下载后可任意编辑7班前安全活动未建立班前安全活动制度,扣 l0 分班前安全活动无记录,扣 2 分108特种作业持证上岗一人未经培训从事特种作业,扣 4 分一人未持操作证上岗,扣 2 分109工伤事故处理工伤事故未按规定报告,扣 3~5 分工伤事故未按事故调查分析规定处理,扣 l0 分未建立工伤事故档案,扣 4 分1010安全标志无现场安全标志布置总平面图,扣 5 分现场未按安全标志总平...

1、当您付费下载文档后,您只拥有了使用权限,并不意味着购买了版权,文档只能用于自身使用,不得用于其他商业用途(如 [转卖]进行直接盈利或[编辑后售卖]进行间接盈利)。
2、本站所有内容均由合作方或网友上传,本站不对文档的完整性、权威性及其观点立场正确性做任何保证或承诺!文档内容仅供研究参考,付费前请自行鉴别。
3、如文档内容存在违规,或者侵犯商业秘密、侵犯著作权等,请点击“违规举报”。

碎片内容

公路工程施工安全检查评分表SGJ-A14

您可能关注的文档

确认删除?
VIP
微信客服
  • 扫码咨询
会员Q群
  • 会员专属群点击这里加入QQ群
客服邮箱
回到顶部