电脑桌面
添加小米粒文库到电脑桌面
安装后可以在桌面快捷访问

桥涵台背回填碎石加固技术施工指导样本

桥涵台背回填碎石加固技术施工指导样本_第1页
1/4
桥涵台背回填碎石加固技术施工指导样本_第2页
2/4
桥涵台背回填碎石加固技术施工指导样本_第3页
3/4
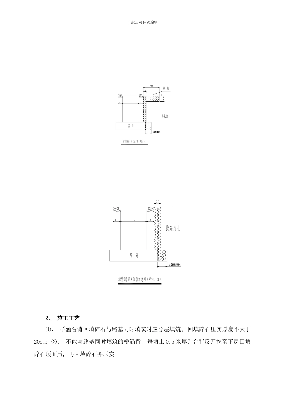
下载后可任意编辑玉林至铁山港高速公路桥涵台背回填碎石加固技术施工指导对玉铁路全线桥涵结构物两侧台背填方实施加固,其目的是增大台背填方密实度,减少台背沉降量,缩小台背与桥涵结构的刚柔差异沉降,消除台背下沉引起行车的跳跃等不良后果。根据 3 月 12 日上午《玉铁路桥涵台背回填加固处治方案讨论讨论会》会议精神, 现对桥涵台背加固施工的技术要求、 施工工艺规定如下: 一.回填级配碎石回填级配碎石施工范围、 工艺、 材料要求、 质量控制: 1、 施工范围对尚未回填的桥涵台背实行在台背回填级配碎石的方案。⑴ 埋置式桥台和 U 型桥台: 长度为台长, 深度为基础底至搭板底, 宽度为: ① 基础部分: 基础边线至开挖边线, 不大于 1.0 米宽; ② 基础顶面以上部分: 每层厚 0.60米, 1.0 米宽, 以下底宽控制, 呈台阶形往上。回填至距顶面 80cm~100cm 时, 向两测台背延伸 3m 左右进行刚柔过渡。如图: 下载后可任意编辑⑵ 涵背: 长度为涵长, 明涵深度为基础底至搭板底、 暗涵深度为基础底至墙顶, 宽度为: ⑴ 基础部分: 基础边线至开挖边线, 不大于 0.50 米宽; ⑵ 基础顶面以上部分: 0.50 米宽, 回填至距顶面 0.8 米~1 米时, 向两测台背延伸 3m 左右进行刚柔过渡。还未回填施工的填土大于 1.5m 以上的暗涵, 在涵顶及台背范围填土 0.5 米铺设土工格栅一层, 土工网格需与台背锚固连接; 如图: 下载后可任意编辑2、 施工工艺⑴、 桥涵台背回填碎石与路基同时填筑时应分层填筑, 回填碎石压实厚度不大于20cm; ⑵、 不能与路基同时填筑的桥涵背, 每填土 0.5 米厚则台背反开挖至下层回填碎石顶面后, 再回填碎石并压实下载后可任意编辑3、 回填材料的技术要求⑴ 级配碎石最大粒径不大于 37.5mm, 其级配应符合《公路路面基层施工技术法律规范》( JTJ034- ) 表 6.2.4 的 1#级配规定。 按中试抽查结果计量支付款项。⑵ 级配碎石粒料中, 压碎值不大于 40%, 0.5mm 以下细料的液限不大于 28%, 塑性指数不大于 9, 塑性指数与 0.6mm 以下颗粒含量的乘积不大于 100。⑶ 土工格栅采纳交通部行标 GDZ150 型单向塑钢粘焊土工格栅, 格栅搭接采纳铁丝绑扎连接, 叠合长度不小于 15cm 4、 施工质量控制1、 施工碾压密实度规定 ⑴ 采纳级配碎石粒料回填时, 应保证填料充分压实, 压实度不小于 96%; 频率为每侧台背检查一点。⑵ 回填材料每道结构物检查一次。...

1、当您付费下载文档后,您只拥有了使用权限,并不意味着购买了版权,文档只能用于自身使用,不得用于其他商业用途(如 [转卖]进行直接盈利或[编辑后售卖]进行间接盈利)。
2、本站所有内容均由合作方或网友上传,本站不对文档的完整性、权威性及其观点立场正确性做任何保证或承诺!文档内容仅供研究参考,付费前请自行鉴别。
3、如文档内容存在违规,或者侵犯商业秘密、侵犯著作权等,请点击“违规举报”。

碎片内容

桥涵台背回填碎石加固技术施工指导样本

您可能关注的文档

确认删除?
VIP
微信客服
  • 扫码咨询
会员Q群
  • 会员专属群点击这里加入QQ群
客服邮箱
回到顶部