电脑桌面
添加小米粒文库到电脑桌面
安装后可以在桌面快捷访问

桩机检测作业指导书样本

桩机检测作业指导书样本_第1页
1/8
桩机检测作业指导书样本_第2页
2/8
桩机检测作业指导书样本_第3页
3/8
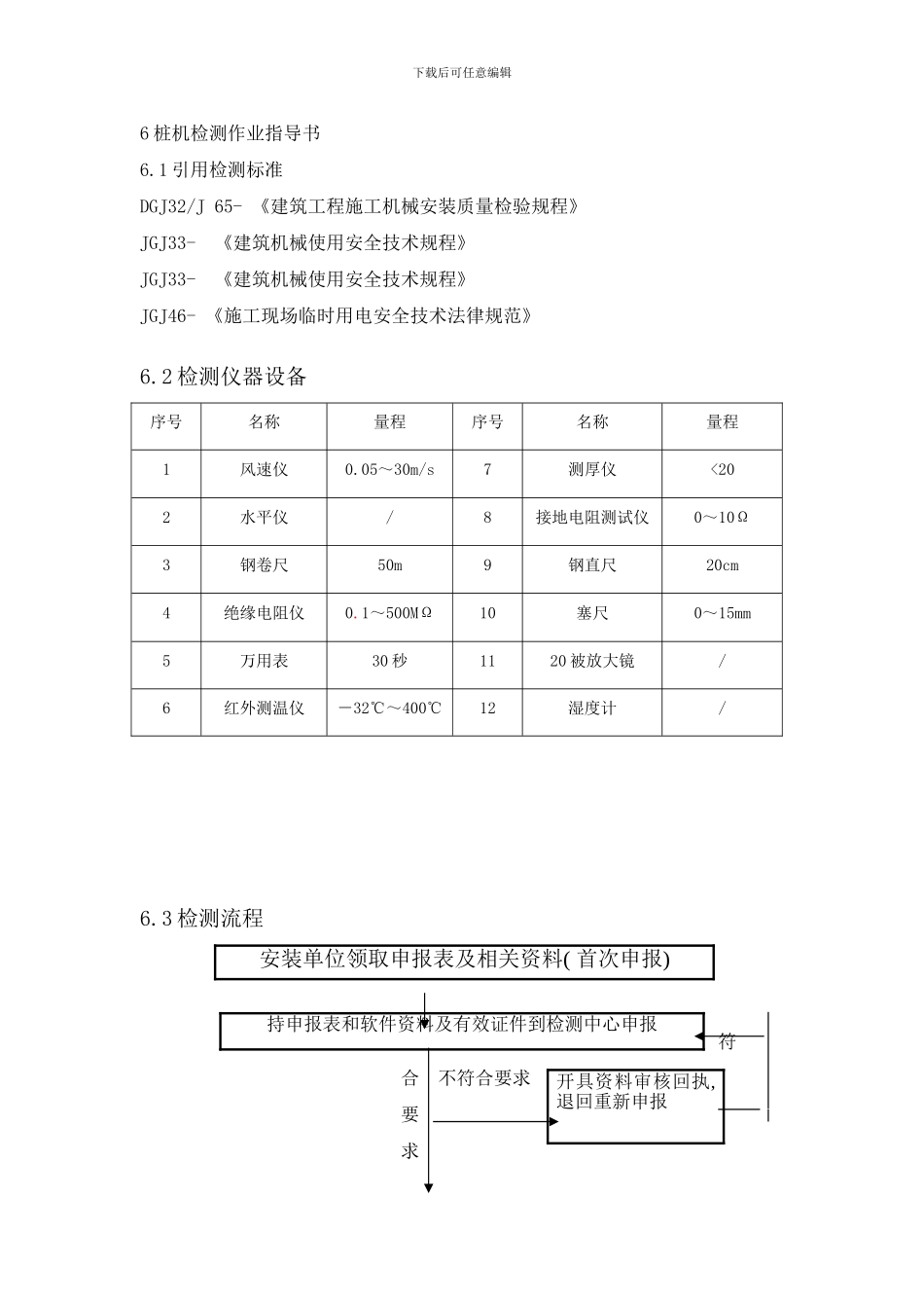
下载后可任意编辑6 桩机检测作业指导书6.1 引用检测标准DGJ32/J 65- 《建筑工程施工机械安装质量检验规程》JGJ33- 《建筑机械使用安全技术规程》JGJ33- 《建筑机械使用安全技术规程》JGJ46- 《施工现场临时用电安全技术法律规范》6.2 检测仪器设备序号名称量程序号名称量程1风速仪0.05~30m/s7测厚仪<202水平仪/8接地电阻测试仪0~10Ω3钢卷尺50m9钢直尺20cm4绝缘电阻仪0.1~500MΩ10塞尺0~15mm5万用表30 秒1120 被放大镜/6红外测温仪-32℃~400℃12湿度计/6.3 检测流程安装单位领取申报表及相关资料( 首次申报) 符合 不符合要求 要 求持申报表和软件资料及有效证件到检测中心申报开具资料审核回执, 退回重新申报下载后可任意编辑 办理手续, 开具申报回执五个工作日内安排检测, 检测前一日通知受检单位施工现场硬件检测, 填写安装质量检测原始纪录, 出具意见书一次检测合格 一次检测不合格三个工作日内持装拆登记册及意见回复单到检测中心领取检测报告及合格证, 并登记 结束6.3.1 委托单位填写委托检验申报表及相关资料6.3.2 对软件资料进行审核, 符合要求的开现场检测登记单, 不符合要求或者缺少资料的退回重新申报。需审核的资料包括: 1.)安装单位安全生产许可证第一次申报需提供原件查看备案, 第二次申报可提供复印件, 注明施工场地并盖安装单位章。整改后将意见书回复单在要求期内反馈至检测中心经审查后, 检测中心根据具体情况安排复检复检后三日内凭装拆登记册到检测中心领取检测报告, 并登记下载后可任意编辑2.)安装人员操作上岗证第一次申报需提供原件查看备案, 第二次申报可提供复印件, 注明施工场地并盖安装单位章。3.)生产厂家出厂合格证第一次申报需提供原件查看备案, 第二次申报可提供复印件, 注明施工场地并盖安装单位章。4.)使用说明书说明书应与现场实际机型一致。6.4 现场检测6.4.1 准备工作检查仪器是否正常6.4.2 测量现场天气状况、 温度、 湿度, 并做记录, 确认环境符合检测要求后, 正式开始检测。6.4.3 结构件1) 主要结构件无扭曲、 变形、 裂纹和严重锈蚀。检测方法: 外观检查, 必要时用放大镜。2) 结构件各连接螺栓使用正确, 齐全、 紧固, 有防松措施, 螺栓高于螺母 0~3 扣。检测方法: 目测, 外观检查。3) 结构件所有连接销轴规格正确, 均有可靠轴向止动措施, 法律规范使用开口销。检测方法: 目测, 外观检查。4) 主要结构件的高强连接螺栓, 须...

1、当您付费下载文档后,您只拥有了使用权限,并不意味着购买了版权,文档只能用于自身使用,不得用于其他商业用途(如 [转卖]进行直接盈利或[编辑后售卖]进行间接盈利)。
2、本站所有内容均由合作方或网友上传,本站不对文档的完整性、权威性及其观点立场正确性做任何保证或承诺!文档内容仅供研究参考,付费前请自行鉴别。
3、如文档内容存在违规,或者侵犯商业秘密、侵犯著作权等,请点击“违规举报”。

碎片内容

桩机检测作业指导书样本

您可能关注的文档

确认删除?
VIP
微信客服
  • 扫码咨询
会员Q群
  • 会员专属群点击这里加入QQ群
客服邮箱
回到顶部