电脑桌面
添加小米粒文库到电脑桌面
安装后可以在桌面快捷访问

SMW工法桩施工工艺

SMW工法桩施工工艺_第1页
1/16
SMW工法桩施工工艺_第2页
2/16
SMW工法桩施工工艺_第3页
3/16
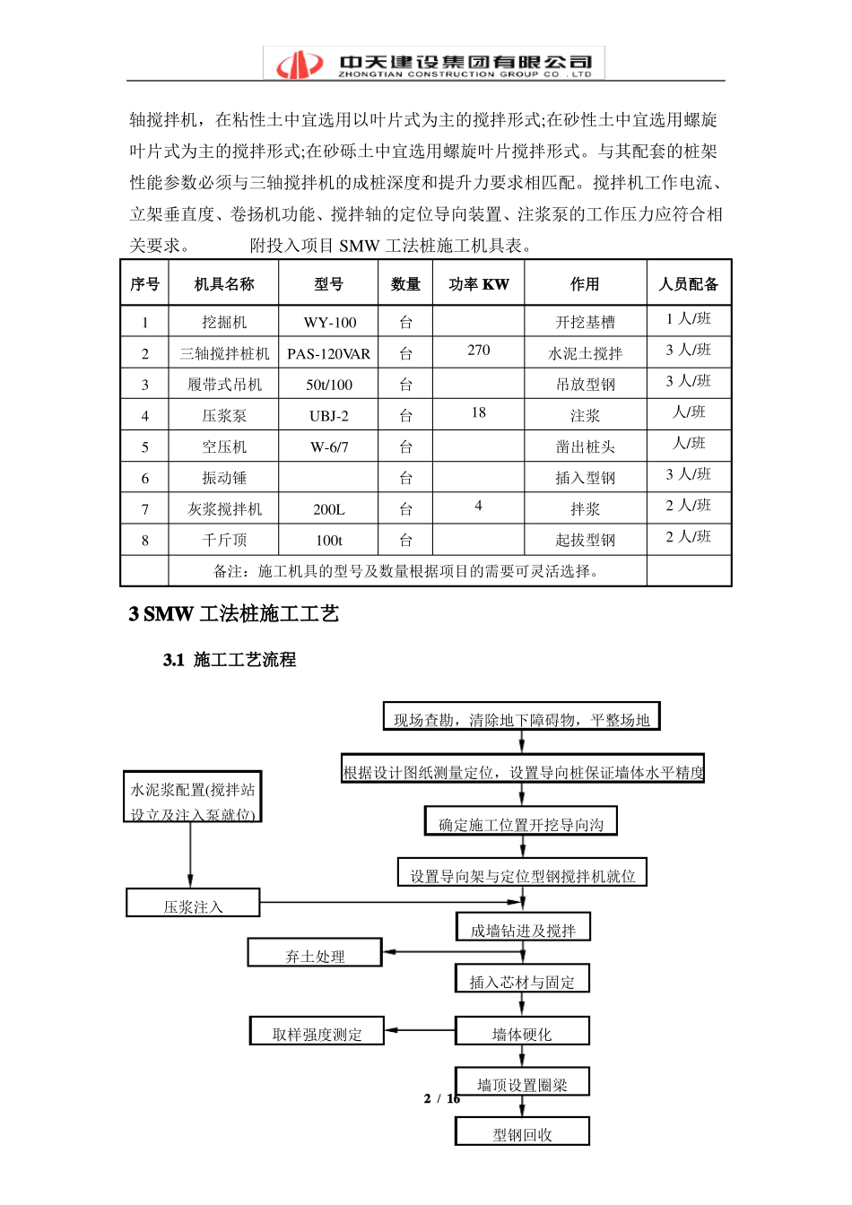
SMW 工法桩施工工艺及质量控制措施1 概述1.1 编制依据1.1.1 工程施工设计图。1.1.2 工程《岩土工程勘察报告》。1.1.3 《建筑机械使用安全技术规程》JGJ33-2001。1.1.4 《建筑地基处理技术规范》JGJ79-2002。1.1.5 《建筑地基基础工程施工质量验收规范》GB50202-2002。1.1.6 《型钢水泥土搅拌墙技术规程》DGJ08-116-2005。1.1.7 我国现行 SMW 工法桩施工的有关规定。1.2 适用范围2 SMW 工法桩施工组织与准备2.1 施工前的准备2.1.1 施工现场应先进行场地平整,清除施工区域的表层硬物和地下障碍物,遇明洪<塘)及低挂地时应抽水和清淤,回填粘性土并分层夯实。路基承载能力应满足重型桩机和吊车平稳行走移动的要求。2.1.2 按照搅拌桩桩位平面布置图,确定合理的施工顺序及配套机械、水泥等材料的放置位置。2.1.3 技术人员根据设计图纸和测量控制点放出桩位,桩心距用红色油漆做好标记,保证搅拌桩定位准确,并经监理复核验收签证。桩位平面偏差不大于5mm。2.1.4 根据基坑围护内边控制线开挖导向沟,并在沟槽边设置搅拌桩定位型钢,标出搅拌桩位置和型钢插人位置。2.1.5 三轴搅拌机与桩架进场组装并试运转正常后方可就位。2.1.6 采用现浇的钢筋混凝土施工导墙时,导墙宜筑于密实的粘性土层上,并高出地面 100mm,导墙净距应比水泥土搅拌墙设计厚度增加 40~60mm。2.2 机械配备搅拌桩施工应根据项目地质条件与成桩深度选用不同形式或不同功率的三1 / 16轴搅拌机,在粘性土中宜选用以叶片式为主的搅拌形式;在砂性土中宜选用螺旋叶片式为主的搅拌形式;在砂砾土中宜选用螺旋叶片搅拌形式。与其配套的桩架性能参数必须与三轴搅拌机的成桩深度和提升力要求相匹配。搅拌机工作电流、立架垂直度、卷扬机功能、搅拌轴的定位导向装置、注浆泵的工作压力应符合相关要求。附投入项目 SMW 工法桩施工机具表。序号12345678机具名称挖掘机型号WY-100数量台台台台台台台台功率 KW270184作用开挖基槽水泥土搅拌吊放型钢注浆凿出桩头插入型钢拌浆起拔型钢人员配备1 人/班3 人/班3 人/班人/班人/班3 人/班2 人/班2 人/班三轴搅拌桩机PAS-120VAR履带式吊机压浆泵空压机振动锤灰浆搅拌机千斤顶50t/100UBJ-2W-6/7200L100t备注:施工机具的型号及数量根据项目的需要可灵活选择。3 SMW 工法桩施工工艺3.1 施工工艺流程水泥浆配置(搅拌站设立及注入泵就位)现场查勘,清除地下障碍物,平整场地根据设计图纸测量定位,设置导向桩保证墙体水...

1、当您付费下载文档后,您只拥有了使用权限,并不意味着购买了版权,文档只能用于自身使用,不得用于其他商业用途(如 [转卖]进行直接盈利或[编辑后售卖]进行间接盈利)。
2、本站所有内容均由合作方或网友上传,本站不对文档的完整性、权威性及其观点立场正确性做任何保证或承诺!文档内容仅供研究参考,付费前请自行鉴别。
3、如文档内容存在违规,或者侵犯商业秘密、侵犯著作权等,请点击“违规举报”。

碎片内容

SMW工法桩施工工艺

确认删除?
VIP
微信客服
  • 扫码咨询
会员Q群
  • 会员专属群点击这里加入QQ群
客服邮箱
回到顶部