电脑桌面
添加小米粒文库到电脑桌面
安装后可以在桌面快捷访问

I2C接口的EEPROM24C64芯片的驱动方法

I2C接口的EEPROM24C64芯片的驱动方法_第1页
1/7
I2C接口的EEPROM24C64芯片的驱动方法_第2页
2/7
I2C接口的EEPROM24C64芯片的驱动方法_第3页
3/7
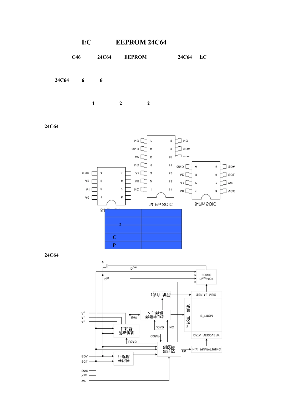
I2C 接口的 EEPROM 24C64 芯片的驱动方法与 93C46类似的,24C64 也是 EEPROM,但不同的是 24C64 是 I2C 接口的,容量也要更大些,用来存储较大容量的数据,甚至在某些单片机中可以用作程序存储器。24C64 提供 65536个位,它们是以字节方式进行组织的。通过设置不同的地址,可以实现多达 8个芯片共享两线总线。它被广泛应用于工业、化工等需要低功耗与低电压的领域。同时,它还提供诸如 4.5V~5.5V、2.7V~5.5V、2.5V~5.5V与 1.8V~5.5V各种工作电压范围的芯片,从而使其应用更加通用。24C64 的引脚定义:引脚功能详细描述:24C64 的功能框图:引脚名称功能A0~A2地址输入SDA串行数据SCL串行时钟输入WP写保护引脚功能描述:串行时钟(SCL):在 SCL的上升沿数据写入芯片中,在下降沿从芯片中读出数据。串行数据(SDA):SDA用作双向数据传输。这个引脚是漏极开路驱动,需要加上拉电阻。设备地址(A2,A1,A0):A2~A0是设备地址设置引脚,可以通过接高或接低来设置不同的地址,也可以直接悬空。设置为不同地址时最多可以在同一总线上存在多达8个芯片。当这些引脚悬空时,默认地址为 0。写保护(WP):当此引脚接到 GND上时,允许正常的写操作。当 WP接到 VCC时,所有的写操作都是被禁止的。如果悬空,则 WP在内部被拉到 GND。24C64的组织方式:24C64在内部被组织为 256个页,每个页 32个字节。可以按字节来进行操作,地址为13位。24C64的操作方法:24C64是采用 I2C接口来进行数据传输的,在这里不再介绍I2C接口数据传输的相关内容,具体的 I2C总线协议在相关章节有详细讲解,敬请翻阅。下面只针对于24C64的操作方法进行讲解。1)设备寻址在开始条件使芯片使能后,需要给其写入一个 8位的设备地址码,以使某一芯片被命中。在地址码的开头有两个“10”序列,共 4位,然后是 3位 的地址,最后是 1位的读写标识位。具体的地址码结构如下:24C64使用 3个设备地址位 A2、A1、A0使多达 8个芯片同时存在于一条总线上。这个地址码被每一个芯片与自身设置的地址相比较。第 8位是读/写操作选择位。如果是 1的话,一个读操作将被初始化,而如果是 0的话,则一个写操作将被初始化。2)写操作1.任意字节写:在进行写操作时,在设备地址与回复后,需要写入两个 8位地址。在收到地址后,芯片会返回一个低电平,然后就可以写入一个8位数据。在收到这个8位数据后,芯片会返回一个低电平,此时应产生一个停止条件。芯片开始自身...

1、当您付费下载文档后,您只拥有了使用权限,并不意味着购买了版权,文档只能用于自身使用,不得用于其他商业用途(如 [转卖]进行直接盈利或[编辑后售卖]进行间接盈利)。
2、本站所有内容均由合作方或网友上传,本站不对文档的完整性、权威性及其观点立场正确性做任何保证或承诺!文档内容仅供研究参考,付费前请自行鉴别。
3、如文档内容存在违规,或者侵犯商业秘密、侵犯著作权等,请点击“违规举报”。

碎片内容

I2C接口的EEPROM24C64芯片的驱动方法

小辰3+ 关注
实名认证
内容提供者

出售各种资料和文档

相关文档

确认删除?
VIP
微信客服
  • 扫码咨询
会员Q群
  • 会员专属群点击这里加入QQ群
客服邮箱
回到顶部