电脑桌面
添加小米粒文库到电脑桌面
安装后可以在桌面快捷访问

外墙干挂石材技术交底详细

外墙干挂石材技术交底详细_第1页
1/7
外墙干挂石材技术交底详细_第2页
2/7
外墙干挂石材技术交底详细_第3页
3/7
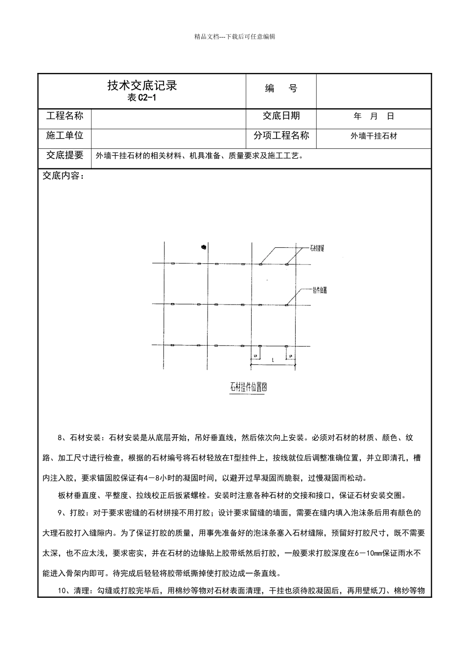
精品文档---下载后可任意编辑技术交底记录表 C2-1编 号工程名称交底日期年 月 日施工单位分项工程名称外墙干挂石材交底提要外墙干挂石材的相关材料、机具准备、质量要求及施工工艺。交底内容:一、材料准备石材、不锈钢挂件(膨胀螺栓、直角连接板和锚固件连接板等)、环氧树脂、橡胶条、硅胶等。二、机具准备主要有冲击钻、手枪钻、匀石机、磨光机、活动扳手、水平尺、铝合金靠尺、白线、钢卷尺、铁锤、笤帚、凿子、胶枪、壁纸刀、棉纱、小桶、铁锹、灰盆、钳子等。三、作业条件1、结构经验收合格,水电、通风、设备安装等应提前完成,并准备好加工石材的场地、水电源等前提条件已具备。2、外门窗已安装完毕,安装质量符合要求。2、石材的质量、规格、品种、数量、外观等符合要求。3、搭设脚手架处理结构基层,并做好隐预检记录。四、施工工艺1、工艺流程基层处理→装饰面位置放线,石材钻孔或开槽→安装挂件膨胀螺栓→安装挂件→安装饰面石材→复核并调校饰面石材位置→用环氧树脂填实石材上的连接孔、槽→用橡胶条或泡沫条填塞拼接缝并打封缝硅胶→饰面清理。2、基层混凝土墙面处理混凝土墙面平整度误差过大的地方应进行剔凿处理,平整度应控制在4mm/2m以内。3、按设计要求在墙面上弹出控制网,由中心向两边弹放。应弹出每块板的位置线和每个挂件的具体位置。4、石材钻孔或切槽,为保证所开孔、槽的准确度和减少石材破损,应使用专门的机架,以固定板材和钻机等。5、根据放线的位置在墙面上打出膨胀螺栓的孔位,孔深以略大于膨胀螺栓套管的长度为宜。埋设膨胀螺栓并予以紧固,最后用测力板手检测连接螺母的旋紧力度,使之达到设计的要求。6、安装连接件:干挂石材一般采纳不锈钢连接件。注意调节挂件一定要安装牢固。7、石材开槽:安装石材前用匀石机在石材的侧面开槽,开槽深度依照挂件的尺寸进行,一般要求不小于1cm并且在板材后侧边中心,为了保证开槽不崩边,开槽距边缘距离为1/4边长且不小于50mm,并将槽内的石灰清理干净以保证灌胶粘结牢固。审核人交底人接受交底人 1、本表由施工单位填写,交底单位与接受交底单位各存一份。 2、当做分项工程施工技术交底时,应填写“分项工程名称”栏,其他技术交底可不填写。精品文档---下载后可任意编辑技术交底记录表 C2-1编 号工程名称交底日期年 月 日施工单位分项工程名称外墙干挂石材交底提要外墙干挂石材的相关材料、机具准备、质量要求及施工工艺。交底内容:8、石材安装:石材安装...

1、当您付费下载文档后,您只拥有了使用权限,并不意味着购买了版权,文档只能用于自身使用,不得用于其他商业用途(如 [转卖]进行直接盈利或[编辑后售卖]进行间接盈利)。
2、本站所有内容均由合作方或网友上传,本站不对文档的完整性、权威性及其观点立场正确性做任何保证或承诺!文档内容仅供研究参考,付费前请自行鉴别。
3、如文档内容存在违规,或者侵犯商业秘密、侵犯著作权等,请点击“违规举报”。

碎片内容

外墙干挂石材技术交底详细

范哲铺+ 关注
实名认证
内容提供者

想你所想,急你所急,你需要的都在店铺里可以找到。

确认删除?
VIP
微信客服
  • 扫码咨询
会员Q群
  • 会员专属群点击这里加入QQ群
客服邮箱
回到顶部