电脑桌面
添加小米粒文库到电脑桌面
安装后可以在桌面快捷访问

气测资料方法步骤

气测资料方法步骤_第1页
1/12
气测资料方法步骤_第2页
2/12
气测资料方法步骤_第3页
3/12
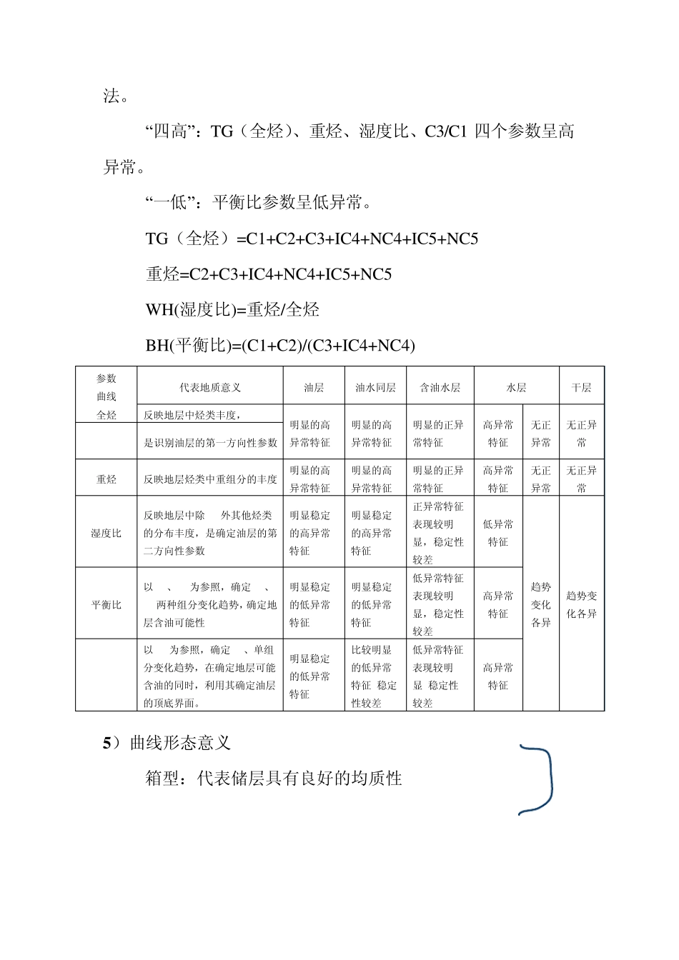
天成气测资料现场解释方法步骤 1、天成录井气测现场解释方法及步骤 异常平均值大于 0 .2 %,异常值与基值之比达到 3 倍以上就可定为异常段,应向常规录井及钻井队发出气测异常通知单(通知单格式附后,以后按此统一格式填写)。 1) 根据钻时和岩性,确定异常段为煤层显示、碳质泥岩显示或储层油气显示。 2) 根据 C 2/C 1、C 3/C 1 比值确定油层显示,C 2/C 1、C 3/C 1均大于 0.2 为油气显示。 3) 根据曲线异常幅度与形态,确定划分异常显示为水层、含油水层或油水同层、差油层,油层。一般划分标准为: 异常平均值大于 0 .2 小于 0 .6 %,异常值与基值比值大于 3 ,曲线形态为锯齿状或指状或不规则状,组分不全或重组分无明显变化,无拖尾或拖尾不明显,岩性为砂岩的为水层或含油水层。 异常平均值大于 0 .6 %,异常值基值比值大于 3 ,常规显示较差,组分全而且曲线形态为锯齿状或指状或不规则状为差油层。 异常平均值大于 0 .6 %,异常值基值比值大于 3 ,曲线形态饱满呈箱状,组分齐全并都有比较明显的异常,曲线拖尾明显,岩性为砂岩且有常规显示较好的为油层或油水同层。 4)层段的响应特征和相互匹配关系,采用“四高一低”的分析方 法。 “四高”:TG(全烃)、重烃、湿度比、C3/C1 四个参数呈高异常。 “一低”:平衡比参数呈低异常。 TG(全烃)=C1+C2+C3+IC4+NC4+IC5+NC5 重烃=C2+C3+IC4+NC4+IC5+NC5 W H(湿度比)=重烃/全烃 BH(平衡比)=(C1+C2)/(C3+IC4+NC4) 参数 曲线 代表地质意义 油层 油水同层 含油水层 水层 干层 全烃 反映地层中烃类丰度, 明显的高异常特征 明显的高异常特征 明显的正异常特征 高异常特征 无正异常 无正异常 (Tg) 是识别油层的第一方向性参数 重烃 反映地层烃类中重组分的丰度 明显的高异常特征 明显的高异常特征 明显的正异常特征 高异常特征 无正异常 无正异常 湿度比 反映地层中除 C1外其他烃类的分布丰度,是确定油层的第二方向性参数 明显稳定的高异常特征 明显稳定的高异常特征 正异常特征表现较明显,稳定性较差 低异常特征 趋势变化各异 趋势变化各异 平衡比 以 C1、C2为参照,确定 C3、C4两种组分变化趋势,确定地层含油可能性 明显稳定的低异常特征 明显稳定的低异常特征 低异常特征表现较明显,稳定性较差 高异常特征 C3/C1 以 C1为参照,确定 C3、单组分变化趋势,在确定地层可能含油的...

1、当您付费下载文档后,您只拥有了使用权限,并不意味着购买了版权,文档只能用于自身使用,不得用于其他商业用途(如 [转卖]进行直接盈利或[编辑后售卖]进行间接盈利)。
2、本站所有内容均由合作方或网友上传,本站不对文档的完整性、权威性及其观点立场正确性做任何保证或承诺!文档内容仅供研究参考,付费前请自行鉴别。
3、如文档内容存在违规,或者侵犯商业秘密、侵犯著作权等,请点击“违规举报”。

碎片内容

气测资料方法步骤

确认删除?
VIP
微信客服
  • 扫码咨询
会员Q群
  • 会员专属群点击这里加入QQ群
客服邮箱
回到顶部