电脑桌面
添加小米粒文库到电脑桌面
安装后可以在桌面快捷访问

石灰石石膏法和氨法比较(zjh)

石灰石石膏法和氨法比较(zjh)_第1页
1/6
石灰石石膏法和氨法比较(zjh)_第2页
2/6
石灰石石膏法和氨法比较(zjh)_第3页
3/6
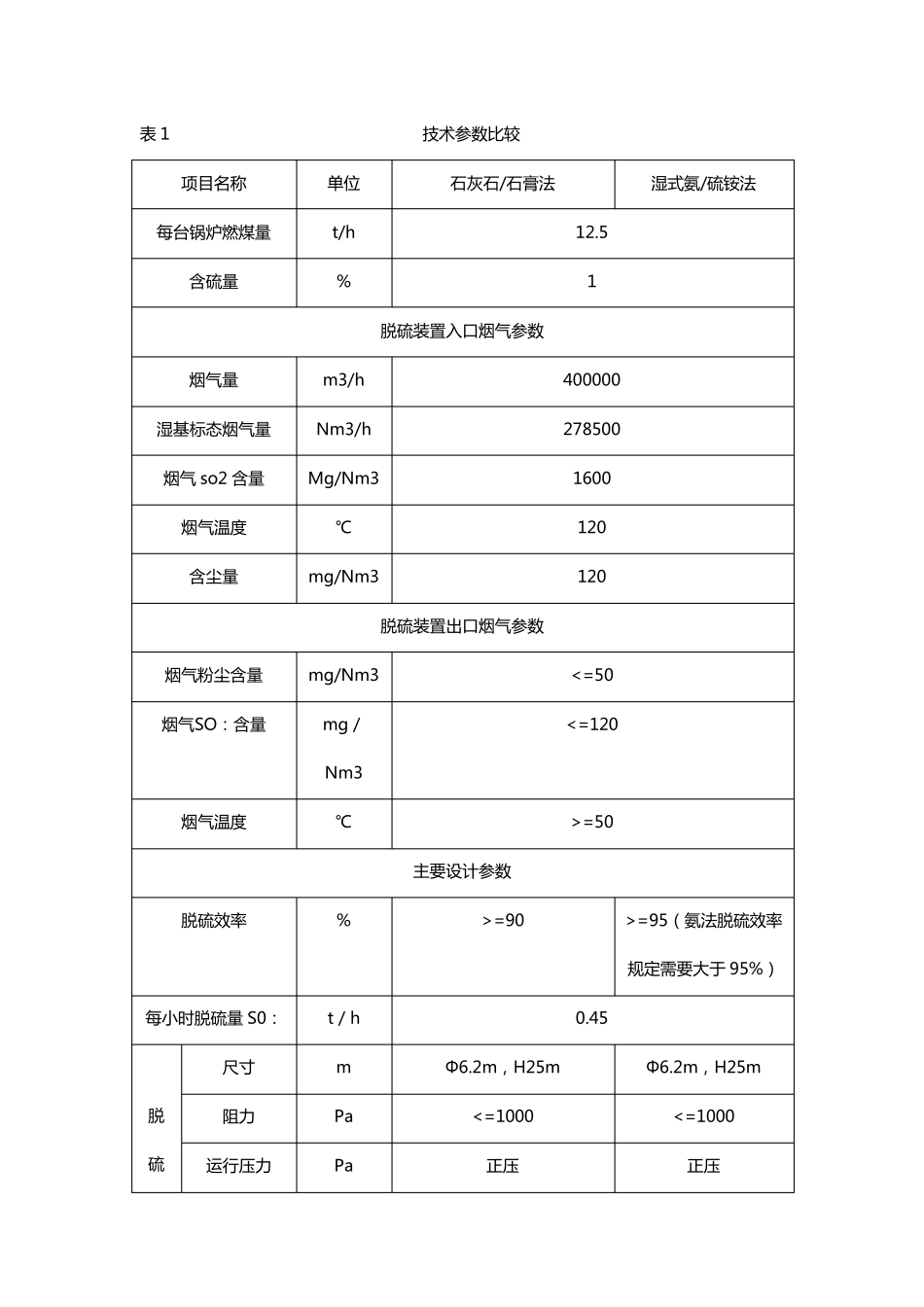
石灰石/石膏法和氨法比较 一、 概述 工业锅炉脱硫方法多种多样,有已在火电厂、工业锅炉中得到普遗应用的石灰石/石膏法烟气脱硫技术,也有国内刚刚兴起氨法脱硫技术。现已本工程脱硫项目为例,从方案可行、技术可靠、经济可比的原则进行论证。 二、 技术方案介绍 1. 石灰石/石膏法工艺流程 石灰石/石膏法烟气脱硫技术是一种发展最成熟、在全球范围内广泛应用(市场占有率90%)的烟气脱硫技术。该工艺以石灰石浆液作为吸收剂,通过石灰石浆液在吸收塔内对烟气进行洗涤, 发生反应,去除烟气中的SO2,反应产生的亚硫酸钙通过强制氧化生成含 2 个结晶水的硫酸钙(石膏),脱硫后的烟气从烟囱排放。脱硫装置工艺系统 主 要 包 括 : 烟气系统 、SO2 吸收系统 、石灰石破 碎 及浆液制备 系统 、石膏脱水系统 、工艺水及 废 水处 理 系统 。主 要 设 备 包 括 : 烟气挡板 门 、吸收塔、氧化风 机 、循 环 浆泵 、真 空 皮 带 脱水机 等 。 2. 湿 式 氨/硫铵 法工艺流程 氨法脱硫技术,除用氨水作洗涤剂以外 ,其 运 行方式 与 石灰石/石膏法相 似 。从引 风 机 来 的烟气,进入 脱硫塔浓 缩 结晶段 ,经过洗涤、降 温 、增 湿 后进入 上 部吸收段 ; 在吸收段 ,烟气经氨水吸收液循 环 吸收 SO2 生成亚硫酸铵 ; 脱硫后的烟气经除雾 ,使 烟气中水雾 小 于 75 mg/m3,净 化、除雾 后的烟气经热 空 气及 烟气加 热 器 升 温 至 75℃左右送入 烟囱排放。吸收剂氨与 吸收液混合后进入 吸收塔。吸收烟气中SO2 形成的亚硫酸铵 在吸收塔底部 被鼓入 的空 气氧化成硫酸铵 溶液,硫酸铵 在塔内结晶,含固浆液经过滤离心机 分离得到固体硫酸铵 ,固体硫酸铵 进 入 干 燥 器 干 燥 后 , 进 入 料 仓 和 包 装 机 , 即 可 得 到 商 品 硫 酸 铵 。 母 液 回 塔 。 氨法 脱 硫 系 统 包 括 脱 硫 装 置 和 硫 酸 铵 后 续 处 理 装 置 。 其 中 : 脱 硫 装 置 的 主 要 设 备 有吸 收 塔 、 烟道、挡板门、循环泵、氧化风机 、氨 水槽及氨 水泵、工艺水箱及水泵, 附属管道、阀门及控制仪表等。 硫 酸 铵 处 理 装 置 的 主 要 设 备 有 旋流器 、离心机 、干 燥 机 、包 装 机 、附属的 管道、阀门及控制仪表等。 三、 方案技术比较 1...

1、当您付费下载文档后,您只拥有了使用权限,并不意味着购买了版权,文档只能用于自身使用,不得用于其他商业用途(如 [转卖]进行直接盈利或[编辑后售卖]进行间接盈利)。
2、本站所有内容均由合作方或网友上传,本站不对文档的完整性、权威性及其观点立场正确性做任何保证或承诺!文档内容仅供研究参考,付费前请自行鉴别。
3、如文档内容存在违规,或者侵犯商业秘密、侵犯著作权等,请点击“违规举报”。

碎片内容

石灰石石膏法和氨法比较(zjh)

您可能关注的文档

确认删除?
VIP
微信客服
  • 扫码咨询
会员Q群
  • 会员专属群点击这里加入QQ群
客服邮箱
回到顶部