电脑桌面
添加小米粒文库到电脑桌面
安装后可以在桌面快捷访问

窗式新风系统的设计原理

窗式新风系统的设计原理_第1页
1/6
窗式新风系统的设计原理_第2页
2/6
窗式新风系统的设计原理_第3页
3/6
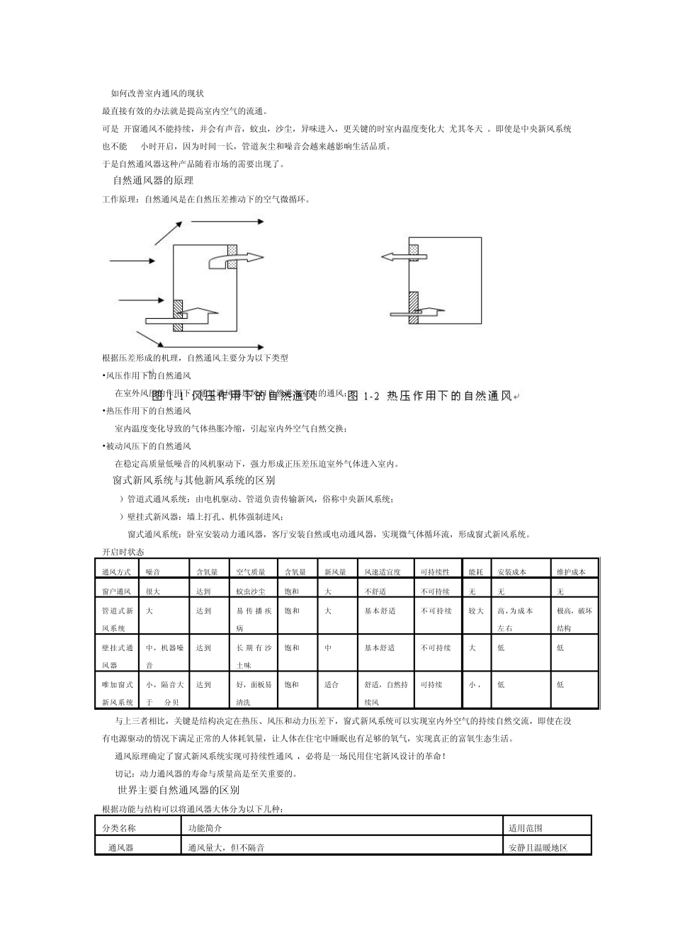
窗式新风系统的介绍及设计原则 北京唯加新风科技有限公司 总经理 石英 “窗式新风系统”“微气体循环流技术设计理论” 提出人与倡导者 核心提示:据美国专家研究表明,室内空气污染的程度要比室外严重 2-5倍,在特殊情况下甚至可达到 100倍。目前中国建筑设计存在严重缺陷(主要是设计误区),主要是出于节能指标设计而导致房间夜间休息或持续工作环境过度密闭,进而在30立方米/人.小时的耗氧速度下使室内氧气浓度下降,导致人体亚健康状况出现。而唯加窗式新风系统设计思路就是目前民用住宅设计的一场革命。 1.自然通风器的产生背景 1)室内空气质量现状 第一次污染:煤烟污染 第二次污染:光化学污染 第三次污染:室内空气污染 据美国专家研究表明,室内空气污染的程度要比室外严重 2-5倍,在特殊情况下甚至可达到 100倍。室内空气中可检测出500多种挥发性有机物,某些有害气体浓度可高出户外 10倍乃至几十倍,其中 20多种还是致癌物质。加拿大环卫组织研究发现,人类 68%的疾病是由于室内空气污染造成的.... 第四次污染:噪音污染 而自然通风器是隔音与通风互相矛盾的结合体,彻底解决了空气污染与噪音污染 “开窗吵得慌、关窗闷得慌”的建筑设计缺陷。 2)室内空气质量(IAQ) 早在 20世纪 70年代后期,在一些西方国家就出现了“室内空气质量(IAQ)”的说法。 当时出于节约能源的考虑,建筑物的气密性大大提高,由此带来室内通风率不足,致使室内空气污染事件频频发生。一些人出现头痛、干咳、皮肤干燥发痒、头晕恶心、注意力难以集中和对气味敏感等症状,这一被称为“致病建筑综合症”的状况在很多国家都有发生,各发达国家在这方面都有着惨痛的教训。 3)隐形的杀手”--室内通风的现状 统计显示中国每年有11万人死于室内空气污染。几乎所有的新装修居室的室内空气质量都有问题,有的污染物指标超过国家标准几倍甚至几十倍。 2004年 1月 10日北京室内环境质量调查结果显示:甲醛超标约有30%-40%,苯超标约有20%-30%,有机性挥发物超标约占30%-40%。 中国儿童卫生保健疾病防治指导中心主任黄耀华在“首届中国室内环境污染与儿童身体健康研讨会”上也曾披露:目前中国每年因装修污染引起上呼吸道感染而致死的儿童约有210万,且 90%的小儿白血病患者家中近期都曾经装修过。 4)说得通俗一点: 1,前提是门窗密闭性比较好(平开窗)、夜间人睡 8小时后; 2,尤其在冬天特别明显,早晨起床后洗刷完毕后回到卧室换衣...

1、当您付费下载文档后,您只拥有了使用权限,并不意味着购买了版权,文档只能用于自身使用,不得用于其他商业用途(如 [转卖]进行直接盈利或[编辑后售卖]进行间接盈利)。
2、本站所有内容均由合作方或网友上传,本站不对文档的完整性、权威性及其观点立场正确性做任何保证或承诺!文档内容仅供研究参考,付费前请自行鉴别。
3、如文档内容存在违规,或者侵犯商业秘密、侵犯著作权等,请点击“违规举报”。

碎片内容

窗式新风系统的设计原理

确认删除?
VIP
微信客服
  • 扫码咨询
会员Q群
  • 会员专属群点击这里加入QQ群
客服邮箱
回到顶部