电脑桌面
添加小米粒文库到电脑桌面
安装后可以在桌面快捷访问

脱硝可研报告

脱硝可研报告_第1页
1/25
脱硝可研报告_第2页
2/25
脱硝可研报告_第3页
3/25
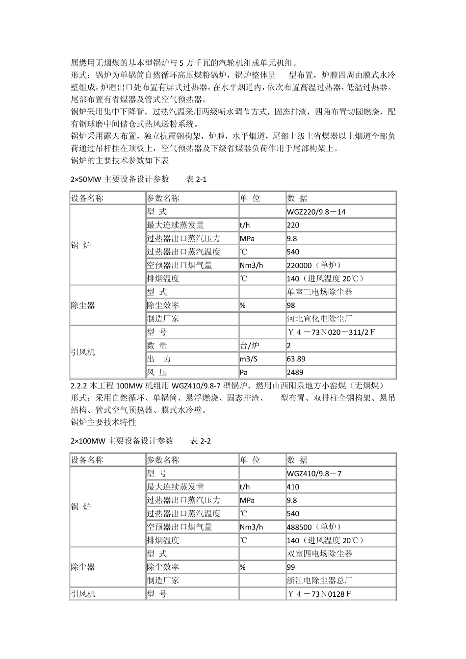
脱硝可研报告 1、概述 1.1 项目概况 **发电有限责任公司一期工程 2x50MW 机组分别于 1991 年 12 月和 1992 年 10 月投产发电,二期工程 2x100MW 机组分别于 2000 年 7 月和 2000 年 12 月投产发电。1 号、2 号为 2x50MW机组锅炉,采用 WGZ220/9.8-14 型 220t/h 固态排渣煤粉锅炉,3 号、4 号为 2x100MW 机组锅炉,锅炉由武汉锅炉厂生产,型号为 WGZ410/9.8-7,生产日期为 1994 年 8 月,为单锅筒、自然循环、固体排渣、悬浮燃烧的煤粉炉。四台锅炉合用一个烟囱。 本项目是老厂技术改造。 1.2 脱硝工程建设的必要性 我国是世界上主要的煤炭生产和消费国,也是以煤炭为主要一次能源的国家。据统计,2002年,原煤在我国一次能源构成中所占比例为 70.7%,而用于发电的煤炭约占煤炭消费量的49.1%。 NOx 的排放是酸雨的形成和对大气中臭氧层破坏的重要原因之一,据有关部门估算:1990年我国的 NOx 排放量约为 910 万吨,到 2000 年和 2010 年,我国的 NOx 排放量将分别达到1561 万吨和 2194 万吨,其中近 70%来自于煤炭的直接燃烧,以燃煤为主的电力生产是 NOx排放的主要来源。鉴于我国的能源消耗量今后将随经济的发展不断增长,NOx 排放量也将持续增加,如不加强控制 NOx 的排放量,NOx 将对我国大气环境造成严重的污染。 以燃煤为主的电力生产所造成的环境污染是我国电力工业发展的一个制约因素,煤炭燃烧产生的烟气中含有烟尘、硫氧化物(SOx)、氮氧化物(NOx)和 CO2 等污染物,已经造成了严重的环境问题,是我国经济可持续发展急待解决的重要问题。 随着我国经济和生活水平的日益提高,将会对环境给予越来越大的关注。改革开放后,我国在燃煤电站烟尘排放的控制方面,通过近三十多年的发展,除尘设备和技术均达到国际先进水平,烟尘排放已得到有效控制。 在燃煤电站 SOx 排放的控制方面,我国采用引进技术和设备建立了一批烟气脱硫工程,不断加大 SOx 排放的控制力度,SOx 排放的增长势头已基本得到了控制,SOx 排放总量将不断降低。 因此,NOx 的控制将是继粉尘和 SOx 之后燃煤电站环保治理的重点。在燃煤电站 NOx 排放的控制方面,目前我国还没有掌握脱硝的先进技术,也没有建立起我们的脱硝工程。因此吸收和引进国外成熟的烟气脱硝技术并研究出适合我国国情的烟气脱硝工艺设备是一项十分紧迫的工作。 2004 年国家新的大气排放标准已实施,对火电厂 NOx...

1、当您付费下载文档后,您只拥有了使用权限,并不意味着购买了版权,文档只能用于自身使用,不得用于其他商业用途(如 [转卖]进行直接盈利或[编辑后售卖]进行间接盈利)。
2、本站所有内容均由合作方或网友上传,本站不对文档的完整性、权威性及其观点立场正确性做任何保证或承诺!文档内容仅供研究参考,付费前请自行鉴别。
3、如文档内容存在违规,或者侵犯商业秘密、侵犯著作权等,请点击“违规举报”。

碎片内容

脱硝可研报告

确认删除?
VIP
微信客服
  • 扫码咨询
会员Q群
  • 会员专属群点击这里加入QQ群
客服邮箱
回到顶部