电脑桌面
添加小米粒文库到电脑桌面
安装后可以在桌面快捷访问

六合气象业务办公系统风险评估

六合气象业务办公系统风险评估_第1页
1/6
六合气象业务办公系统风险评估_第2页
2/6
六合气象业务办公系统风险评估_第3页
3/6
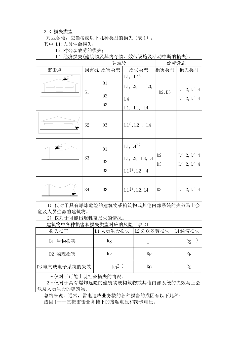
六合区气象局新址业务楼雷电灾害风险评估南京市六合区气象局 211500 李明军上海市嘉定区气象局 202421 高晓东摘要:本文分析了六合区气象局业务楼所处的环境特征、土壤性质,结合气象信息系统设备的重要性,对其进行雷电灾害风险评估,并针对已设计的防雷装置进行分析,以确保业务楼内气象信息系统设备的平安和人员的人身平安。关键词:气象局业务楼 雷电灾害 损害 损失1、地理地质条件南京地处长江中下游平原,坐落在地势险峻的丘陵地带。东面是以紫金山为主体的宁镇山脉,万里长江穿越市区。南京属于北亚热带季风气候区,四季清楚雨量集中。夏半年主导风为东东南风,天,雷暴的移动路径主要由西向东,属于雷暴多发区。六合区气象局新址位于六合区城区北部,四周空旷。该地区的原为水塘,土质结构是黏土,土壤湿润,土质良好,测试土壤电阻率为数十欧姆·米土壤电阻率测试结果:a 为文納四级法中测量探针的距离。东西方向:a=2m ρΩ.m a=4m ρΩ.ma=6m ρΩ.m a=8m ρΩ.m南北方向:a=2m ρΩ.m a=4m ρΩ.ma=6m ρΩ.m a=8m ρΩ.m测试结果分析说明,从地表至地下 16 米 Ω.m。考虑到季节修正系数〔取1.6〕后的土壤电阻率约为 28.2Ω.m。根据近十年来的气象雷暴资料统计,雷暴活动最活泼的月份是七、八月份,其强度较大。雷暴活动比拟频繁的月份是三月至九月,该地区的初雷日是二月,而终雷日是十二月,这就说明该地区一年当中只有一月没有雷暴日,由此可见该地区雷暴活动频繁,没有一定的规律。根据近十年各月最大风速资料统计,该地区各月平均风速都在 5 米/秒以上,极大风速可达 31 米/秒。2、雷电造成业务楼的各种损害的成因 损害源雷电流是根本的损害源。损害源根据雷击点的位置(见表 1)可以划分为:S1:雷击业务楼,S2:雷击业务楼附近大地或建筑物,S3:雷击业务楼埋地电缆等设施,S4:雷击业务楼埋地电缆附近大地或建筑物。 损害类型根据业务楼的特性,在实际的风险评估中,将雷击引起的根本损害类型划分为以下三种:(见表 1 和表 2):D1:生物损害〔雷电导致接触电压和跨步电压引起生物触电〕;D2:物理损害〔雷击引起的着火、爆炸、机械效应及化学效应〕;D3:电气和电子系统失效〔雷击下线路和设备上的过电压导致电力线路跳闸或电子设备失效和损毁〕。影响业务楼电力设施的雷电可以对线路或管道本身以及相关电气和电子系统造成物理损害。损害还可能扩展到与电力设施相连的内部系统。2.3 损失类型 对业务...

1、当您付费下载文档后,您只拥有了使用权限,并不意味着购买了版权,文档只能用于自身使用,不得用于其他商业用途(如 [转卖]进行直接盈利或[编辑后售卖]进行间接盈利)。
2、本站所有内容均由合作方或网友上传,本站不对文档的完整性、权威性及其观点立场正确性做任何保证或承诺!文档内容仅供研究参考,付费前请自行鉴别。
3、如文档内容存在违规,或者侵犯商业秘密、侵犯著作权等,请点击“违规举报”。

碎片内容

六合气象业务办公系统风险评估

阳光书坊+ 关注
实名认证
内容提供者

阳光书坊,传播未来

确认删除?
VIP
微信客服
  • 扫码咨询
会员Q群
  • 会员专属群点击这里加入QQ群
客服邮箱
回到顶部