电脑桌面
添加小米粒文库到电脑桌面
安装后可以在桌面快捷访问

工程类项目内部控制流程及审计要素

工程类项目内部控制流程及审计要素_第1页
1/10
工程类项目内部控制流程及审计要素_第2页
2/10
工程类项目内部控制流程及审计要素_第3页
3/10
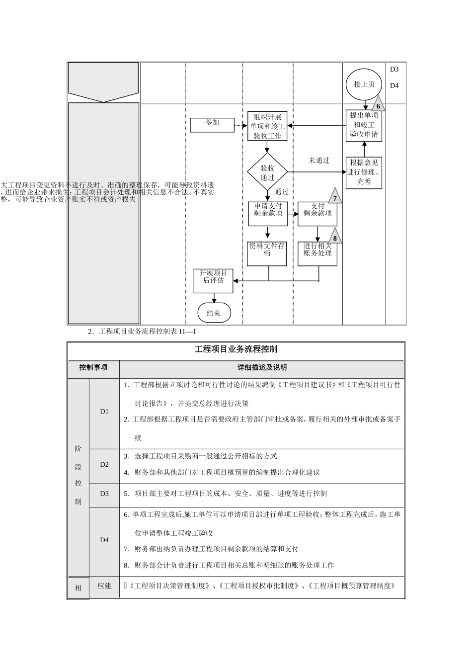
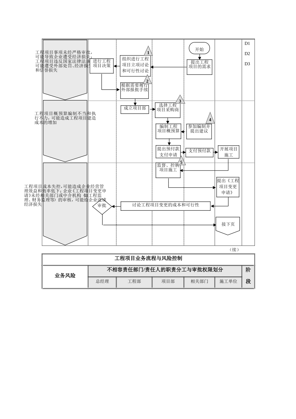
企业内部控制制度——工程项目类内控流程图11.1 工程立项控制11.1.1 工程项目业务流程1.工程项目业务流程与风险控制图 11-1工程项目业务流程与风险控制业务风险不相容责任部门/责任人的职责分工与审批权限划分阶段总经理工程部项目部相关部门施工单位D1D2D3(续)工程项目业务流程与风险控制业务风险不相容责任部门/责任人的职责分工与审批权限划分阶段总经理工程部项目部相关部门施工单位工程项目事项未经严格审批,可能导致企业遭受经济损失;工程项目违反国家法律法规,可能遭受外部处罚、经济损失和信誉损失工程项目概预算编制不当和执行不力,可能造成工程项目建造成本的增加开始根据需要履行外部报批手续成立项目部进行工程项目决策支付预付款审批讨论工程项目变更的成本和可行性组织进行工程 项目立项讨论和可行性讨论2提出工程项目的需求1选择工程项目采购商编制工程项目概预算提出预付款支付申请4监督、控制项目施工接下页开展项目施工提出《工程项目变更申请》参加编制并提出建议工程项目成本失控,可能造成企业经营管理效益和效率低下;企业《工程项目变更申请》未经相关部门或中介机构(如工程监理、财务监理等)的审核,可能给企业造成经济损失35D3D42.工程项目业务流程控制表 11—1工程项目业务流程控制控制事项详细描述及说明阶段控制D11.工程部根据立项讨论和可行性讨论的结果编制《工程项目建议书》和《工程项目可行性讨论报告》,并提交总经理进行决策2.工程部根据工程项目是否需要政府主管部门审批或备案,履行相关的外部审批或备案手续D23.选择工程项目采购商一般通过公开招标的方式4.财务部和其他部门对工程项目概预算的编制提出合理化建议D35.项目部主要对工程项目的成本、安全、质量、进度等进行控制D46.单项工程完成后,施工单位可以申请项目部进行单项工程验收;整体工程完成后,施工单位申请整体工程竣工验收7.财务部出纳负责办理工程项目剩余款项的结算和支付8.财务部会计负责进行工程项目相关总账和明细账的账务处理工作相应建《工程项目决策管理制度》、《工程项目授权审批制度》、《工程项目概预算管理制度》重大工程项目变更资料不进行及时、准确的整理保存,可能导致资料遗失,进而给企业带来损失;工程项目会计处理和相关信息不合法、不真实完整,可能导致企业资产账实不符或资产损失验收通过结束组织开展单项和竣工验收工作参加提出单项和竣工验收申请接上页根据意见进行修理、完善未通过通...

1、当您付费下载文档后,您只拥有了使用权限,并不意味着购买了版权,文档只能用于自身使用,不得用于其他商业用途(如 [转卖]进行直接盈利或[编辑后售卖]进行间接盈利)。
2、本站所有内容均由合作方或网友上传,本站不对文档的完整性、权威性及其观点立场正确性做任何保证或承诺!文档内容仅供研究参考,付费前请自行鉴别。
3、如文档内容存在违规,或者侵犯商业秘密、侵犯著作权等,请点击“违规举报”。

碎片内容

工程类项目内部控制流程及审计要素

人从众+ 关注
实名认证
内容提供者

欢迎光临小店,本店以公文和教育为主,希望符合您的需求。

确认删除?
VIP
微信客服
  • 扫码咨询
会员Q群
  • 会员专属群点击这里加入QQ群
客服邮箱
回到顶部